电脑桌面
添加小米粒文库到电脑桌面
安装后可以在桌面快捷访问

模拟开关CD4051,52,53

模拟开关CD4051,52,53_第1页
1/6
模拟开关CD4051,52,53_第2页
2/6
模拟开关CD4051,52,53_第3页
3/6
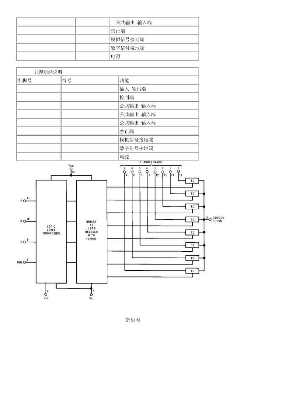
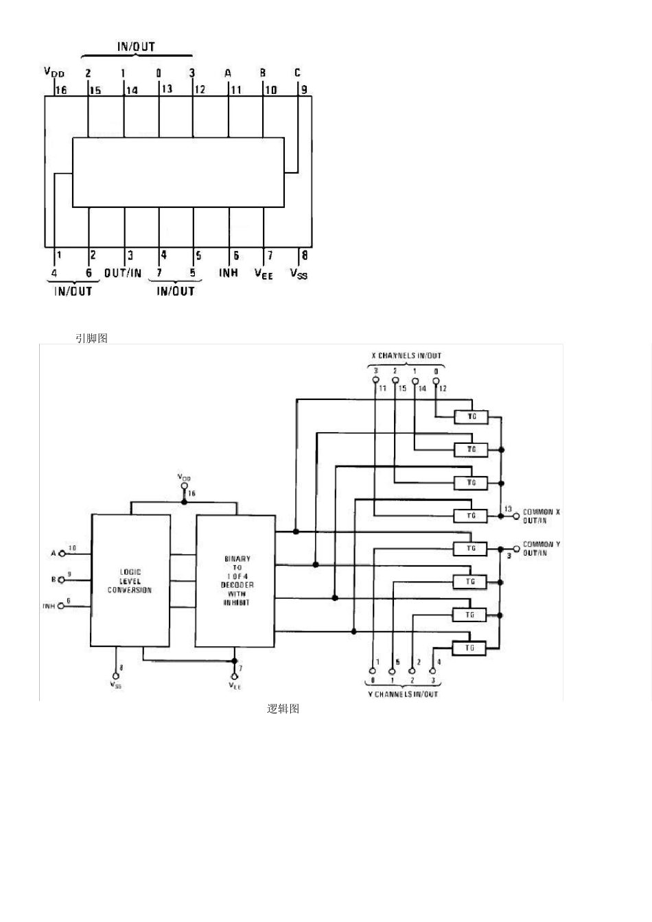
模拟开关CD4051,CD4052,CD4053中文资料 模拟开关CD4051,CD4052,CD4053中文资料 CD4051/CC4051是单8通道数字控制模拟电子开关,有三个二进控制输入端A、B、C 和INH输入,具有低导通阻抗和很低的截止漏电流。幅值为4.5~20V的数字信号可控制峰值至20V的模拟信号。例如,若VDD=+5V,VSS=0,VEE=-13.5V,则0~5V的数字信号可控制-13.5~4.5V的模拟信号。这些开关电路在整个VDD-VSS和VDD-VEE电源范围内具有极低的静态功耗,与控制信号的逻辑状态无关。当INH输入端=“1”时,所有的通道截止。三位二进制信号选通8通道中的一通道,可连接该输入端至输出。 CD4052/CC4052是一个差分 4通道数字控制模拟开关,有A、B两个二进制控制输入端和INH输入,具有低导通阻抗和很低的截止漏电流。幅值为4.5~20V的数字信号可控制峰峰值至20V的模拟信号。例如,若V DD=+5V,VSS=0,VEE=-13.5V,则0~5V的数字信号可控制-13.5~4.5V的模拟信号,这些开关电路在整个VDD-VSS和VDD-VEE电源范围内具有极低的静态功耗,与控制信号的逻辑状态无关,当INH输入端=“1”时,所有通道截止。二位二进制输入信号选通4对通道中的一通道,可连接该输入至输出。 CD4053/CC4053是三2通道数字控制模拟开关,有三个独立的数字控制输入端A、B、C 和INH输入,具有低导通阻抗和低的截止漏电流。幅值为4.5~20V的数字信号可控制峰-峰值至20V的数字信号。例如若VDD=+5,VSS=0,VEE=-13.5V,则0~5V的数字信号可控制-13.5~4.5V的模拟信号。这些开关电路在整个VDD-VSS和VDD-VEE电源范围内具有极低的静态功耗,与控制信号的逻辑状态无关。当INH输入端=“1”时,所有通道截止。控制输入为高电平时,“0”通道被选,反之,“1”通道被选。 CD4051 CD4052 CD4053真值表 INPUT STATES 输入状态 “ON” CHANNELS “开”通道 INHIBIT禁止 C B A CD4051B CD4052B CD4053B 0 0 0 0 0 0X, 0Y cx, bx, ax 0 0 0 1 1 1X, 1Y cx, bx, ay 0 0 1 0 2 2X, 2Y cx, by, ax 0 0 1 1 3 3X, 3Y cx, by, ay 0 1 0 0 4 cy, bx, ax 0 1 0 1 5 cy, bx, ay 0 1 1 0 6 cy, by, ax 0 1 1 1 7 cy, by, ay 1 * * * NONE NONE NONE CD4051引脚功能说明 引脚号 符号 功能 1 2 4 5 12 13 14 15 IN/OUT 输入/输出端 9 10 11 A B C 地址端 3 OUT/IN 公共输出/输入端 6 INH 禁止端 7 V...

1、当您付费下载文档后,您只拥有了使用权限,并不意味着购买了版权,文档只能用于自身使用,不得用于其他商业用途(如 [转卖]进行直接盈利或[编辑后售卖]进行间接盈利)。
2、本站所有内容均由合作方或网友上传,本站不对文档的完整性、权威性及其观点立场正确性做任何保证或承诺!文档内容仅供研究参考,付费前请自行鉴别。
3、如文档内容存在违规,或者侵犯商业秘密、侵犯著作权等,请点击“违规举报”。

碎片内容

模拟开关CD4051,52,53

您可能关注的文档

小辰5+ 关注
实名认证
内容提供者

出售各种资料和文档

确认删除?
VIP
微信客服
  • 扫码咨询
会员Q群
  • 会员专属群点击这里加入QQ群
客服邮箱
回到顶部