电脑桌面
添加小米粒文库到电脑桌面
安装后可以在桌面快捷访问

水利水电工程危险源清单

水利水电工程危险源清单_第1页
1/24
水利水电工程危险源清单_第2页
2/24
水利水电工程危险源清单_第3页
3/24
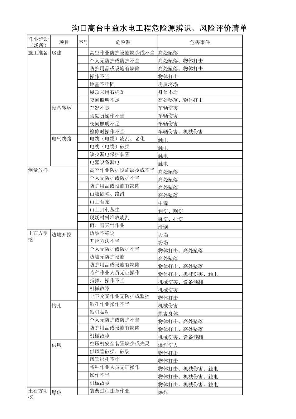
作业活动(场所)项目序号危险源危害事件施工准备房建1高空作业防护设施缺少或不当高处坠落2个人无防护或防护不当 高处坠落、物体打击3防护用品或设施有缺陷高处坠落、物体打击4操作不当物体打击5地基不牢固房屋垮塌6屋顶采用石棉瓦身体不适7夜间照明不足高处坠落、物体打击设备转运8车况不良车辆伤害9驾驶员操作不当车辆伤害10夜间照明不足车辆伤害11检修时操作不当车辆伤害、机械伤害电气线路12电线(电缆)凌乱、老化触电13电线(电缆)破损触电14缺少漏电保护装置触电15电器设备漏电触电测量放样16高空作业防护设施缺少或不当高处坠落17个人无防护或防护不当 高处坠落18防护用品或设施有缺陷高处坠落19山坡陡峭、路滑高处坠落20山上有蛇中毒21山上荆剌丛生划伤、割伤22现场材料堆放凌乱碰伤、挂伤23雨、雪天气作业滑倒边坡开挖24边坡不稳定坍塌25开挖方法不当坍塌26个人无防护或防护不当 物体打击、高处坠落27边坡无防护设施高处坠落28防护用品或设施有缺陷物体打击、高处坠落29特种作业人员无证操作 物体打击、机械伤害、触电30指挥、操作不当机械伤害、设备倾翻31机械故障机械伤害32上下交叉作业无防护或监控物体打击钻孔33钻孔作业操作不当机械伤害34钻机振动损害身体35个人无防护或防护不当 物体打击、高处坠落36防护用品或设施有缺陷物体打击、高处坠落37机械故障机械伤害、设备倾翻供风38空压机安全装置缺少或失灵爆炸伤人39供风管破损、破裂物体打击40风管绑扎不牢物体打击41特种作业人员无证操作 物体打击、机械伤害、触电42操作不当物体打击、机械伤害、触电43机械故障物体打击、机械伤害、触电爆破44装药过程违章作业爆炸沟口高台中益水电工程危险源辨识、风险评价清单土石方明挖土石方明挖45爆破区无警戒物体打击46爆破警戒距离不够物体打击47爆破飞石超出警戒区物体打击48人员未及时撤离警戒区 物体打击49排险不及时坍塌、物体打击50处理哑炮措施不当爆炸51指挥、操作不当机械伤害、设备倾翻装料52设备回转半径内有人或物机械伤害53停车处地基不稳机械伤害、设备倾翻54工作面不稳定坍塌55装料过程中操作不当机械伤害、物体打击56特种作业人员无证操作机械伤害、物体打击运输及卸料57特种作业人员无证操作物体打击、机械伤害58设备停放处地基不牢固机械伤害、设备倾翻59指挥、操作不当机械伤害、设备倾翻60驾驶员无证操作机械伤害、设备倾翻61道路不符合安全要求机械、车辆伤害62车辆卸料时车后有人掩埋63开挖料堆高过高掩埋...

1、当您付费下载文档后,您只拥有了使用权限,并不意味着购买了版权,文档只能用于自身使用,不得用于其他商业用途(如 [转卖]进行直接盈利或[编辑后售卖]进行间接盈利)。
2、本站所有内容均由合作方或网友上传,本站不对文档的完整性、权威性及其观点立场正确性做任何保证或承诺!文档内容仅供研究参考,付费前请自行鉴别。
3、如文档内容存在违规,或者侵犯商业秘密、侵犯著作权等,请点击“违规举报”。

碎片内容

水利水电工程危险源清单

小辰9+ 关注
实名认证
内容提供者

出售各种资料和文档

确认删除?
VIP
微信客服
  • 扫码咨询
会员Q群
  • 会员专属群点击这里加入QQ群
客服邮箱
回到顶部