电脑桌面
添加小米粒文库到电脑桌面
安装后可以在桌面快捷访问

水利水电工程施工一般危险源LEC法风险评价赋分表(指南)

水利水电工程施工一般危险源LEC法风险评价赋分表(指南)_第1页
1/7
水利水电工程施工一般危险源LEC法风险评价赋分表(指南)_第2页
2/7
水利水电工程施工一般危险源LEC法风险评价赋分表(指南)_第3页
3/7
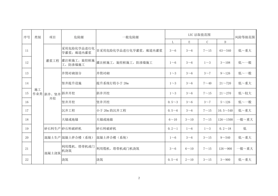
1 附件3 水利水电工程施工一般危险源 LEC 法风险评价赋分表(指南) 序号 类别 项目 危险源 一般危险源 LEC 法取值范围 风险等级范围 L E C D 1 施工 作业类 明挖施工 有堆渣的挖掘作业 堆渣高度小于 10m 的挖掘作业 1~6 3~10 7~15 21~900 低~重大 2 土方边坡开挖作业 土方边坡高度小于 30m 的开挖作业 1~6 6~10 3~15 18~900 低~重大 3 石方边坡开挖作业 石方边坡高度小于 50m 的开挖作业 1~6 6~10 7~15 42~900 低~重大 4 洞挖施工 洞室开挖 断面小于20m2或单洞长度小于50m以及非地质缺陷开挖;地应力小于 20MPa 或小于岩石强度的1/5 或埋深小于 500m 部位的作业;非重大风险源所列内容的普通洞挖 1~6 6~10 3~40 18~2400 低~重大 5 洞室支护 能及时支护的部位 0.2~6 6~10 3~15 3.6~900 低~重大 6 石方爆破 石方明挖的爆破作业 一次装药量小于 200kg 的爆破 1~6 2~6 7~15 14~540 低~重大 7 石方洞挖的爆破作业 一次装药量小于 50kg 的地下爆破;非重大风险源所列内容的普通爆破 1~6 2~6 7~40 14~1440 低~重大 8 填筑工程 截流工程 截流工程 6~10 3~6 7~15 126~900 一般~重大 9 堤防工程 堤防工程 0.2~3 2~6 3~15 1.2~270 低~较大 10 大坝工程 大坝工程 1~6 2~6 7~100 14~3600 低~重大 2 序号 类别 项目 危险源 一般危险源 LEC 法取值范围 风险等级范围 L E C D 11 施工 作业类 灌浆工程 采用危险化学品进行化学灌浆;廊道内灌浆 非采用危险化学品进行化学灌浆,廊道内灌浆 3~6 3~6 7~15 63~540 低~重大 12 灌注桩施工,旋挖桩施工,防渗墙施工 灌注桩施工,旋挖桩施工,防渗墙施工 1~6 3~6 1~3 3~108 低~一般 13 斜井、竖井开挖 井筒衬砌部分 井筒衬砌 1~3 3~6 3~7 9~126 低~一般 14 竖井提升设施 提升系统行程小于 20m 1~3 3~6 7~40 21~720 低~重大 15 斜井开挖 斜井开挖 1~3 3~6 7~15 21~270 低~较大 16 竖井开挖 竖井开挖 0.5~3 3~6 3~7 5~126 低~一般 17 沉井工程 小于 20m 的沉井工程 0.5~6 3~6 7~15 10.5~540 低~重大 18 天锚或地锚 天锚或地锚 6~10 3~10 7~15 126~1500 一般~重大 19 砂石料生产 砂石料破碎机 砂石料破碎机 ...

1、当您付费下载文档后,您只拥有了使用权限,并不意味着购买了版权,文档只能用于自身使用,不得用于其他商业用途(如 [转卖]进行直接盈利或[编辑后售卖]进行间接盈利)。
2、本站所有内容均由合作方或网友上传,本站不对文档的完整性、权威性及其观点立场正确性做任何保证或承诺!文档内容仅供研究参考,付费前请自行鉴别。
3、如文档内容存在违规,或者侵犯商业秘密、侵犯著作权等,请点击“违规举报”。

碎片内容

水利水电工程施工一般危险源LEC法风险评价赋分表(指南)

您可能关注的文档

确认删除?
VIP
微信客服
  • 扫码咨询
会员Q群
  • 会员专属群点击这里加入QQ群
客服邮箱
回到顶部