电脑桌面
添加小米粒文库到电脑桌面
安装后可以在桌面快捷访问

水包砂施工工艺

水包砂施工工艺_第1页
1/14
水包砂施工工艺_第2页
2/14
水包砂施工工艺_第3页
3/14
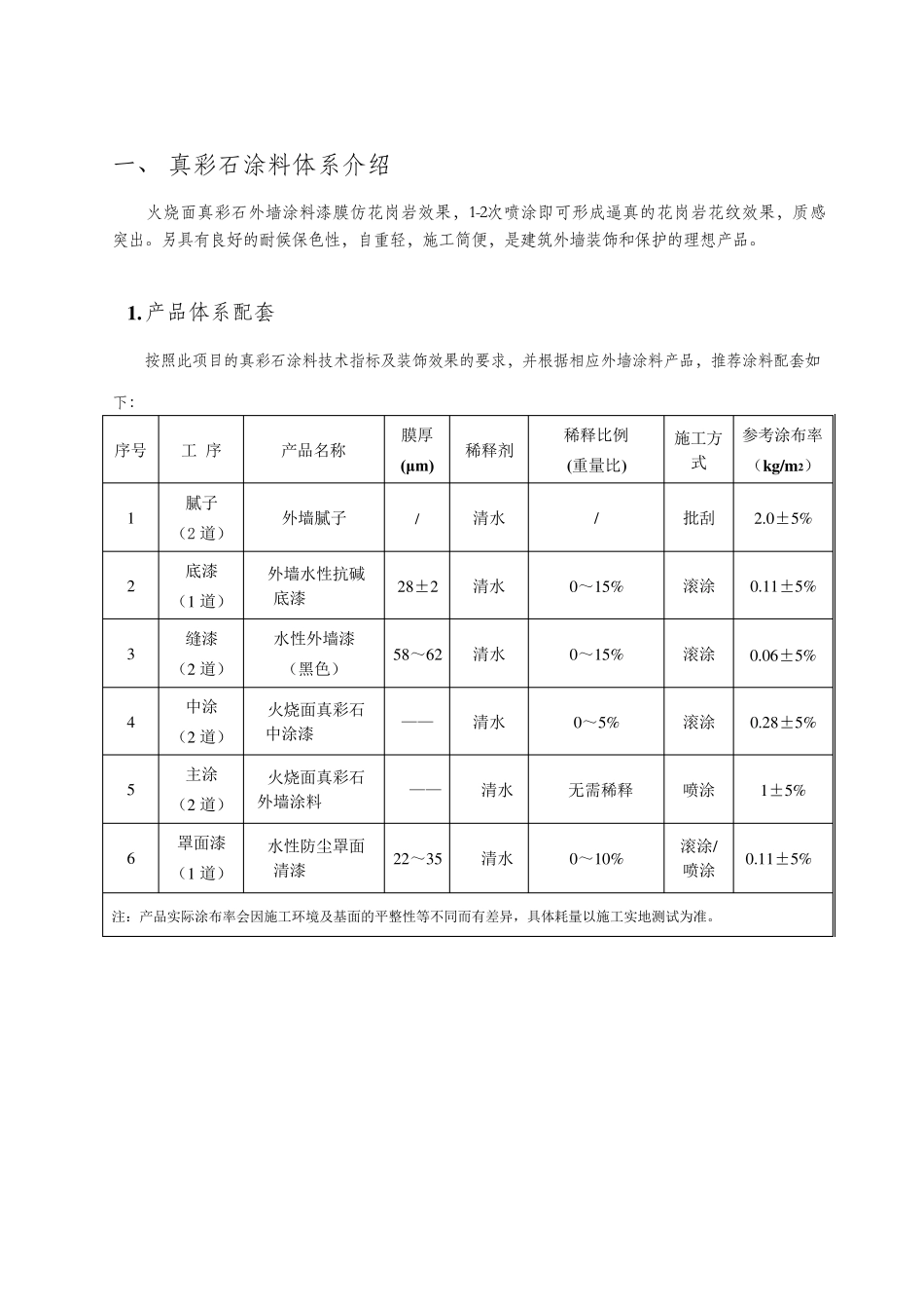
外墙含砂多彩涂料体系 施 工 指 导 方 案 编 制 单 位 : 编 制 部 门 : 编 制 日 期 : 目 录 一 、 真 彩 石 涂 料 体 系 介 绍 ............................................................................................................. 1 1 . 产 品 体 系 配 套 ..............................................................................................................................1 2 . 施 工 工 艺 流 程 ..............................................................................................................................2 二 、 施 工 要 求 .................................................................................................................................. 3 1 . 施 工 环 境 要 求 ..............................................................................................................................3 2 . 基 层 检 查 与 处 理 ..........................................................................................................................3 三 、 真 彩 石 涂 料 体 系 施 工 工 艺 .................................................................................................... 8 1 . 腻 子 施 工 ....................................................................................................................................... 8 2 . 底 漆 施 工 ....................................................................................................................................... 9 3 . 弹 线 , 缝 漆 施 工 ....................................................................................................................... 10 4 . 弹 线 , 贴 美 纹 纸 ....................................................................................................................... 10 5 . 中 涂 施 工 ................................................................................................................

1、当您付费下载文档后,您只拥有了使用权限,并不意味着购买了版权,文档只能用于自身使用,不得用于其他商业用途(如 [转卖]进行直接盈利或[编辑后售卖]进行间接盈利)。
2、本站所有内容均由合作方或网友上传,本站不对文档的完整性、权威性及其观点立场正确性做任何保证或承诺!文档内容仅供研究参考,付费前请自行鉴别。
3、如文档内容存在违规,或者侵犯商业秘密、侵犯著作权等,请点击“违规举报”。

碎片内容

水包砂施工工艺

确认删除?
VIP
微信客服
  • 扫码咨询
会员Q群
  • 会员专属群点击这里加入QQ群
客服邮箱
回到顶部