电脑桌面
添加小米粒文库到电脑桌面
安装后可以在桌面快捷访问

水泥搅拌桩配合比设计书

水泥搅拌桩配合比设计书_第1页
1/6
水泥搅拌桩配合比设计书_第2页
2/6
水泥搅拌桩配合比设计书_第3页
3/6
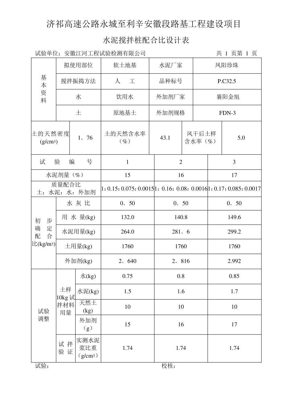
水泥搅拌桩配合比设计书 一、配合比设计依据 : (1)、《济祁高速公路永城至利辛安徽段路基工程施工招标文件》; (2)、JTG D30-2004《公路路基设计规范》; (3)、JGJ017-96《公路软土地基路堤设计与施工技术规范》。 二、设计要求: 设计桩身强度(7 天、28 天、90 天龄期):0.8MPa、1.6 MPa、2.4 MPa; 三、水泥搅拌桩所用材料为: 1、水泥:凤阳珍珠,P .C32.5 级; 2、外加剂:襄阳金旭FDN-3 减水剂; 3、水:饮用水。 四、水泥搅拌桩配合比: 外加剂用量为水泥用量的1%。软土湿容重取值1.76g/cm 3。 (1)材料配比:水泥剂量为15%、水灰比为0.50,实测水泥浆比重1.74 g/cm 3 ; 土:水泥:水:外加剂=1:0.15:0.075:0.0015 每米水泥用量:π*(0.5/2)2*1760*15%=51.8Kg (2)材料配比:水泥剂量为16%、水灰比为0.50,实测水泥浆比重1.74g/cm 3 ; 土:水泥:水:外加剂=1:0.16:0.08:0.0016 每米水泥用量:π*(0.5/2)2*1760*16%=55.3 Kg (3)材料配比:水泥剂量为17%、水灰比为0.50、实测水泥浆比重1.74 g/cm 3 ; 土:水泥:水:外加剂=1:0.17:0.085:0.0017 每米水泥用量:π*(0.5/2)2*1760*17%=58.7 Kg 济祁高速公路永城至利辛安徽段路基工程建设项目 水泥搅拌桩配合比设计表 试验单位:安徽江河工程试验检测有限公司 共 1 页第 1 页 基 本 资 料 拟使用部位 软土地基 水泥厂家 凤阳珍珠 搅拌振捣方法 人 工 品种标号 P.C32.5 水 饮用水 外加剂厂家 襄阳金旭 土 原地基土 外加剂规格 FDN-3 土的天然密度(g/cm 3) 1.76 土的天然含水率(%) 43.1 风干后土样 含水率(%) 5.0 试 验 编 号 1 2 3 水泥剂量(%) 15 16 17 质量配合比 土:水泥:水:外加剂 1:0.15:0.075:0.0015 1:0.16:0.08:0.0016 1:0.17:0.085:0.0017 初 步 确 定 配 合 比(kg/m 3) 水 灰 比 0.50 0.50 0.50 用 水 量(kg) 132.0 140.8 149.6 水泥用量(kg) 264.0 281.6 299.2 土用量(kg) 1760 1760 1760 外加剂(kg) 2.640 2.816 2.992 试验 调整 土样10kg 试拌材料用量 水(kg) 0.75 0.8 0.85 水泥(kg) 1.5 1.6 1.7 天然土(kg) 10 10 10 外加剂(g) 15 16 17 试 拌 验 证 实测水泥浆比重(g/cm 3) 1.74 1.74 1.74 试验: 校核: 济祁高速公路永城至利辛安徽段路基工程建设项目 ...

1、当您付费下载文档后,您只拥有了使用权限,并不意味着购买了版权,文档只能用于自身使用,不得用于其他商业用途(如 [转卖]进行直接盈利或[编辑后售卖]进行间接盈利)。
2、本站所有内容均由合作方或网友上传,本站不对文档的完整性、权威性及其观点立场正确性做任何保证或承诺!文档内容仅供研究参考,付费前请自行鉴别。
3、如文档内容存在违规,或者侵犯商业秘密、侵犯著作权等,请点击“违规举报”。

碎片内容

水泥搅拌桩配合比设计书

小辰7+ 关注
实名认证
内容提供者

出售各种资料和文档

确认删除?
VIP
微信客服
  • 扫码咨询
会员Q群
  • 会员专属群点击这里加入QQ群
客服邮箱
回到顶部