电脑桌面
添加小米粒文库到电脑桌面
安装后可以在桌面快捷访问

水泥混凝土面层检验批质量验收记录表

水泥混凝土面层检验批质量验收记录表_第1页
1/24
水泥混凝土面层检验批质量验收记录表_第2页
2/24
水泥混凝土面层检验批质量验收记录表_第3页
3/24
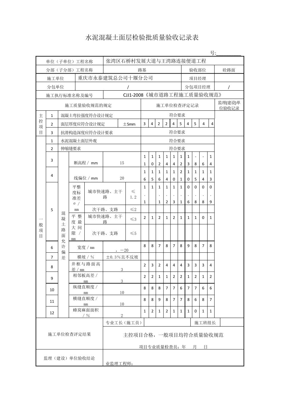
水泥混凝土面层检验批质量验收记录表 号:__________ 单位(子单位)工程名称 张湾区石桥村发展大道与王湾路连接便道工程 分部(子分部)工程名称 路基 验收部位 砼路面 施工单位 重庆市永泰建筑总公司十堰分公司 项目经理 分包单位 / 分包项目经理 / 施工执行标准名称及编号 CJJ1-2008《城市道路工程施工质量验收规范》 施工质量验收规范的规定 施工单位检查评定记录 监理(建设)单位验收记录 主控项目 1 混凝土弯拉强度符合设计规定 符合要求 2 面层厚度应符合设计规定 ±5m m 3 4 2 2 4 5 4 5 4 4 3 抗滑构造深度应符合设计要求 符合要求 一般项目 1 水泥混凝土面层外观 符合要求 2 伸缩缝要求 符合要求 3 混凝土路面允许偏差 断高程/ m m 15 11 10 12 14 14 12 13 -8 -6 14 4 线偏位/m m 20 16 15 16 14 10 21 10 15 14 13 5 平整度标准差σ/mm 城市快速路、主干路 ≤1.2 1.1 1 1.1 1.2 1.3 1.1 0.6 0.8 0.8 0.9 次干路、支路 ≤2 平 整度最大间隙 /mm 城市快速路、主干路 ≤3 2 1 2 1 2 1 1 1 0 1 次干路、支路 ≤5 6 宽度/mm ,-20 8 8 7 8 7 8 9 8 7 8 7 横坡/% ±0.3%且不反坡 8 井框与路面高差/mm 3 2 3 2 4 4 4 3 3 3 4 9 相邻板高差/mm 3 2 2 1 1 2 2 1 2 1 2 10 纵缝直顺度/mm 10 8 8 8 7 7 6 7 7 6 6 11 横缝直顺度/mm 10 8 8 9 8 7 7 8 6 8 7 12 蜂窝麻面面积/% 2 1 2 1 2 1 1 1 0 1 1 施工单位检查评定结果 专业工长(施工员) 施工班组长 主控项目合格,一般项目均符合质量验收规范 项目专业质量检查员:年 月 日 监理(建设)单位验收结论 业监理工程师: (建设单位项目专业技术负责人): 年 月 日 水泥混凝土原材料检验批质量验收记录表 号:__________ 单位(子单位)工程名称 张湾区石桥村发展大道与王湾路连接便道工程 分部(子分部)工程名称 路基 验收部位 道路 施工单位 重庆市永泰建筑总公司十堰分公司 项目经理 分包单位 / 分包项目经理 / 施工执行标准名称及编号 CJJ1-2008《城市道路工程施工质量验收规范》 施工质量验收规范的规定 施工单位检查评定记录 监理(建设)单位验收记录 主控项目 1 泥品种、级别、质量、包装、贮存,应符合国家现行有关标准的规定 ...

1、当您付费下载文档后,您只拥有了使用权限,并不意味着购买了版权,文档只能用于自身使用,不得用于其他商业用途(如 [转卖]进行直接盈利或[编辑后售卖]进行间接盈利)。
2、本站所有内容均由合作方或网友上传,本站不对文档的完整性、权威性及其观点立场正确性做任何保证或承诺!文档内容仅供研究参考,付费前请自行鉴别。
3、如文档内容存在违规,或者侵犯商业秘密、侵犯著作权等,请点击“违规举报”。

碎片内容

水泥混凝土面层检验批质量验收记录表

您可能关注的文档

确认删除?
VIP
微信客服
  • 扫码咨询
会员Q群
  • 会员专属群点击这里加入QQ群
客服邮箱
回到顶部