电脑桌面
添加小米粒文库到电脑桌面
安装后可以在桌面快捷访问

水泥稳定砂砾基层试验段施工总结VIP专享

水泥稳定砂砾基层试验段施工总结_第1页
1/20
水泥稳定砂砾基层试验段施工总结_第2页
2/20
水泥稳定砂砾基层试验段施工总结_第3页
3/20
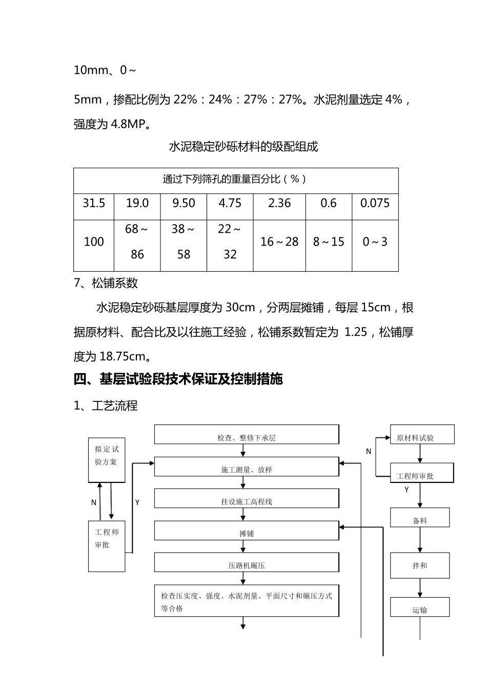
水 泥 稳 定 砂 砾 基 层 试 验 段 施 工 总 结 2011 年5 月31 日 高 速 公 路 工 程 第 四 合 同 段 在 执 行 办 、总监办和第 二驻地办 各级领导的监督指导下顺利完成了 K51+640~K51+880 左幅水泥稳定砂砾基层试验段 施工 。通过精心组织试验段施工 ,验证了施工 方案的可行 性,取得施工 中各项控制技术指标数据,验证施工 机械组合 方案,确定最佳机械组合 ,最终制定出一套详细严谨的施工 组织方案并认真贯彻执 行 。现将试验段 所取得的有关参数、试验过程 和结果总结如下: 一 、工 程概况 基层试验段 桩号为 K51+640~K51+880 左幅,共 240 米,合计 2926m2,厚度 30cm。试验段 分 15cm、15cm 两层连续施工 ,根据原材料、配合 比及以往经验,松铺系 数暂 定为 1.25,松铺厚度为 18.75cm,下基层底 宽 为 12.79m,顶 宽 为 12.49m; 上 基层底 宽 为12.49m,顶 宽 为 12.19m。 二、施 工 日期 本 试验段 自2011 年5 月31 日 上 午10 点 开 工 ,至 当 天 下午5点 全 面 结束 。 三、施 工 准备情况 1、下承 层准 备 底 基层已 进 行 检 验,表 面 平 整 、坚 实 、无 浮 土 ,没 有松散 和软 弱处 ,其 各项指标已 达 到 设 计和规 范 要 求 ,并经相 关监理 工 程 师 检 测 签字 认可。摊 铺之 前 进 行 洒 水,并保 持 湿 润 。 2、机械设备 水泥稳定粒料拌和机已经安装调试校验完毕,符合混合料拌和要求,可以正常工作,运输车辆为载重 18T 以上自卸车,采用塑料布覆盖运输,摊铺、碾压设备(具体设备数量、性能见附表一)配套到位,并提前进行了保养维护,机械状态良好,满足施工要求。 3、检测仪器 试验室和测量队是保证工程质量的重要职能部门,项目部试验室配备了先进的检测仪器,已完成试验室仪器设备的安装、调试。测量、试验仪器均经过国家计量部门的鉴定。 项目部在拌和站也设置了化学室和集料室,配备了水泥剂量滴定设备 2 套,标准筛 2 套,电热鼓风 干 燥 箱2 台 ,符合相 应 精 度 要求的电子 天 平 各 1 台 等 试验仪器。(实 验仪器见附表二 ) 4、人 员 各 岗 位工作人 员 都 已经到位,技 术 人 员 、技 术 工人 都 有 丰 富 的工作经验,并且 针 对 本 试验路 段 的特 点 对 工作人 员...

1、当您付费下载文档后,您只拥有了使用权限,并不意味着购买了版权,文档只能用于自身使用,不得用于其他商业用途(如 [转卖]进行直接盈利或[编辑后售卖]进行间接盈利)。
2、本站所有内容均由合作方或网友上传,本站不对文档的完整性、权威性及其观点立场正确性做任何保证或承诺!文档内容仅供研究参考,付费前请自行鉴别。
3、如文档内容存在违规,或者侵犯商业秘密、侵犯著作权等,请点击“违规举报”。

碎片内容

水泥稳定砂砾基层试验段施工总结

小辰3+ 关注
实名认证
内容提供者

出售各种资料和文档

确认删除?
VIP
微信客服
  • 扫码咨询
会员Q群
  • 会员专属群点击这里加入QQ群
客服邮箱
回到顶部