电脑桌面
添加小米粒文库到电脑桌面
安装后可以在桌面快捷访问

水电试验记录汇总

水电试验记录汇总_第1页
1/29
水电试验记录汇总_第2页
2/29
水电试验记录汇总_第3页
3/29
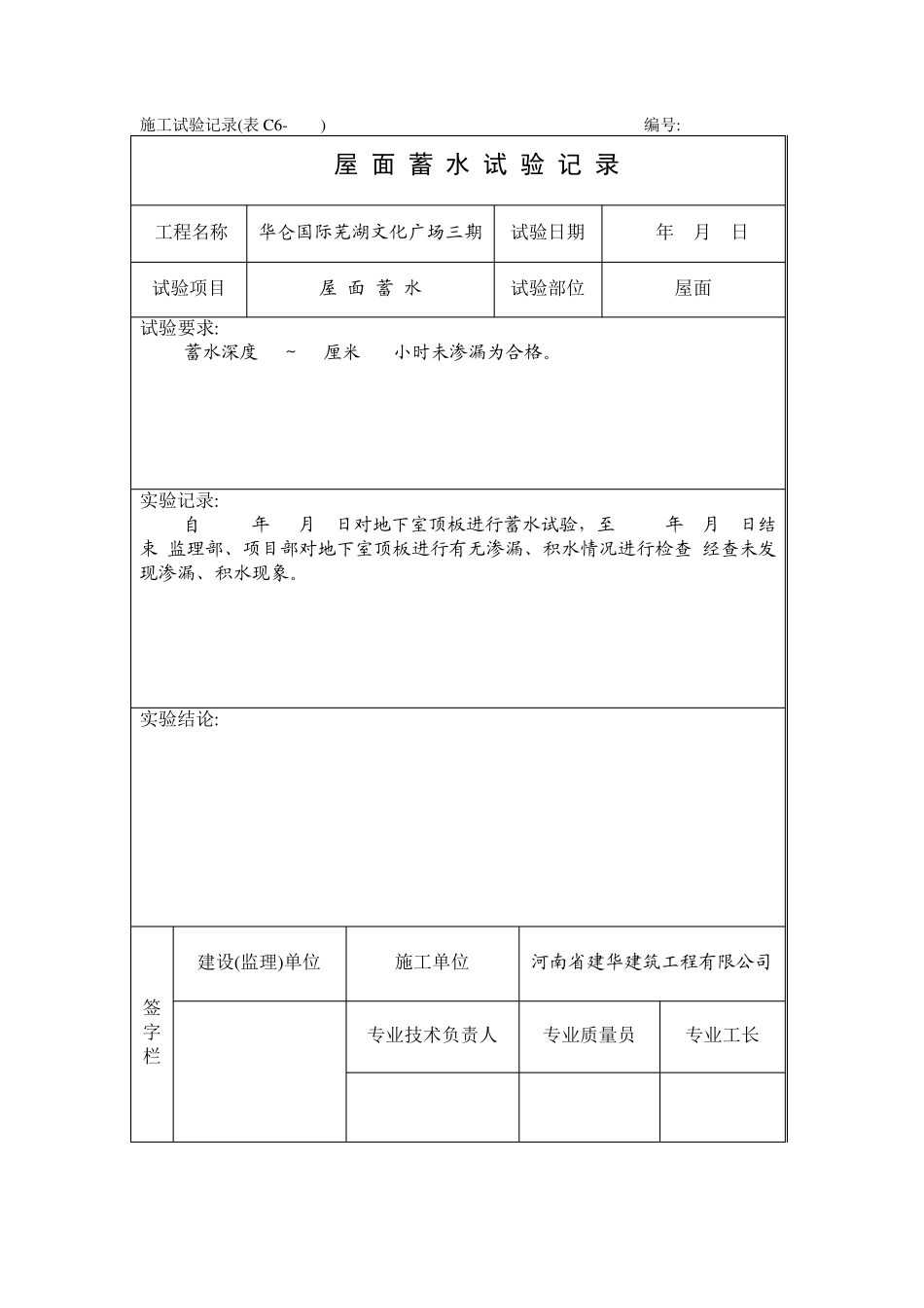
施工试验记录(表C 6- ) 编号: 蓄 水 试 验 记 录 工程名称 金淮北大厦 试验日期 年 月 日 试验项目 蓄 水 试验部位 3022 厨、卫 试验要求: 蓄水深度20~30mm,24小时未渗漏为合格。 实验记录: 将厨、卫间所有的排水口封堵密实,蓄水24小时,蓄水深度为25MM。(最浅处不小于 20MM),蓄水时间从 7时开始,间隔 6小时查看一次。均无渗漏,满 24小时后,对厨卫间地面及周边进行全面的检查并到下一层观察排水管道周围无渗漏。 实验结论: 现场查看蓄水试验,经 24 小时后检查,无渗漏现象。 签字栏 建设(监理)单位 施工单位 实事集团建设工程有限公司 专业技术负责人 专业质量员 专业工长 施工试验记录(表C 6- ) 编号: 屋 面 蓄 水 试 验 记 录 工程名称 华仑国际芜湖文化广场三期 试验日期 年 月 日 试验项目 屋 面 蓄 水 试验部位 屋面 试验要求: 蓄水深度20~30厘米,24小时未渗漏为合格。 实验记录: 自2011年 月 日对地下室顶板进行蓄水试验,至2011年 月 日结束.监理部、项目部对地下室顶板进行有无渗漏、积水情况进行检查.经查未发现渗漏、积水现象。 实验结论: 签字栏 建设(监理)单位 施工单位 河南省建华建筑工程有限公司 专业技术负责人 专业质量员 专业工长 施工试验记录(表C 6- 22 ) 编号: 通 球 试 验 记 录 工程名称 华仑国际(芜湖)文化广场(商业部分) 试验日期 2015 年 5 月 20 日 试验项目 给排水 试验部位 一至五层 管 径 160 球 径 大于管径 2/3 试验要求: 根据GB50242-2002第5.2.5条规定:排水主立管及水平干管管道应做通球试验,管道试球直径不小于排水管道管径的2/3,应采用球体轻,易击碎的空心球体进行,通球率必须达到100%.排水立管应自立管顶部将试球投入,在立管底部引出水管的出口处进行检查;横干管及引出管应将试球在检查管管段的始端投入,通水冲至引出管末端排出,以试球畅通无阻为合格。 实验记录: 从上午 14时 00分至15时 20分, 14时 45分至14时 50分,分别在立管顶部投球,试球采用硬质空心塑料球,球径为管径的2/3,在首层检查口检查;水平管从始端清扫口投球,冲水后在室外检查井处截取试球,均畅通无阻。 实验结论: 签字栏 建设(监理)单位 施工单位 曙光建设有限公司 专业技术负责人 专业质量员 专业工长 施工试验记录(表C6- 22 ) 编号: 通 水 试 验 记 录 工程名称 华...

1、当您付费下载文档后,您只拥有了使用权限,并不意味着购买了版权,文档只能用于自身使用,不得用于其他商业用途(如 [转卖]进行直接盈利或[编辑后售卖]进行间接盈利)。
2、本站所有内容均由合作方或网友上传,本站不对文档的完整性、权威性及其观点立场正确性做任何保证或承诺!文档内容仅供研究参考,付费前请自行鉴别。
3、如文档内容存在违规,或者侵犯商业秘密、侵犯著作权等,请点击“违规举报”。

碎片内容

水电试验记录汇总

您可能关注的文档

确认删除?
VIP
微信客服
  • 扫码咨询
会员Q群
  • 会员专属群点击这里加入QQ群
客服邮箱
回到顶部