电脑桌面
添加小米粒文库到电脑桌面
安装后可以在桌面快捷访问

水表的结构和工作原理

水表的结构和工作原理_第1页
1/43
水表的结构和工作原理_第2页
2/43
水表的结构和工作原理_第3页
3/43
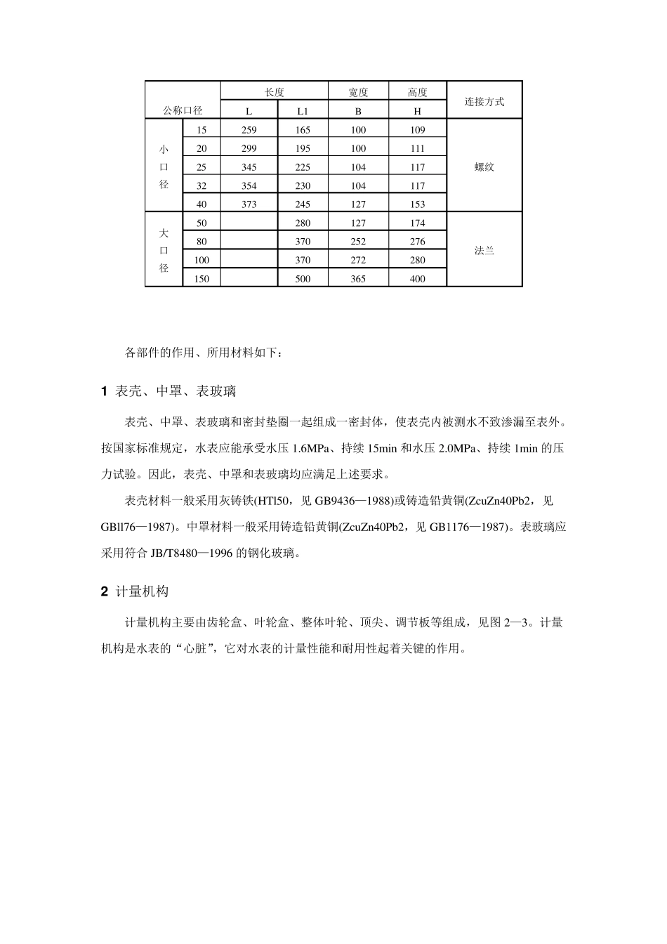
水表的结构和工作原理 第一节 旋翼式水表 旋翼式水表是速度式水表的一种,是世界上用得最多的水表品种。 在国家标准中,速度式水表的定义为“安装在封闭管道中,由一个动力元件组成,并由水流速直接使其获得运动的一种水表”。当水流通过水表时,驱动叶轮(旋翼或螺翼)旋转,而水流的流速与叶轮的转速成正比,因水流驱动叶轮处喷口的截面积为常数,故叶轮的转速与流量也成正比。通过叶轮轴上的联动部件与计数机构相连接,使计数机构累积叶轮(旋翼或螺翼)的转数,从而记下通过水表的水量。 一、多流束水表 多流(束)水表:水流通过水表时,有多束(股)水流从叶轮盒四周流人,驱动叶轮旋转。这种水表的公称口径一般为15m m ~150m m 。 旋翼多流束式水表由表壳、中罩、表玻璃、密封垫圈、计量机构、计数机构和滤水网等组成。水流冲击叶轮后,叶轮开始转动,所转圈数通过计数机构累计,记录显示通过水表的水量。见图 2-1 和2-2。 图 2-l 旋翼多流束水表的结构示意图 1-接管;2-连接螺母;3-接管密封垫圈;4-铅封;5-铜丝;6-销子;7-O 形密封垫圈; 8-叶轮计量机构;9-罩子;10-盖子;11-罩子衬垫;12-表壳;1-碗状滤丝网 图2—2 旋翼多流束水表的结构展开图 1-表盖;2-轴销;3-铜罩;4-罩子衬垫;5-表玻璃;6-O 形密封圈;7-计数器;8-防磁环;9-中心齿轮,10-齿轮盒;11-垫圈;12-磁钢座;13-叶轮;14-叶轮盒;15-表壳;16-调节螺钉;17-调节螺钉垫片;18-调节塞;19-滤水网;20-接管垫片;21-接管;22-连接螺母 多流束水表的总体尺寸和连接方式见表 2—1。 表 2—Ⅱ 旋翼式多流束水表的总体尺寸和连接方式 mm 公称口径 长度 宽度 高度 连接方式 L L1 B H 小 口 径 15 259 165 100 109 螺纹 20 299 195 100 111 25 345 225 104 117 32 354 230 104 117 40 373 245 127 153 大 口 径 50 280 127 174 法兰 80 370 252 276 100 370 272 280 150 500 365 400 各部件的作用、所用材料如下: 1 表壳、中罩、表玻璃 表壳、中罩、表玻璃和密封垫圈一起组成一密封体,使表壳内被测水不致渗漏至表外。按国家标准规定,水表应能承受水压1.6MPa、持续15min和水压2.0MPa、持续1min的压力试验。因此,表壳、中罩和表玻璃均应满足上述要求。 表壳材料一般采用灰铸铁(HTl50,见GB9436—1988)或铸造铅黄铜(ZcuZn40Pb2,见GBll76—1987)。中罩材料...

1、当您付费下载文档后,您只拥有了使用权限,并不意味着购买了版权,文档只能用于自身使用,不得用于其他商业用途(如 [转卖]进行直接盈利或[编辑后售卖]进行间接盈利)。
2、本站所有内容均由合作方或网友上传,本站不对文档的完整性、权威性及其观点立场正确性做任何保证或承诺!文档内容仅供研究参考,付费前请自行鉴别。
3、如文档内容存在违规,或者侵犯商业秘密、侵犯著作权等,请点击“违规举报”。

碎片内容

水表的结构和工作原理

您可能关注的文档

确认删除?
VIP
微信客服
  • 扫码咨询
会员Q群
  • 会员专属群点击这里加入QQ群
客服邮箱
回到顶部