电脑桌面
添加小米粒文库到电脑桌面
安装后可以在桌面快捷访问

江苏消防工程施工验收资料实例

江苏消防工程施工验收资料实例_第1页
1/116
江苏消防工程施工验收资料实例_第2页
2/116
江苏消防工程施工验收资料实例_第3页
3/116
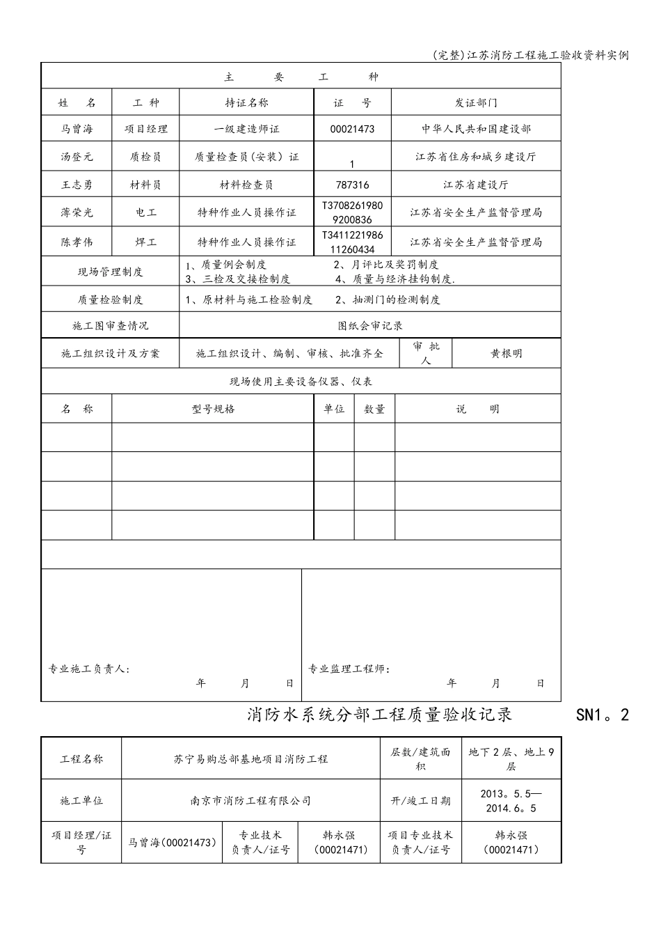
(完整)江苏消防工程施工验收资料实例 消 防 水 系 统 目 录 序 号 编 号 名 称 页 码 备 注 SN。1 工程验收资料 1 SN1.1 消防水系统工程施工现场质量管理记录 2 SN1。2 消防水系统分部工程质量验收记录 3 SN1。3 消防水系统分部工程质量验收记录(统表1) 4 SN1。4 消防水系统分项工程质量验收记录(统表2) 5 SN1。5 消防水系统质量控制资料检查表 6 SN1。6 消防水系统安全和功能检验资料核查及主要功能抽查记录 7 SN1。7 消防水系统观感质量检查记录 工程前期资料 1 开工报告 2 资质证书及人员证件 3 组织设计 SN.2 质量控制资料 1 SN2.1 材料(设备)合格证明文件汇总表 2 SM2。3 管道隐蔽记录 3 SN2。4 管道支、吊架安装记录 4 SN2.10 管道保温验收记录 5 SN2。14 阀门、散热器安装前水压验收记录 6 SN2.15 消防水系统管道强度和严密性水压试验记录 7 SN2.17 消防水系统管道冲洗记录 8 SN2.23 消火栓系统试射试验记录 SN3 工程质量验收记录 1 统表2 给水管道及配件安装分项工程质量验收记录 2 SN3。1。1 给水管道及配件安装工程检验批质量验收记录 3 统表2 室内消火栓系统安装分项工程质量验收记录 4 SN3.1.2 室内消火栓系统安装工程检验批质量验收记录 (完整)江苏消防工程施工验收资料实例 5 统表2 消防给水设备安装分项工程质量验收记录 6 SN3.1.3 消防给水设备安装工程检验批质量验收记录 7 统表2 消防水泵接合器安装分项工程质量验收记录 8 SN3.6。2 消防水泵接合器安装工程检验批质量验收记录 工程竣工验收记录 1 B-26 喷淋系统调试报告 2 C—19 消火栓系统调试报告 3 B-27 喷淋系统自检报告 4 C—20 消火栓系统自检报告 5 12 喷淋系统竣工报告 6 12 消火栓系统竣工报告 消防水系统工程施工现场质量管理记录 SN1。 1 工程名称 苏宁易购总部基地项目消防工程 施工许可证号 / 建设单位 江苏昌祺贸易有限公司 项目负责人 孔卫东 设计单位 南京长江都市建筑设计股份有限公司 项目负责人 陈元俊 监理单位 南京普兰宁建设工程咨询有限公司 施工单位 南京市消防工程有限公司 (完 整 )江 苏 消 防 工 程 施 工 验 收 资 料 实 例 主 要 工 种 姓 名 工 种 持 证 名 称 证 号 发 证 部 门 马 曾 海 项 目 经 理 一 级 建 造 师 证 00021473 中 华...

1、当您付费下载文档后,您只拥有了使用权限,并不意味着购买了版权,文档只能用于自身使用,不得用于其他商业用途(如 [转卖]进行直接盈利或[编辑后售卖]进行间接盈利)。
2、本站所有内容均由合作方或网友上传,本站不对文档的完整性、权威性及其观点立场正确性做任何保证或承诺!文档内容仅供研究参考,付费前请自行鉴别。
3、如文档内容存在违规,或者侵犯商业秘密、侵犯著作权等,请点击“违规举报”。

碎片内容

江苏消防工程施工验收资料实例

您可能关注的文档

确认删除?
VIP
微信客服
  • 扫码咨询
会员Q群
  • 会员专属群点击这里加入QQ群
客服邮箱
回到顶部