电脑桌面
添加小米粒文库到电脑桌面
安装后可以在桌面快捷访问

江苏省建筑施工省级文明工地现场安全考核评分表(装饰工程)VIP专享

江苏省建筑施工省级文明工地现场安全考核评分表(装饰工程)_第1页
1/6
江苏省建筑施工省级文明工地现场安全考核评分表(装饰工程)_第2页
2/6
江苏省建筑施工省级文明工地现场安全考核评分表(装饰工程)_第3页
3/6
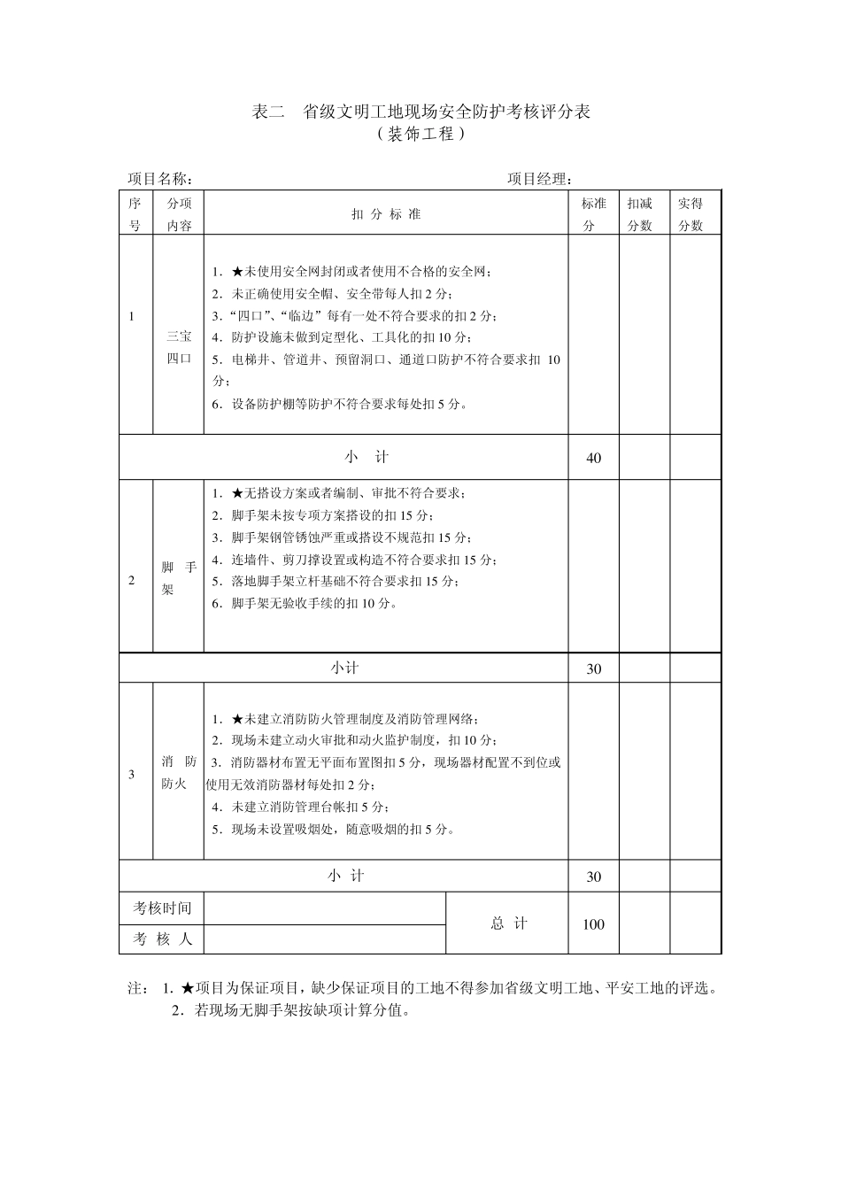
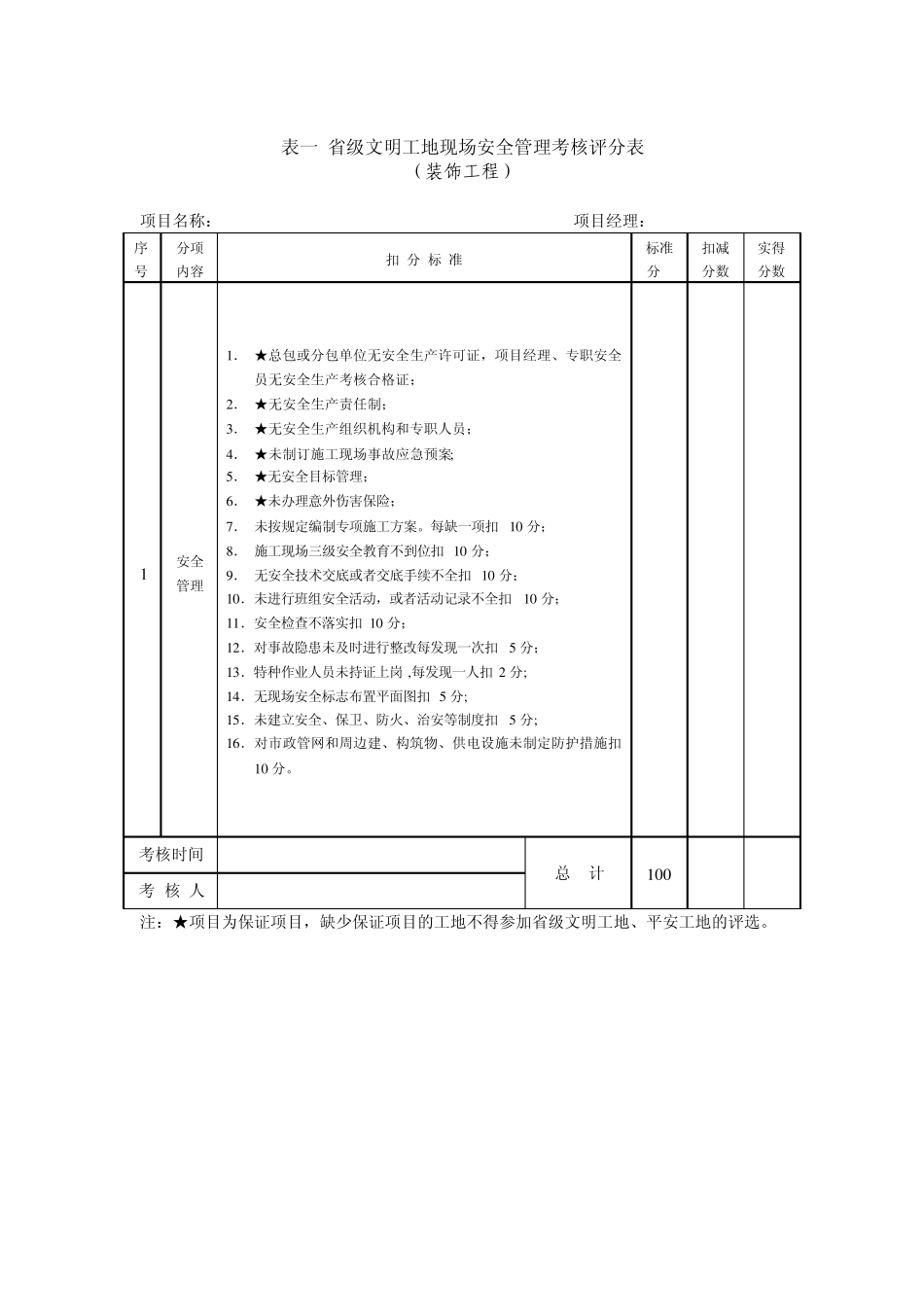
附表3 江苏省省级文明工地现场考核汇总表 (装饰工程) 工程名称 建筑面积 工程地点 结构层次 申报单位 项目经理 建设单位 形象进度 监理单位 总监姓名 安全管理 (20分) 安全防护与消防防火 (20分) 临时用电和施工机具 (15分) 文明施工 (20分) 平安创建 (15分) 管理人员安全知识考试 (10分) 总计得分: 评语: 现场考核组组长(签字) 现场考核组成员(签字) 现场考核时间 表一 省级文明工地现场安全管理考核评分表 (装饰工程) 项目名称: 项目经理: 序号 分项内容 扣 分 标 准 标准 分 扣减分数 实得分数 1 安全管理 1. ★总包或分包单位无安全生产许可证,项目经理、专职安全员无安全生产考核合格证; 2. ★无安全生产责任制; 3. ★无安全生产组织机构和专职人员; 4. ★未制订施工现场事故应急预案; 5. ★无安全目标管理; 6. ★未办理意外伤害保险; 7. 未按规定编制专项施工方案。每缺一项扣10 分; 8. 施工现场三级安全教育不到位扣10 分; 9. 无安全技术交底或者交底手续不全扣10 分; 10.未进行班组安全活动,或者活动记录不全扣10 分; 11.安全检查不落实扣10 分; 12.对事故隐患未及时进行整改每发现一次扣5 分; 13.特种作业人员未持证上岗 ,每发现一人扣2 分; 14.无现场安全标志布置平面图扣5 分; 15.未建立安全、保卫、防火、治安等制度扣5 分; 16.对市政管网和周边建、构筑物、供电设施未制定防护措施扣10 分。 考核时间 总 计 100 考 核 人 注:★项目为保证项目,缺少保证项目的工地不得参加省级文明工地、平安工地的评选。 表二 省级文明工地现场安全防护考核评分表 (装饰工程) 项目名称: 项目经理: 序号 分项内容 扣 分 标 准 标准 分 扣减 分数 实得 分数 1 三宝四口 1 .★未使用安全网封闭或者使用不合格的安全网; 2 .未正确使用安全帽、安全带每人扣2 分; 3 .“四口”、“临边”每有一处不符合要求的扣2 分; 4 .防护设施未做到定型化、工具化的扣1 0 分; 5 .电梯井、管道井、预留洞口、通道口防护不符合要求扣1 0分; 6 .设备防护棚等防护不符合要求每处扣5 分。 小 计 4 0 2 脚手架 1 .★无搭设方案或者编制、审批不符合要求; 2 .脚手架未按专项方案搭设的扣1 5 分; 3 .脚手架钢管锈蚀严重或搭设不规范扣1 5 分; ...

1、当您付费下载文档后,您只拥有了使用权限,并不意味着购买了版权,文档只能用于自身使用,不得用于其他商业用途(如 [转卖]进行直接盈利或[编辑后售卖]进行间接盈利)。
2、本站所有内容均由合作方或网友上传,本站不对文档的完整性、权威性及其观点立场正确性做任何保证或承诺!文档内容仅供研究参考,付费前请自行鉴别。
3、如文档内容存在违规,或者侵犯商业秘密、侵犯著作权等,请点击“违规举报”。

碎片内容

江苏省建筑施工省级文明工地现场安全考核评分表(装饰工程)

确认删除?
VIP
微信客服
  • 扫码咨询
会员Q群
  • 会员专属群点击这里加入QQ群
客服邮箱
回到顶部