电脑桌面
添加小米粒文库到电脑桌面
安装后可以在桌面快捷访问

汽车技术总监东方之子电路图1

汽车技术总监东方之子电路图1_第1页
1/10
汽车技术总监东方之子电路图1_第2页
2/10
汽车技术总监东方之子电路图1_第3页
3/10
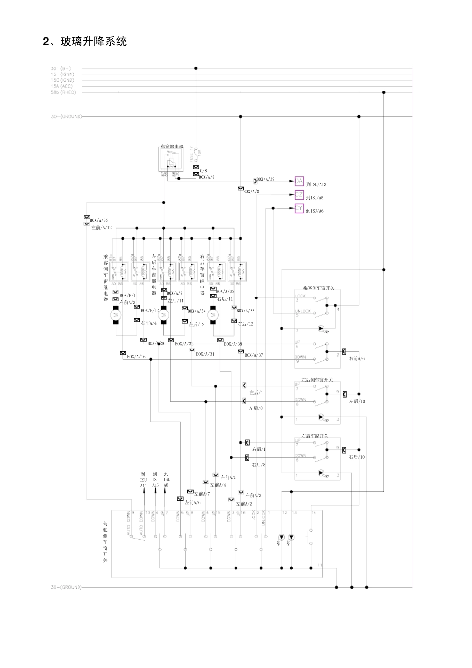
第三章 控制原理图 1 、充电启动系统 C/5C/1蓄电池P/N档继电器档位开关启动机发电机点火开关左A/D/5TCU/2/12BOX/A/6ECU/1/12到仪表16#右A/B/8ECU/1/2BOX/A/29ECU/1/1K12BOX/A/33ECU 2 、玻璃升降系统 左前/A/12BOX/A/36BOX/A/39BOX/A/8C/8BOX/A/8右后车窗开关左后侧车窗开关乘客侧车窗开关驾驶侧车窗开关右后车窗继电器左后车窗继电器乘客侧车窗继电器车窗继电器右后/10右前A/6左后/10左后/1左后/8右后/1右后/8左前A/2左前A/3左前A/5左前A/4左前A/7左前A/6BOX/A/37BOX/A/38BOX/A/31BOX/A/32BOX/A/16BOX/A/26BOX/A/35右后/12BOX/A/35右后/11左后/12BOX/A/34BOX/A/7左后/11BOX/B/12右前A/4右前A/3BOX/B/11到ISU/A6到ISU/A5到ISU/A13到ISUA8到ISUA15到ISUA11 6 、天窗、电动遮阳帘系统 天窗系统电动遮阳帘系统仪表 27#电动遮阳帘开关钥匙开关信号天窗开关电机电机倒档信号右前B/1到折叠模块/5顶灯/7CE BOX/A/17左A/D/20左A/D/2F/14右A/D/13顶灯/1顶灯/2右A/D/12F/7顶灯/8 9 、发动机电喷系统 到P/N档继电器倒诊断口16#倒诊断口1#倒诊断口7#故障灯转速信号空气流量计节气门位置传感器 水温传感器 2# 诊断口 动力转向开关后氧传感器前氧传感器怠速部进电机曲轴位置传感器凸轮轴位置传感器车速传感器喷油器炭罐电磁阀点火系统油泵油泵继电器发动机继电器到P/N档继电器到TCU45#右A/B/12TCU/2/8仪空/13ECU/2/14ECU/2/13到空调控制模块ECU/1/5到仪表27#高低压开关仪空/2ECU/2/5到TCU69#TCU/1/7到TCU33#TCU/1/8ECU/2/4到TCU10#ECU/2/10TCU/1/15K/1ECU/1/3到空调控制模块到空调继电器到风扇模块ECU/1/4K/2P/4到TCU53#到TCU54#ECU/2/11ECU/2/12TCU/1/17TCU/1/18ECU/2/2ECU/2/3到仪表10#到仪表20#到TCU23#到TCU38#ECU/2/18ECU/2/17ECU/2/16ECU/1/13ECU/2/7ECU/2/8ECU/2/9TCU/1/13爆震传感器ECU/2/1L13ECU/1/15K9K15ECU/1/16ECU/1/13K8K16ECU/1/11ECU/1/7K3到发电机2#到发电机4#M/T 1 0 、变速箱系统 倒档信号刹车信号到仪表B5到仪表B6到仪表B7到仪表B8油 温 传 感 器电 磁 阀A/T继 电 器转 速 输 入转 速 输 出档位 开 关3# 诊 断 口左 A/C/6TCU/2/14到ECU86#到ECU24#到ECU89#到ECU84#到ECU59#到ECU7#到ECU56#到诊断口7#到ECU80#TCU/2/6左 A/C/16TCU/2/13TCU/1/14TCU/1/13TCU/1/12TCU/1/11到仪 表 B3到仪 表 B4到仪 表 B2到仪 表 B1TCU/1/2TCU/1/3TCU/1/4TCU/2/1CE BOX/C/2CE BOX/C/18TCU/2/5TCU/2/4左 ...

1、当您付费下载文档后,您只拥有了使用权限,并不意味着购买了版权,文档只能用于自身使用,不得用于其他商业用途(如 [转卖]进行直接盈利或[编辑后售卖]进行间接盈利)。
2、本站所有内容均由合作方或网友上传,本站不对文档的完整性、权威性及其观点立场正确性做任何保证或承诺!文档内容仅供研究参考,付费前请自行鉴别。
3、如文档内容存在违规,或者侵犯商业秘密、侵犯著作权等,请点击“违规举报”。

碎片内容

汽车技术总监东方之子电路图1

您可能关注的文档

确认删除?
VIP
微信客服
  • 扫码咨询
会员Q群
  • 会员专属群点击这里加入QQ群
客服邮箱
回到顶部