电脑桌面
添加小米粒文库到电脑桌面
安装后可以在桌面快捷访问

汽车电路系统设计规范

汽车电路系统设计规范_第1页
1/15
汽车电路系统设计规范_第2页
2/15
汽车电路系统设计规范_第3页
3/15
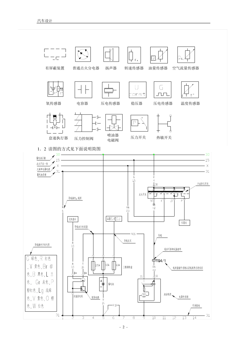
汽车设计 - 1 - 汽车电路系统设计规范 一、 制图标准的制定: 1. 1 电器符号的定义: 电气图形符号、诊断系统图形符号世界各大公司所用不尽相同,我们根据 ISO7639、DIN40900 以及美、日主要汽车公司常用符号制定奇瑞公司的电气图形符号库,若有新的器件没有相应的符号可以根据需要经电器部相关设计人员讨论通过后添加到该库里,以不断丰富更新符号库。 可拆式插接器点火线圈电磁继电器可变电阻器天线大电流熔断丝仪表平板易熔丝电阻器开关位置接地多位手动开关火花塞机械操纵式开关加热元件灯泡交流发电机电动阀电动机导线交叉熔断丝蓄电池半导体二极管永久性导线接头中电流熔断丝温度表屏蔽导线手动开关喇叭时钟导线横断面 导线颜色转速表固态继电器线速度指示器V固体电路手动多位开关汽车设计 - 2 - 1 .2 读图的方式见下面说明简图 压力开关转速传感器怠速执行器有屏蔽装置普通点火分电器压力控制阀喷油器电磁阀扬声器热敏开关油量传感器空气流量传感器λ氧传感器电容器 压电传感器稳压器压电传感器温度传感器TQ4/1汽车设计 - 3 - 电路图的读图方式一般有正向读图和反向读图两种方法。正向读图一般是设计开发时计算电流分配,负荷计算时使用的一种思路、设计方法;反向读图一般是电路故障检修或优化局部电路时常用的方法,和正向读图方法基本相反。 正向读图法:由电源——电流分配盒——保险丝——控制开关——控制模块输入——控制模块输出——线路分流——用电设备(执行机构)——地。 二、 整车电器开发设计输入 根据公司开发车型的市场定位、级别以及市场相关车型比较,电器项目负责人编制出VTS(Vehicle Techn ical Sp ecify )报公司审批,批准后的VTS 表作为整车电器开发的设计输入,各专业组根据 VTS 要求编写详细的产品功能定义,技术要求。 三、 单元电路设计格式规范 3.1 功能定义:①根据 VTS 的要求讨论并制定主要单元电路、电器件零部件组成,比如空调需要确定蒸发器结构类型、风门控制机构数量、传感器数量、电子调速器、压缩机类型、冷凝器类型等,并应开始 编制初 级 BOM表; ② 电器件的额 定电压、工 作电压范围 、额 定功率 的确定; ③ 额 定工 作电流、最 大 工 作电流(电机阻 转 状 态 )、静 态 耗 电电流的确定(≤ 3mA)。 3.2 电路原 理 图:根据各单元的功能确定需要整车输入的哪 些 信 号 ,输出哪 些 信 号 ,信 号 ...

1、当您付费下载文档后,您只拥有了使用权限,并不意味着购买了版权,文档只能用于自身使用,不得用于其他商业用途(如 [转卖]进行直接盈利或[编辑后售卖]进行间接盈利)。
2、本站所有内容均由合作方或网友上传,本站不对文档的完整性、权威性及其观点立场正确性做任何保证或承诺!文档内容仅供研究参考,付费前请自行鉴别。
3、如文档内容存在违规,或者侵犯商业秘密、侵犯著作权等,请点击“违规举报”。

碎片内容

汽车电路系统设计规范

您可能关注的文档

确认删除?
VIP
微信客服
  • 扫码咨询
会员Q群
  • 会员专属群点击这里加入QQ群
客服邮箱
回到顶部