电脑桌面
添加小米粒文库到电脑桌面
安装后可以在桌面快捷访问

沥青配合比报告

沥青配合比报告_第1页
1/15
沥青配合比报告_第2页
2/15
沥青配合比报告_第3页
3/15
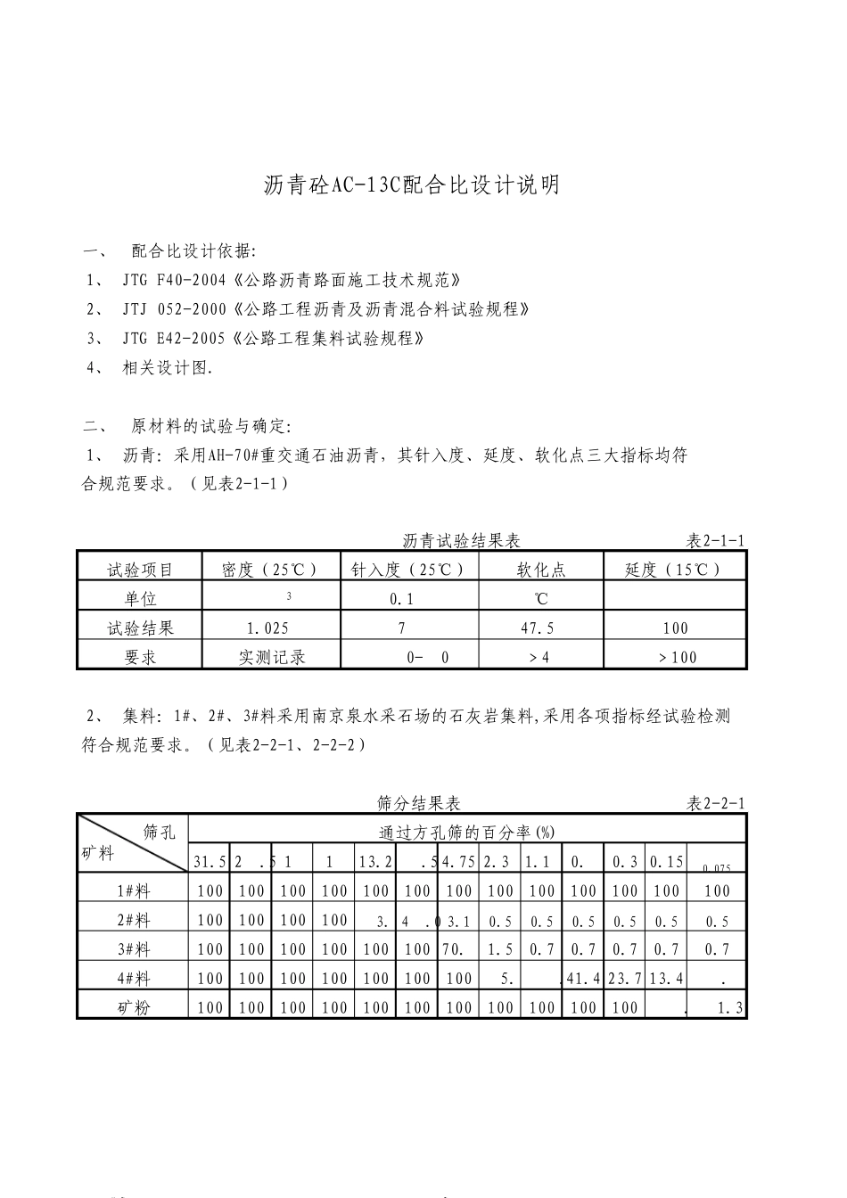
::::AC-13C沥青混凝土混合料配合比设计报告施工单位宁波杭州湾新区滨海沥青有限公司宁波杭州湾新区滨海沥青有限公司试验室二零 年 月合同号分项工程沥青路面上面层混合料种 类AC-13C沥青砼AC-13C配合比设计说明 筛孔矿料98.681.3100100100100100100矿粉10010010010010095.868.941.4 23.7 13.49.80.70.74#料100100100100100100100100 70.81.50.70.70.73#料1001001001001000.50.50.50.50.50.51001002#料100100100100 93.848.0 3.11001001001001001001#料1001001001001002.361.180.6 0.3 0.150.075符合规范要求。(见表2-2-1、2-2-2) 筛分结果表 表2-2-1通过方孔筛的百分率(%)31.5 26.5 1916 13.2 9.5 4.75要求实测记录60-80﹥46﹥1002、集料:1#、2#、3#料采用南京泉水采石场的石灰岩集料,采用各项指标经试验检测单位g/cm30.1mm℃cm试验结果1.0257647.51001、沥青:采用AH-70#重交通石油沥青,其针入度、延度、软化点三大指标均符合规范要求。(见表2-1-1)沥青试验结果表 表2-1-1试验项目密度(25℃)针入度(25℃)软化点延度(15℃)3、JTG E42-2005《公路工程集料试验规程》4、相关设计图.二、 原材料的试验与确定:一、 配合比设计依据:1、JTG F40-2004《公路沥青路面施工技术规范》2、JTJ 052-2000《公路工程沥青及沥青混合料试验规程》表观密度(g/cm3)含水量(%)外观亲水系数试验项目0.075 0.15 0.3 0.6 1.18 2.36 4.75 9.5 13.2 16 19 26.5 0.075 0.15 0.3 0.6 1.18 2.36 4.75 9.5 13.2 16配合比,绘制设计级配曲线,分别位于工程设计级配范围的上方、中值及下方。矿 料 级 配 曲 线 表3-1-1三、 目标配合比设计1、 矿料配合比设计 从料场的料堆上下左右四个方向用装载车取样,并进行干拌后,取代表性样品,进行矿料配合比设计。根据设计图纸要求,在设计级配范围内计算1~3组粗细不同的无团粒结块0.85要求>2.5<110090~10075~100无团粒结块<1试验结果2.691-10098.681.34、 填料:采用泉水生产的矿粉,各项指标均符合规范要求。各项指标符合规范要求(见表2-3-1) 矿粉试验结果表 表2-3-1粒度范围(%)<0.6mm<0.15mm<0.075mm3# 料2.6652.6380.384# 料2.7152.6361.101#1.0001.0000.002# 料2.6672.6500.23矿料试验结果表 表2-2-2矿料表观相对密度(g/cm3)毛体积密度(g/cm3)吸水率(%)0 10 20 30 40 50 60 70 80 90 100 配合比AC-13马歇尔试验各项指标曲线图及油石比计...

1、当您付费下载文档后,您只拥有了使用权限,并不意味着购买了版权,文档只能用于自身使用,不得用于其他商业用途(如 [转卖]进行直接盈利或[编辑后售卖]进行间接盈利)。
2、本站所有内容均由合作方或网友上传,本站不对文档的完整性、权威性及其观点立场正确性做任何保证或承诺!文档内容仅供研究参考,付费前请自行鉴别。
3、如文档内容存在违规,或者侵犯商业秘密、侵犯著作权等,请点击“违规举报”。

碎片内容

沥青配合比报告

您可能关注的文档

确认删除?
VIP
微信客服
  • 扫码咨询
会员Q群
  • 会员专属群点击这里加入QQ群
客服邮箱
回到顶部