电脑桌面
添加小米粒文库到电脑桌面
安装后可以在桌面快捷访问

沸石转轮技术综述

沸石转轮技术综述_第1页
1/47
沸石转轮技术综述_第2页
2/47
沸石转轮技术综述_第3页
3/47
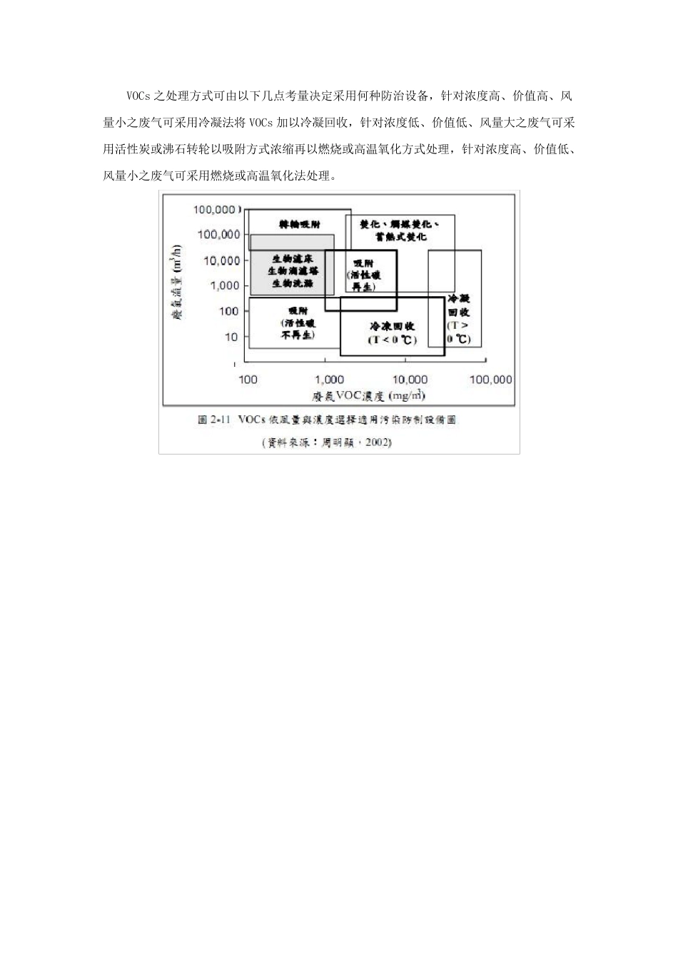
沸石转轮技术综述 一、VOCs 治理技术 现今处理有害空气污染物技术分为五项:焚化、吸收处理、吸附处理、生物处理及冷凝(回收)处理。焚化是利用燃料产生的热量直接破坏排放的废气,对污染物进行高温迅速的氧化反应,可将 VOCs 转变为二氧化碳及水等无害物质,吸收是利用吸收液和气体接触时,气流中之污染物扩散至气液接触面,排气中可溶解之污染物会因溶入吸收液而移除,最后再将气液分离即可达到清净空气的目的;吸附是藉由流体和高表面积的多空性固体粒子(吸附剂)之表面接触,产生物理性吸附有机物或其他物质;生物处理是 VOCs 经微生物吸收氧化后,分解成二氧化碳及水等最终代谢产物;冷凝则是藉由冷水冷凝方式,将 VOCs 冷凝下来,各种处理技术的优缺点说明如下: VOCs 之处理方式可由以下几点考量决定采用何种防治设备,针对浓度高、价值高、风量小之废气可采用冷凝法将 VOCs 加以冷凝回收,针对浓度低、价值低、风量大之废气可采用活性炭或沸石转轮以吸附方式浓缩再以燃烧或高温氧化方式处理,针对浓度高、价值低、风量小之废气可采用燃烧或高温氧化法处理。 二、沸石转轮系统简介 该系统系结合吸附、脱附及浓缩焚化三项操作单元为一体,是目前提供防治 VOCs 之较完善设备,但造价及操作维护成本偏高,并不适用于直接处理高沸点挥发性有机物是其限制所在。 较适合每分钟600 立方公尺(CMM)高风量以上、VOCs 之总碳氢化合物浓度介于500-1000ppm 之废气特性厂家应用。但若废气中含有较多量之高沸点物质,则并不适合单独、直接使用此系统处理之。高沸点 VOCs 虽容易吸附于沸石转轮上,但由于系统设计之安全考量,使得脱附高沸点 VOCs 温度不足,所以往往造成脱附不易,且高沸点 VOCs 将蓄积其上、占据吸附位置,影响系统整体效能。若 VOCs 废气中含有较多量之高沸点物质,欲应用沸石吸附浓缩系统控制,建议于进入系统前端加装冷凝器、活性碳网栅及除雾器等设备,如此将可有效处理高沸点 VOCs。 而若是废气中含有高浓度之颗粒,则必须以微粒处理装置设置于沸石转轮之前端,以避免这些颗粒于沸石之蜂巢结构中沉积,其中最简单的微粒过滤装置为单层涂布,但其仅针对较大颗粒之过滤效果较佳,无法有效处理较小粒径之颗粒,因此适用于既设、无空间 之工 厂,其对沸石转轮之寿 命 延 长 仍 然 有限 。而拟 新 设置之工 厂,若能预 留 空间 给 较有效之微粒处理装置(如袋 式 集 尘 装置),方...

1、当您付费下载文档后,您只拥有了使用权限,并不意味着购买了版权,文档只能用于自身使用,不得用于其他商业用途(如 [转卖]进行直接盈利或[编辑后售卖]进行间接盈利)。
2、本站所有内容均由合作方或网友上传,本站不对文档的完整性、权威性及其观点立场正确性做任何保证或承诺!文档内容仅供研究参考,付费前请自行鉴别。
3、如文档内容存在违规,或者侵犯商业秘密、侵犯著作权等,请点击“违规举报”。

碎片内容

沸石转轮技术综述

您可能关注的文档

确认删除?
VIP
微信客服
  • 扫码咨询
会员Q群
  • 会员专属群点击这里加入QQ群
客服邮箱
回到顶部