电脑桌面
添加小米粒文库到电脑桌面
安装后可以在桌面快捷访问

用示波器维修开关电源技法

用示波器维修开关电源技法_第1页
1/6
用示波器维修开关电源技法_第2页
2/6
用示波器维修开关电源技法_第3页
3/6
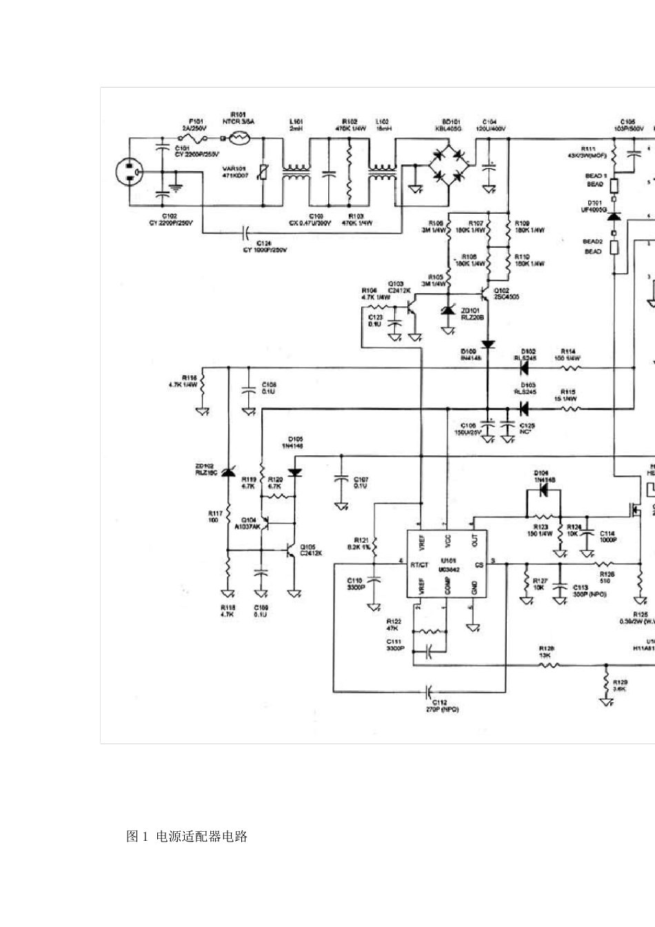
(1)维修开关电源需要测试的波形 液晶显示器开关电源属大电流、高电压电路,也是故障率最高的电路,对于诸如无电压输出、输出电压过高等常见故障,用万用表查找故障不但方便,而且十分快捷,没有必要动用示波器。但是,对于一些开关电源的疑难故障,如屡损开关管及一些软故障等,示波器则可大显身手。通过测试一些关键点的波形,可快速圈定故障范围,查找到故障点。开关电源部分要检查的波形比较少,以图1 所示的电源适配器为例,主要测试的波形有以下几个:①整流滤波以后的波形(C104 正极的波形);②电源控制芯片 UC3842 的4 脚的锯齿波电压波形;③UC3842 的6 脚输出的驱动脉冲波形;④场效应开关管Q101 的漏极(D)和源极(s)波形等,如图2 所示。 图1 电源适配器电路 图2 开关电源电路主要测试波形 C104 正端为整流滤波波形测试点(测试时,示波器应采用直流耦合输进方式),扫描速度开关置10ms/div 挡。开关管Q101 漏极波形比较高,测试时应采用10:1 或100:1 的测摸索头。 (2)开关电源的“热地”和“冷地” 一般而言,并联式开关电源的地有两个,即“热地”和“冷地”。以图 1所示的电路为例,图中的“◇”表示“热地”,这个地是开关电源一次侧的地,和市电地相连,与“热地”相连的底板称为“热底板”;图中的“上”表示“冷地”,这个地是开关电源二次侧的地,和负载相连,与“冷地”相连的底板称为“冷底板”。 “热地”与“冷地”的根本区别,在于机器底板零电位参考点与市电电网有没有“直接的电的联系”。有直接联系的地是“热地”,机内的“热地”对大地存在约一百多伏的电压,假如误触了机内的“热地”以及与“热地”相连的元件,极有可能遭受电击,甚至发生生命危险;相反,“冷地”与市电电网没有“直接的电的联系”,用手触摸“冷地”以及与“冷地”相连的元器件,一般不会触电。 对于串联式开关电源,只有一个“热地”,也就是说,串联式开关电源的一次侧与二次侧是同一个地,都为“热地”。由于液晶显示器通过电缆信号直接与计算机主机相连,因此,液晶显示器的开关电源不能采用串联式开关电源,否则,会使计算机主机带电,这是不答应的。 (3)隔离变压器的应用 从以上分析可知道,液晶显示器开关电源的一次侧“热地”是带电的,因此,在用示波器维修开关电源时,为确保职员、显示器和仪器的安全,建议采用隔离变压器。 隔离变压器是一个一次与二次绕组匝数比为1:1 的变压器。实际上...

1、当您付费下载文档后,您只拥有了使用权限,并不意味着购买了版权,文档只能用于自身使用,不得用于其他商业用途(如 [转卖]进行直接盈利或[编辑后售卖]进行间接盈利)。
2、本站所有内容均由合作方或网友上传,本站不对文档的完整性、权威性及其观点立场正确性做任何保证或承诺!文档内容仅供研究参考,付费前请自行鉴别。
3、如文档内容存在违规,或者侵犯商业秘密、侵犯著作权等,请点击“违规举报”。

碎片内容

用示波器维修开关电源技法

您可能关注的文档

确认删除?
VIP
微信客服
  • 扫码咨询
会员Q群
  • 会员专属群点击这里加入QQ群
客服邮箱
回到顶部