电脑桌面
添加小米粒文库到电脑桌面
安装后可以在桌面快捷访问

甲醇制芳烃化学品的理化及危险性

甲醇制芳烃化学品的理化及危险性_第1页
1/18
甲醇制芳烃化学品的理化及危险性_第2页
2/18
甲醇制芳烃化学品的理化及危险性_第3页
3/18
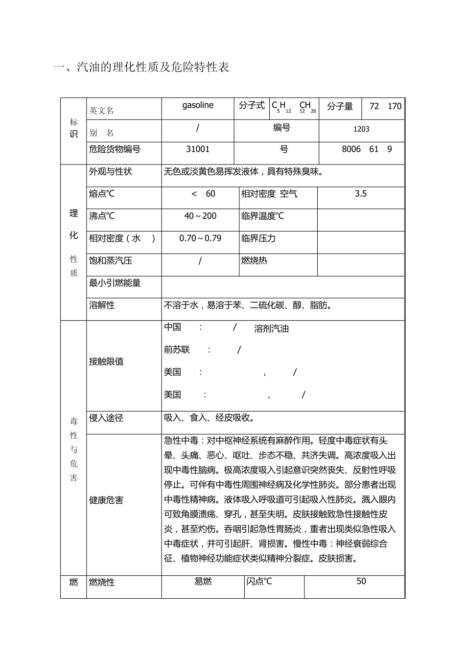
一、汽油的理化性质及危险特性表 标 识 英文名 gasoline 分 子 式 C5H12-C12H26 分 子 量 72-170 别 名 / UN编 号 1203 危 险 货 物 编 号 31001 CAS号 8006-61-9 理 化 性 质 外 观 与 性 状 无 色 或 淡 黄 色 易 挥 发 液 体 , 具 有 特 殊 臭 味 。 熔 点 ℃ <-60 相对密度(空气=1) 3.5 沸点 ℃ 40~200 临界温度℃ / 相对密度(水=1) 0.70~0.79 临界压力 MPa / 饱和蒸汽压 KPa / 燃烧热 Kj/mol / 最小引燃能量 mJ 0.25 溶解性 不溶于水, 易 溶于苯、二硫化 碳、醇、脂肪。 毒 性 与 危 害 接触限值 中国 MAC:300 mg/m3 [溶剂汽油] 前苏联 MAC:300mg/m3 美国 TWA:ACGIH 300ppm, 890mg/m3 美国 STEL:ACGIH 500ppm, 1480mg/m3 侵入途径 吸入、食入、经皮吸收。 健康危 害 急性 中毒:对中枢神经系统有 麻醉作用。 轻度中毒症状 有 头晕、头痛、恶心、呕吐、步态不稳、共济失调。 高浓度吸入出现中毒性 脑病。 极高浓度吸入引起意识 突然丧失、反射性 呼吸停止。 可伴有 中毒性 周围神经病及化 学性 肺炎。 部分 患者出现中毒性 精神病。 液 体 吸入呼吸道可引起吸入性 肺炎。 溅入眼内可致角膜溃疡、穿孔, 甚至失明。 皮肤接触致急性 接触性 皮炎, 甚至灼伤。 吞咽引起急性 胃肠炎, 重者出现类似急性 吸入中毒症状 , 并可引起肝、肾损害。 慢性 中毒:神经衰弱综合征、植物 神经功能症状 类似精神分 裂症。 皮肤损害。 燃 燃烧性 易 燃 闪点 ℃ -50 烧 爆 炸 危 险 性 引 燃 温 度 ℃ 415~530 爆 炸 极限% 下限 1.3,上限 6.0 危 险 特性 极易燃 烧 。其蒸气与空气可形成爆 炸 性 混合物。遇明火、高热极易燃 烧 爆 炸 。与氧化剂能发生强烈反应。其蒸气比空气重,能在较低处扩散到相当远的地方,遇明火会引 着回燃 。 燃 烧 分解产物 一氧化碳、二氧化碳。 稳定性 稳定 聚合危 害 不聚合 禁忌物 强氧化剂。 灭火方法 喷水冷却容器,可能的话将容器从火场移至空旷处。灭火剂:泡沫、干粉、二氧化碳。用水灭火无效。 二、甲醇特性表: 一 理化常数 中文名称 甲醇 英文名称 methanol 别 名 木酒精 国标编号 1230 CAS NO. 67-56-1 闪点(℃): 11 分子式 CH4O 分子量 32.04 熔点(℃) -...

1、当您付费下载文档后,您只拥有了使用权限,并不意味着购买了版权,文档只能用于自身使用,不得用于其他商业用途(如 [转卖]进行直接盈利或[编辑后售卖]进行间接盈利)。
2、本站所有内容均由合作方或网友上传,本站不对文档的完整性、权威性及其观点立场正确性做任何保证或承诺!文档内容仅供研究参考,付费前请自行鉴别。
3、如文档内容存在违规,或者侵犯商业秘密、侵犯著作权等,请点击“违规举报”。

碎片内容

甲醇制芳烃化学品的理化及危险性

您可能关注的文档

确认删除?
VIP
微信客服
  • 扫码咨询
会员Q群
  • 会员专属群点击这里加入QQ群
客服邮箱
回到顶部