电脑桌面
添加小米粒文库到电脑桌面
安装后可以在桌面快捷访问

电力管线施工方案

电力管线施工方案_第1页
1/9
电力管线施工方案_第2页
2/9
电力管线施工方案_第3页
3/9
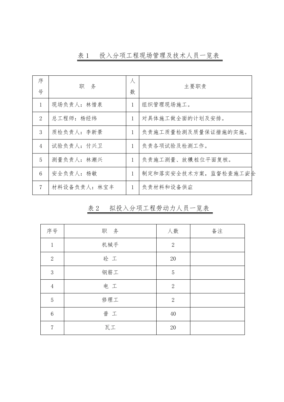
电力管线施工方案 1、工程简介 机场路景观改造及机场南干道改扩建工程中,机场路设计全长960.471 米,电力管线主要在北侧人行道或绿化带中设1.4×1.4 和1.2×1.2 覆土隐蔽式电缆沟.1.4×1.4 的电缆沟与规划中的 110kV 机场二站出线电缆沟顺接;南干道设计全长3.35KM,电力管线主要在西侧人行道中设1.2×1.2 隐蔽式电缆沟.电缆沟与相邻道路顺接。 过路管束如下表: 序号 桩号 管束型式 序号 桩号 管束型式 1 M 0+000 P 3×8SBB150 15 F1+943 P 3×6SBB150 2 M 0+144 P 1×4SBB150 16 F2+094 P 1×6SBB150 3 M 0+334 P 1×4SBB150 17 F2+220 P 3×8SBB150 4 M 0+444 P 2×4SBB150 18 F2+260 P 3×6SBB150 5 过 A、B 匝道 P 3×9SBB150 19 F2+405 P 3×6SBB150 6 M 0+959 P 1×4SBB150 20 F2+557 P 3×8SBB150 7 F0+900 P 1×6SBB150 21 F2+590 P 3×6SBB150 8 F1+060 P 1×6SBB150 22 F2+893 P 3×8SBB150 9 F1+163 P 2×9SBB150 23 F2+950 P 3×6SBB150 10 F1+208 P 2×9SBB150 24 F3+292 P 3×8SBB150 11 F1+484 P 1×6SBB150 25 F3+353 P 3×6SBB150 12 F1+620 P 1×10SBB150 26 F3+644 P 1×6SBB150 13 F1+850 P 1×6SBB150 27 F3+725 P 1×6SBB150 14 F1+905 P 3×8SBB150 28 F3+943 P 1×6SBB150 2、工程数量 机场路工程数量 序号 管束型式 单位 数量 备注 1 1× 4SBB150 m 140 2 2× 4SBB150 m 110 3 3× 8SBB150 m 101 4 3× 9SBB150 m 165 5 4× 7SBB150 m 62 6 2× 14SBB150 m 11 机场南干道 序号 管束型式 单位 数量 备注 1 3× 8SBB150 m 400 砼垫层 2 3× 6SBB150 m 250 砼垫层 3 2× 12SBB150 m 130 砼垫层 4 2× 9SBB150 m 100 砼垫层 5 1× 6SBB150 m 400 砼垫层 3、施工总体部署 3.1 人员安排及组织 项目部管理人员及技术人员均已基本到位,电信管施工队作业人员将根据其它管线施工情况陆续进场,具体人员安排如下: 表1 投入分项工程现场管理及技术人员一览表 序号 职 务 人数 主要职责 1 现场负责人:林惜泉 1 组织管理现场施工。 2 总工程师:杨经纬 1 对具体施工做全面的计划及安排。 3 质检负责人:李新景 1 负责施工质量检测及质量保证措施的实施。 4 试验负责人:付兴卫 1...

1、当您付费下载文档后,您只拥有了使用权限,并不意味着购买了版权,文档只能用于自身使用,不得用于其他商业用途(如 [转卖]进行直接盈利或[编辑后售卖]进行间接盈利)。
2、本站所有内容均由合作方或网友上传,本站不对文档的完整性、权威性及其观点立场正确性做任何保证或承诺!文档内容仅供研究参考,付费前请自行鉴别。
3、如文档内容存在违规,或者侵犯商业秘密、侵犯著作权等,请点击“违规举报”。

碎片内容

电力管线施工方案

确认删除?
VIP
微信客服
  • 扫码咨询
会员Q群
  • 会员专属群点击这里加入QQ群
客服邮箱
回到顶部