电脑桌面
添加小米粒文库到电脑桌面
安装后可以在桌面快捷访问

电力系统综合实验A报告书VIP专享

电力系统综合实验A报告书_第1页
1/22
电力系统综合实验A报告书_第2页
2/22
电力系统综合实验A报告书_第3页
3/22
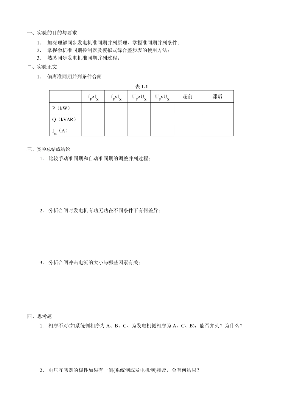
综合实验报告 名 称: 电力系统综合实验 题 目:同步发电机准同期并列实验 院 系:电气与电子工程学院 班 级: 学 号: 学生姓名: 指导教师: 实验周数: 成 绩: 日期: 年 月 日 一、实验的目的与要求 1. 加深理解同步发电机准同期并列原理,掌握准同期并列条件; 2. 掌握微机准同期控制器及模拟式综合整步表的使用方法; 3. 熟悉同步发电机准同期并列过程; 二、实验正文 1. 偏离准同期并列条件合闸 表 1 -1 fF>fX fFUX UFfX 或者fFUX 或者UF

1、当您付费下载文档后,您只拥有了使用权限,并不意味着购买了版权,文档只能用于自身使用,不得用于其他商业用途(如 [转卖]进行直接盈利或[编辑后售卖]进行间接盈利)。
2、本站所有内容均由合作方或网友上传,本站不对文档的完整性、权威性及其观点立场正确性做任何保证或承诺!文档内容仅供研究参考,付费前请自行鉴别。
3、如文档内容存在违规,或者侵犯商业秘密、侵犯著作权等,请点击“违规举报”。

碎片内容

电力系统综合实验A报告书

小辰4+ 关注
实名认证
内容提供者

出售各种资料和文档

确认删除?
微信客服
  • 扫码咨询
会员Q群
  • 会员专属群点击这里加入QQ群