电脑桌面
添加小米粒文库到电脑桌面
安装后可以在桌面快捷访问

电动机常用原理接线图VIP专享

电动机常用原理接线图_第1页
1/26
电动机常用原理接线图_第2页
2/26
电动机常用原理接线图_第3页
3/26
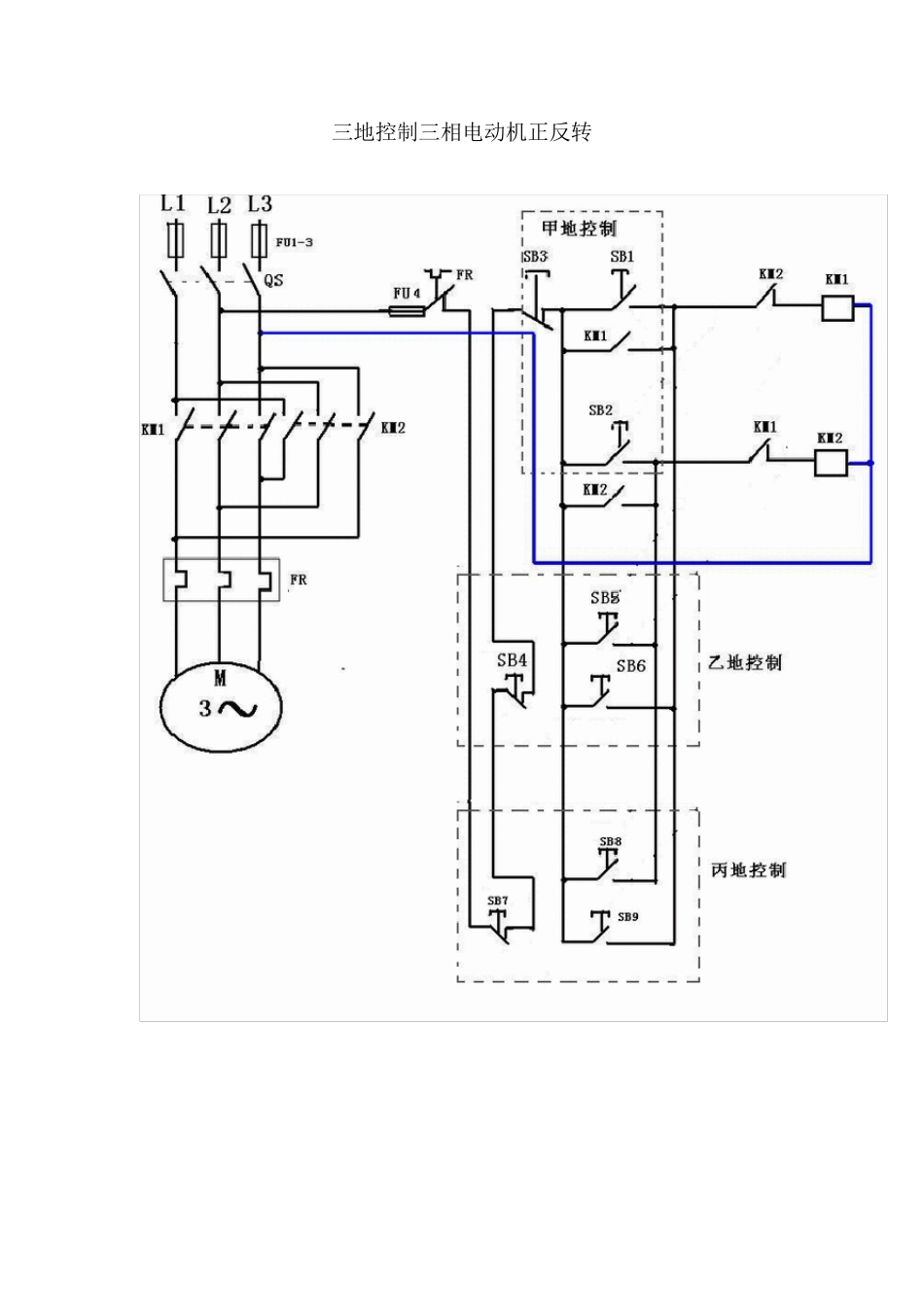
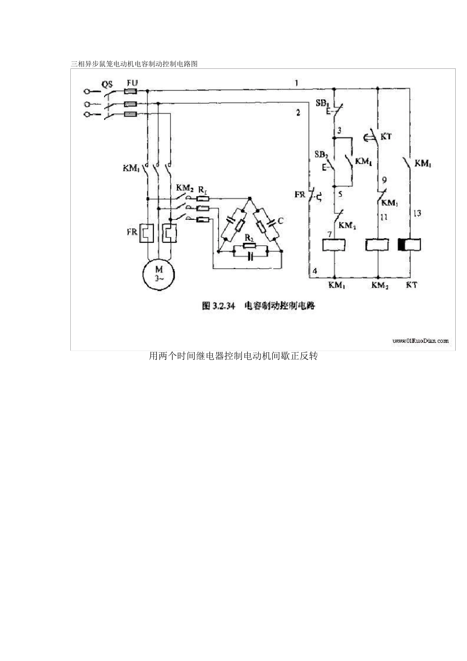
直流电动机正反转 单按钮控制两台电动机顺序启动反序停止 三相异步鼠笼电动机电容制动控制电路图 用两个时间继电器控制电动机间歇正反转 三地控制三相电动机正反转 两地控制一台电动机 频敏变阻启动原理图 用一个时间继电器,和三个按钮,控制一个灯 220 和电机 380,要求电机能自动运行 60 秒停止 接近开关导通后电机停止 接近开关断开后延时 N 秒电机启动 运用时间继电器使电磁铁动作2 秒后复位,经过 3 分钟后动作2 秒后复位,再经过 5 分钟后动作2 秒复位 利用电接点压力表自动控制水泵 两台电动机既可分别启动和停止,也可以同时启动和停止. 正转停止后,必须过预定的时间(如 5S)后才能反转,反转停止后,必须过预定的时间(如 5S)后才能正转 用三个时间继电器控制正反转并要有间隙 三相异步电动机转子串联电阻启动 三相异步电动机启动控制线路图(带故障指示灯) 电机有点动还有正常运行 用3 个继电器控制电动机断相保护 用四个时间继电器控制正反转并要有间隙 点动与长动的正反转控制电路 二台电机按时间顺序起动由时间控制反序停止 缺相保护原理图 原理:运行中的三相380 伏电动机缺一相电源后,变成两相运行,如果运行时间过长则有烧毁电动机的可能。为了防止缺相运行烧毁电动机,可以采用多种保护方案。下图为一种三相电动机断相保护电路,当电动机运行时发生断相后三相电压不平衡,桥式整流则有电压输出,当输出的直流电压达到中间继电器 KA 动作值时,KA 动作,于是与自锁触点串联的常闭触点断开,使 KM 线圈断电其主触头全部释放,电动机停止。 电动机可逆带限位控制电路原理图 控制两台电机,第一台启动后第二台才能启动,第一台停止后第二台才能停止电路图 三台电动机顺序启动反序停止 工作原理 在正常情况下,按下启动按钮SB1,电流通过按钮到时间继电器KT5 的常闭触头KT4-1(因为时间继电器此时没有工作常闭触头KT5-1 是闭合导通的)到交流接触器线圈KM1 形成回路,接触器主触头闭合机械泵得电开始运行,同时接触器辅助触头KM1-1 闭合,接触器长期得电保持、时间继电器KT1 也得电开始计时为旋转阀的启动做准备,当 KT1 达到设定时间后,时间继电器延时闭合的常开触头KT1-1 闭合接通交流接触器KM2 线圈、时间继电器KT2,接触器KM2 主触头闭合,旋转阀得电运行,时间继电器KT2 开始计时为KM3 的启动做准备 同时交流接触器辅助触头KM2-1、KM2-2 动作,KM2-1 闭合,KM2 长期...

1、当您付费下载文档后,您只拥有了使用权限,并不意味着购买了版权,文档只能用于自身使用,不得用于其他商业用途(如 [转卖]进行直接盈利或[编辑后售卖]进行间接盈利)。
2、本站所有内容均由合作方或网友上传,本站不对文档的完整性、权威性及其观点立场正确性做任何保证或承诺!文档内容仅供研究参考,付费前请自行鉴别。
3、如文档内容存在违规,或者侵犯商业秘密、侵犯著作权等,请点击“违规举报”。

碎片内容

电动机常用原理接线图

确认删除?
VIP
微信客服
  • 扫码咨询
会员Q群
  • 会员专属群点击这里加入QQ群
客服邮箱
回到顶部