电脑桌面
添加小米粒文库到电脑桌面
安装后可以在桌面快捷访问

电动阀门调试

电动阀门调试_第1页
1/6
电动阀门调试_第2页
2/6
电动阀门调试_第3页
3/6
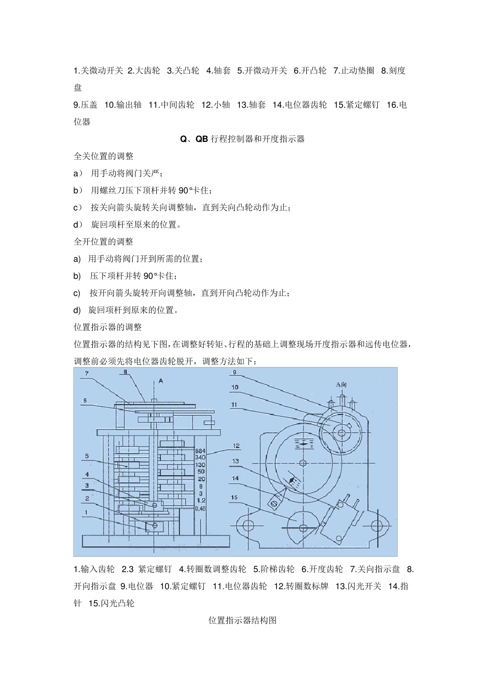
Q 型部分回转电动阀门调试 Q 普通型电装的调整 电动装置与阀门组装后,必须对转矩控制器、行程控制器、开度指示器分别进行调整,方可使用。 调整前,必须检查开度指示器上的电位器齿轮是否已脱开(把电位器齿轮的紧定螺钉松开即可)以防损坏;检查电机的旋向,控制线路是否正确,以防电机失控。 Q、QB 电装的调整 Q、QB 电装的转矩控制器、行程控制器及开度指示器相同,故调整方法一样。 力矩控制器的调整 1.圆齿条 2.齿轴 3.开向微动开关 4.开向凸轮 5.关向微动开关 6.关向凸轮 7.螺钉 力矩控制器在出厂前已根据订货要求调整好,并填在产品合格证上,一般不需再调整。若需调整,只要松开螺钉,微微拔动开、关向凸轮,再将螺钉固紧,先调关向,后调开向。 行程控制器和开度指示器的调整 行程控制器和开度指示器的结构见图,调整前必须松开电位器齿轮的紧定螺钉。 1.关微动开关 2.大齿轮 3.关凸轮 4.轴套 5.开微动开关 6.开凸轮 7.止动垫圈 8.刻度盘 9.压盖 10.输出轴 11.中间齿轮 12.小轴 13.轴套 14.电位器齿轮 15.紧定螺钉 16.电位器 Q、QB 行程控制器和开度指示器 全关位置的调整 a) 用手动将阀门关严; b) 用螺丝刀压下顶杆并转 90°卡住; c) 按关向箭头旋转关向调整轴,直到关向凸轮动作为止; d) 旋回项杆至原来的位置。 全开位置的调整 a) 用手动将阀门开到所需的位置; b) 压下项杆并转 90°卡住; c) 按开向箭头旋转开向调整轴,直到开向凸轮动作为止; d) 旋回项杆到原来的位置。 位置指示器的调整 位置指示器的结构见下图,在调整好转矩、行程的基础上调整现场开度指示器和远传电位器,调整前必须先将电位器齿轮脱开,调整方法如下: 1.输入齿轮 2.3 紧定螺钉 4.转圈数调整齿轮 5.阶梯齿轮 6.开度齿轮 7.关向指示盘 8.开向指示盘 9.电位器 10.紧定螺钉 11.电位器齿轮 12.转圈数标牌 13.闪光开关 14.指针 15.闪光凸轮 位置指示器结构图 a)手动转圈数调整齿轮至所需的转圈数位置; b)手动或电动关闭阀门; c)转动关指示盘使关向标志对准指针; d)用钳子夹住电位器转轴,面对刻度盘,逆时针转动电位器轴接近终端位置,然后拧紧电位器齿轮的紧定螺钉; e)电动或手动操作阀门到全开位置,保持关向刻度盘不动,转动开指示盘使开向标志对准指针; f)电动操作阀门检查闪光灯,阀门开的过程中红灯闪光,全开时红灯长亮;阀门关闭过程中绿灯闪光,关到位时...

1、当您付费下载文档后,您只拥有了使用权限,并不意味着购买了版权,文档只能用于自身使用,不得用于其他商业用途(如 [转卖]进行直接盈利或[编辑后售卖]进行间接盈利)。
2、本站所有内容均由合作方或网友上传,本站不对文档的完整性、权威性及其观点立场正确性做任何保证或承诺!文档内容仅供研究参考,付费前请自行鉴别。
3、如文档内容存在违规,或者侵犯商业秘密、侵犯著作权等,请点击“违规举报”。

碎片内容

电动阀门调试

确认删除?
VIP
微信客服
  • 扫码咨询
会员Q群
  • 会员专属群点击这里加入QQ群
客服邮箱
回到顶部