电脑桌面
添加小米粒文库到电脑桌面
安装后可以在桌面快捷访问

电器行业物料编码规则

电器行业物料编码规则_第1页
1/24
电器行业物料编码规则_第2页
2/24
电器行业物料编码规则_第3页
3/24
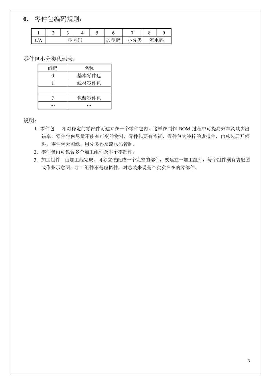
1 物料编码规则 总则: 本规则规定物料编码的编制方法,可为本厂的物料检索提供方便。它具有相关性、扩充性、精确性、简单性、方便性、可用性、有意义性。 物料料号编码原则分为九大类:0)零件包、1)电源线、2)组件、3)塑胶、4)通用标准件、5)五金、6)电子电器件、7)包装材料、8)原材料、辅料、9)成品。码位视物料特性而定,最长15 位。 ★ 大分类码表 注:如物料满足 ROHS认证要求,大分类码用大写字母表示,否则用数字. ★ 字符的使用 为满足公司不断发展的需要,物料编码必须具有严密的相关性、相对的扩充性。BOM 中的物料编码使用阿拉伯数字与英文字母(O 除外)混合使用,某一规则的变化超出数字时用字母延续变化,码位维持不变。为检索之方便,编码的前部用数字后部才用字母。当物料编码前为字母时,表示此种物料满足欧盟环保安规要求. ★ 物料名称及型号规格 所有物料的名称、型号规格及材料(或主要参数)必须描述清楚。凡涉及模具的材料必须使用规格管制表。为便于编码制作,要求制作工程 BOM 时物料描述一定要标准化、规范化。 ★ 术语 机种、型号、零件包、组件、结构分布、阶次、序号、工程 BOM、客户 BOM、订单BOM、ECN、ECO、订单管制表。 编码 应用类别 说明 0 A 零件包 为制作 BOM 方便而设定 1 B 电源线 2 C 组件 需要加工的零部件 3 D 塑胶 塑胶原料制成之零件 4 E 通用标准件 螺丝等 5 F 五金 冲压、压铸之五金零件 6 G 电子、电器件 如 IC、温控器等 7 H 包装材料 泡沫、卡纸、彩箱等 8 I 原材料/辅料 外购的各种原材料/生产辅料 9 J 成品 2 ★ 成品编码规则 成品编码使用大分类9,使用机种型号时不包括字母,型号不足四位在前面加0,如XQ686、XQ602……在编码中需表示成0686、0602…… 码位 1 2 3 4 5 6 7 8 9 10 11 12 13 14 15 含义 9 分厂编号 型号 改型 电压 客户码 商标 外壳变更 结构变更 包装变更 电压码表 编码 电压等级 1 100 ACV (60Hz) 2 110 ACV (60Hz) 3 120 ACV (60Hz) 4 127 ACV (60Hz) 5 220 ACV (50Hz) 6 230 ACV (50Hz) 7 240 ACV (50Hz) 8 220-240 ACV (50Hz) 9 230-240 ACV (50Hz) 0 12V DC 说明: 改型码 即产品功能或外观更改,只针对系列码及型号码的改变;在BOM 系统中,每一系列型号内有一附件,列出该系列型号改型码清单; 客户码 沿用业务客...

1、当您付费下载文档后,您只拥有了使用权限,并不意味着购买了版权,文档只能用于自身使用,不得用于其他商业用途(如 [转卖]进行直接盈利或[编辑后售卖]进行间接盈利)。
2、本站所有内容均由合作方或网友上传,本站不对文档的完整性、权威性及其观点立场正确性做任何保证或承诺!文档内容仅供研究参考,付费前请自行鉴别。
3、如文档内容存在违规,或者侵犯商业秘密、侵犯著作权等,请点击“违规举报”。

碎片内容

电器行业物料编码规则

确认删除?
VIP
微信客服
  • 扫码咨询
会员Q群
  • 会员专属群点击这里加入QQ群
客服邮箱
回到顶部