电脑桌面
添加小米粒文库到电脑桌面
安装后可以在桌面快捷访问

电容器的型号命名方法

电容器的型号命名方法_第1页
1/32
电容器的型号命名方法_第2页
2/32
电容器的型号命名方法_第3页
3/32
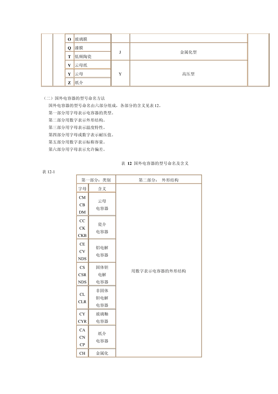
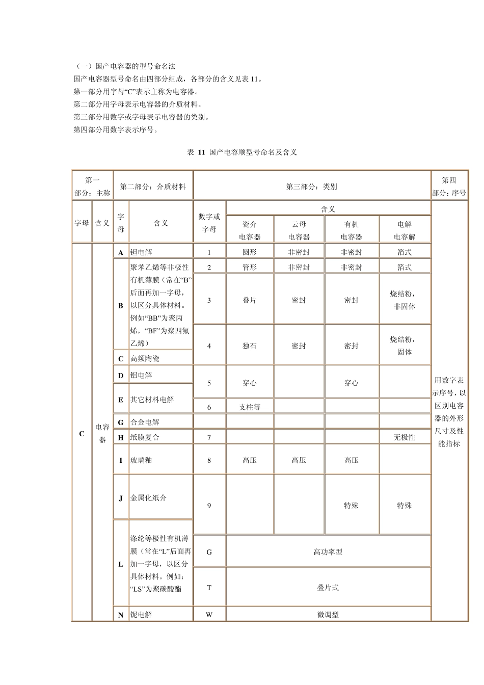
(一)国产电容器的型号命名法 国产电容器型号命名由四部分组成,各部分的含义见表11。 第一部分用字母“C”表示主称为电容器。 第二部分用字母表示电容器的介质材料。 第三部分用数字或字母表示电容器的类别。 第四部分用数字表示序号。 表 11 国产电容顺型号命名及含义 第一 部分:主称 第二部分:介质材料 第三部分:类别 第四 部分:序号 字母 含义 字母 含义 数字或 字母 含义 用数字表示序号,以区别电容器的外形尺寸及性能指标 瓷介 电容器 云母 电容器 有机 电容器 电解 电容解 C 电容器 A 钽电解 1 圆形 非密封 非密封 箔式 B 聚苯乙烯等非极性有机薄膜(常在“B”后面再加一字母,以区分具体材料。例如“BB”为聚丙烯,“BF”为聚四氟乙烯) 2 管形 非密封 非密封 箔式 3 叠片 密封 密封 烧结粉, 非固体 4 独石 密封 密封 烧结粉, 固体 C 高频陶瓷 D 铝电解 5 穿心 穿心 E 其它材料电解 6 支柱等 G 合金电解 H 纸膜复合 7 无极性 I 玻璃釉 8 高压 高压 高压 J 金属化纸介 9 特殊 特殊 L 涤纶等极性有机薄膜(常在“L”后面再加一字母,以区分具体材料。例如:“LS”为聚碳酸酯 G 高功率型 T 叠片式 N 铌电解 W 微调型 O 玻璃膜 Q 漆膜 J 金属化型 T 低频陶瓷 V 云母纸 Y 高压型 Y 云母 Z 纸介 (二)国外电容器的型号命名方法 国外电容器的型号命名由六部分组成,各部分的含义见表12。 第一部分用字母表示电容器的类型。 第二部分用数字表示外形结构。 第三部分用字母表示温度特性。 第四部分用字母或数字表示耐压值。 第五部分用数字表示标称容量。 第六部分用字母表示允许偏差。 表 12 国外电容器的型号命名及含义 表12-1 第一部分:类别 第二部分: 外形结构 字母 含义 用数字表示电容器的外形结构 CM CB DM 云母 电容器 CC CK CKB 瓷介 电容器 CE CV NDS 铝电解 电容器 CS CSR NDS 固体钽 电解 电容器 CL CLR 非固体 钽电解 电容器 CY CY R 玻璃釉 电容器 CA CN CP 纸介 电容器 CH 金属化 CHR 纸介 电容器 表12-2 第三部分:温度特性 字母 含义 A +100(10-6/℃) B +30(10-6/℃) C 0 H -30(10-6/℃) L -80(10-6/℃) P -150(10-6/℃) R -220(10-6/℃) S -330(10-6/℃) T -470(10-6/℃) U -750(10-6/℃) ...

1、当您付费下载文档后,您只拥有了使用权限,并不意味着购买了版权,文档只能用于自身使用,不得用于其他商业用途(如 [转卖]进行直接盈利或[编辑后售卖]进行间接盈利)。
2、本站所有内容均由合作方或网友上传,本站不对文档的完整性、权威性及其观点立场正确性做任何保证或承诺!文档内容仅供研究参考,付费前请自行鉴别。
3、如文档内容存在违规,或者侵犯商业秘密、侵犯著作权等,请点击“违规举报”。

碎片内容

电容器的型号命名方法

小辰7+ 关注
实名认证
内容提供者

出售各种资料和文档

相关文档

确认删除?
VIP
微信客服
  • 扫码咨询
会员Q群
  • 会员专属群点击这里加入QQ群
客服邮箱
回到顶部