电脑桌面
添加小米粒文库到电脑桌面
安装后可以在桌面快捷访问

电梯分部(子分部)工程质量验收纪录

电梯分部(子分部)工程质量验收纪录_第1页
1/15
电梯分部(子分部)工程质量验收纪录_第2页
2/15
电梯分部(子分部)工程质量验收纪录_第3页
3/15
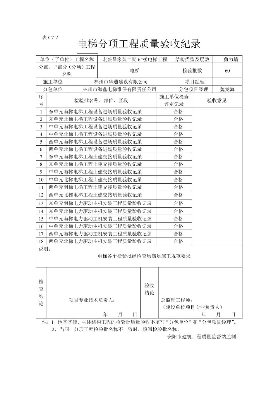
表 C 7-2 电梯分项工程质量验收纪录 单位(子单位)工程名称 宏盛昌家苑二期 6#楼电梯工程 结构类型及层数 剪力墙 分部、子部分(分项)工程名称 电梯 检验批数 60 施工单位 林州市华通建设有限公司 项目经理 分包单位 林州市海鑫电梯维保有限责任公司 分包项目经理 魏龙海 序号 检验批名称、部位、区段 施工单位检查评定记录 验收意见 1 东单元南梯电梯工程设备进场质量验收记录 合格 2 东单元北梯电梯工程设备进场质量验收记录 合格 3 中单元南梯电梯工程设备进场质量验收记录 合格 4 中单元北梯电梯工程设备进场质量验收记录 合格 5 西单元南梯电梯工程设备进场质量验收记录 合格 6 西单元北梯电梯工程设备进场质量验收记录 合格 7 东单元南梯电梯工程土建交接质量验收记录 合格 8 东单元北梯电梯工程土建交接质量验收记录 合格 9 中单元南梯电梯工程土建交接质量验收记录 合格 10 中单元北梯电梯工程土建交接质量验收记录 合格 11 西单元南梯电梯工程土建交接质量验收记录 合格 12 西单元北梯电梯工程土建交接质量验收记录 合格 13 东单元南梯电力驱动主机安装工程质量验收记录 合格 14 东单元北梯电力驱动主机安装工程质量验收记录 合格 15 中单元南梯电力驱动主机安装工程质量验收记录 合格 16 中单元北梯电力驱动主机安装工程质量验收记录 合格 17 西单元南梯电力驱动主机安装工程质量验收记录 合格 18 西单元北梯电力驱动主机安装工程质量验收记录 合格 说明: 电梯各个检验批经检查均满足施工规范要求 检查结论 项目专业技术负责人: 年 月 日 验收结论 总监理工程师: (建设单位项目专业负责人) 年 月 日 注:1、地基基础、主体结构工程的检验批质量验收不填写“分包单位”和“分包项目经理”。 2、当同一分项工程检验批名称不一致时,填写检验批名称。 安阳市建筑工程质量监督站监制 电梯安装分项工程质量验收记录 表G 2 编号: 单位(子单位)工程名称 结构类型 框架 分部(子分部)工程名称 电梯安装 检验批数 施工单位 浙 项目经理 序号 检验批部位、区段 施工单位检查评定结果 监理(建设)单位验收结论 1 工程设备进场 合格 2 土建交接 合格 3 驱动主机 合格 4 导轨安装 合格 5 电梯门系统 合格 6 轿厢及对重 合格 7 安全部件 合格 8 悬挂装置,随行电缆 合格 9 电梯安装 合格 10...

1、当您付费下载文档后,您只拥有了使用权限,并不意味着购买了版权,文档只能用于自身使用,不得用于其他商业用途(如 [转卖]进行直接盈利或[编辑后售卖]进行间接盈利)。
2、本站所有内容均由合作方或网友上传,本站不对文档的完整性、权威性及其观点立场正确性做任何保证或承诺!文档内容仅供研究参考,付费前请自行鉴别。
3、如文档内容存在违规,或者侵犯商业秘密、侵犯著作权等,请点击“违规举报”。

碎片内容

电梯分部(子分部)工程质量验收纪录

您可能关注的文档

确认删除?
VIP
微信客服
  • 扫码咨询
会员Q群
  • 会员专属群点击这里加入QQ群
客服邮箱
回到顶部