电脑桌面
添加小米粒文库到电脑桌面
安装后可以在桌面快捷访问

电气导管敷设技术交底(镀锌管预埋)

电气导管敷设技术交底(镀锌管预埋)_第1页
1/6
电气导管敷设技术交底(镀锌管预埋)_第2页
2/6
电气导管敷设技术交底(镀锌管预埋)_第3页
3/6
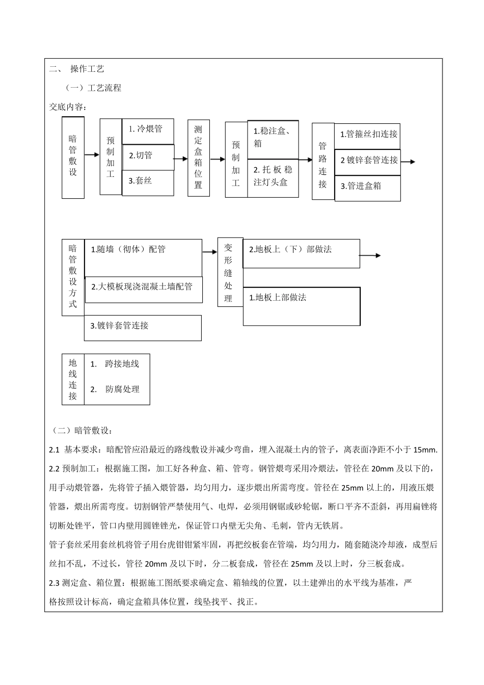
技术交底记录 C06-1-02- 工程名称 萧山区科技创新中心工程 交底日期 年 月 日 施工单位 浙江省工业设备安装集团有限公司 分部(分项)工程名称 电气导管敷设 交底提要 电线,电缆导管和线槽敷设 交底内容: 一 施工准备 1.材料要求 1.1 镀锌钢管壁厚均匀,镀锌层均匀,无劈裂、砂眼、棱刺、凹扁,外表皮无剥落现象,并有产品合格证,以及检验报告。 1.2 锁紧螺母(根母)外形完好无损,丝扣清晰并有产品合格证。 1.3 护口要完整无损,并有产品合格证。 2.主要机具: 2.1 煨管器、液压煨管器、液压开孔器、压力案子、套丝机、套管机、扁锉、圆锉 3.作业条件: 3.1 现浇混凝土板内配管,在底层钢筋绑扎完后,上层钢筋未绑扎前,根据施工图尺寸配合土建施工。随墙(砌体)配合施工立管。 3.2 墙体配管,在土建钢筋绑扎完毕,按墙体线配管。 4.人员准备 由于各种原因本工程的主体施工阶段必将始终处于抢工期,这就要求安装施工队合理安排施工人员,不要出现人员不足或人员功能不明确而导致的窝工现象。 5.技术准备 施工单位的技术人员必须在施工前熟知图纸,对图纸中的有困难的施工节点要了然于胸,提前想好解决的措施。要统筹规划每个系统的管线路径,不要出现多层管路重叠的现象。了解施工的工艺流程,对需要大量人员调整的阶段要与施工班主提前沟通。 6.材料的预加工 对镀锌钢管的一端的接头的切丝,对需要预埋箱体盒子应提前做好木质的盒子,对需要预埋的套管应提前加工完成。 二、 操作工艺 (一)工艺流程 交底内容: (二)暗管敷设: 2.1 基本要求:暗配管应沿最近的路线敷设并减少弯曲,埋入混凝土内的管子,离表面净距不小于 15m m . 2.2 预制加工:根据施工图,加工好各种盒、箱、管弯。钢管煨弯采用冷煨法,管径在 20m m 及以下的,用手动煨管器,先将管子插入煨管器,均匀用力,逐步煨出所需弯度。管径在 25m m 以上的,用液压煨管器,煨出所需弯度。切割钢管严禁使用气、电焊,必须用钢锯或砂轮锯,断口平齐不歪斜,再用扁锉将切断处锉平,管口内壁用圆锉锉光,保证管口内壁无尖角、毛刺,管内无铁屑。 管子套丝采用套丝机将管子用台虎钳钳紧牢固,再把绞板套在管端,均匀用力,随套随浇冷却液,成型后丝扣不乱,不过长,管径 20m m 及以下时,分二板套成,管径在 25m m 及以上时,分三板套成。 2.3 测定盒、箱位置:根据施工图纸要求确定盒、箱轴线的位置,以土建弹...

1、当您付费下载文档后,您只拥有了使用权限,并不意味着购买了版权,文档只能用于自身使用,不得用于其他商业用途(如 [转卖]进行直接盈利或[编辑后售卖]进行间接盈利)。
2、本站所有内容均由合作方或网友上传,本站不对文档的完整性、权威性及其观点立场正确性做任何保证或承诺!文档内容仅供研究参考,付费前请自行鉴别。
3、如文档内容存在违规,或者侵犯商业秘密、侵犯著作权等,请点击“违规举报”。

碎片内容

电气导管敷设技术交底(镀锌管预埋)

您可能关注的文档

确认删除?
VIP
微信客服
  • 扫码咨询
会员Q群
  • 会员专属群点击这里加入QQ群
客服邮箱
回到顶部