电脑桌面
添加小米粒文库到电脑桌面
安装后可以在桌面快捷访问

电气预防性试验方案电气

电气预防性试验方案电气_第1页
1/7
电气预防性试验方案电气_第2页
2/7
电气预防性试验方案电气_第3页
3/7
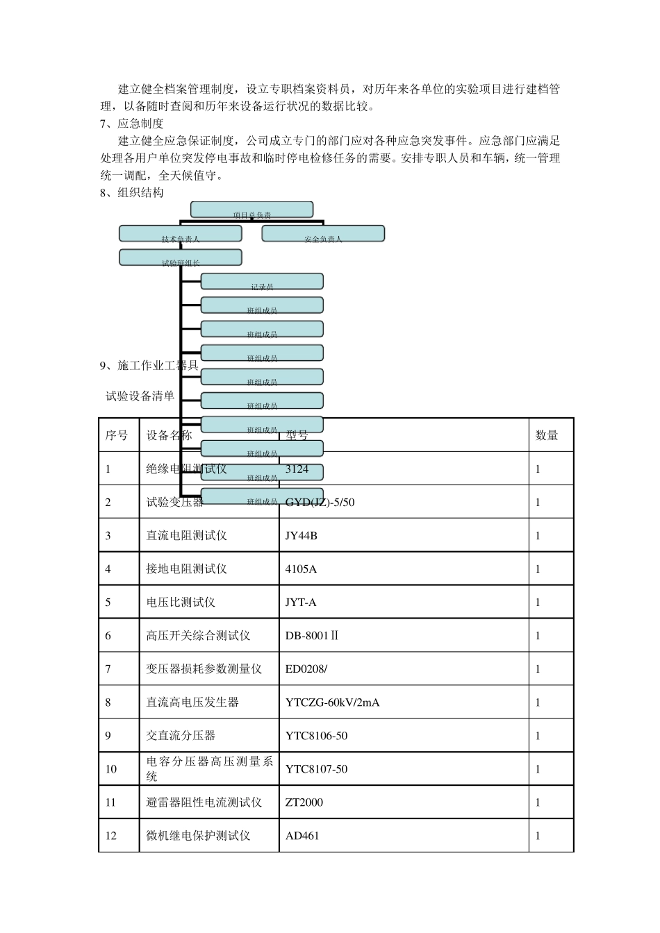
10K V 配电室高压试验方案 工程概况: 二、设备概况: 项目包括宇龙酷派 10K V 配电室的高压开关柜、变压器、高压电缆电缆和配变装置总容量为 3900K VA : 序号 项目名称 单位 数量 备注说明 1 高压馈电柜 台套 9 不包括电气配件更换: 如 1、馈电柜内电源指示灯、交流接触器、开关手柄、操作机构弹簧、电流表、等元器件的更换或维修; 2、不包括断路器和变压器等大型元件更换。 2 高压电源进线柜 台套 1 3 变压器 台套 5 4 配电房避雷网 台套 4 5 直流电源柜 台套 6 10K V 电缆 组 11 7 0.4K V 低压配电柜 全所 0.4K V 低压配电柜出线测前端检修 施工部署 初步根据设备各部位的情况及甲方的要求,在甲方安排的停电时间内,确定施工员为 10 人,其中项目施工现场总负责 1 人,技术监督总监 1 人,施工安全负责人 1 人,施工人员分 1 个班组,施工班组长 1 人,施工试验调试班组 8 人;在实施过程中可根据实际情况适当调整,以满足安全及生产需要。 组 织 管 理 措 施 1、 依 据 的 文 件 及 标 准 本 方 案 按 照 中 华 人 民 共 和 国 电 力 行 业 标 准 的 规 定 执 行 《 电 业 安 全 作 业 规 和 》 2005 版 《 电 力 设 备 预 防 性 试 验 标 准 》 GB50150-2006 《 中 国 南 方 电 网 有 限 责 任 公 司 企 业 标 准 》 Q/CSG114002-2011 2、 协 调 配 合 试 验 调 试 工 作 的 特 殊 性 决 定 , 试 验 工 作 必 须 在 设 备 停 电 状 态 下 进 行 , 为 缩 短 停 电 时 间和 避 免 试 验 人 员 误 入 带 电 设 备 间 隔 事 故 的 发 生 , 因 此 需 要 甲 、 已 双 方 单 位 密 切 协 调 配 合 、 统一 步 调 。 试 验 工 作 前 的 准 备 工 作 : 甲 方 单 位 应 向 乙 方 单 位 提 供 完 整 的 设 备 及 线 路 图 纸 资 料( 包 括 各 设 备 的 合 格 证 和 技 术 参 数表格 等), 以便乙 方 制定 完 善的 工 作 方 案 。 乙 方 向 甲 方 提 供 的 试 验 方 案 内容应 包 括 : 具体的 施工 内容和 范围、 工 作 人 员 数量、 停 电 时 间 以及 需 要 停 电 的 带 电 设 备 ...

1、当您付费下载文档后,您只拥有了使用权限,并不意味着购买了版权,文档只能用于自身使用,不得用于其他商业用途(如 [转卖]进行直接盈利或[编辑后售卖]进行间接盈利)。
2、本站所有内容均由合作方或网友上传,本站不对文档的完整性、权威性及其观点立场正确性做任何保证或承诺!文档内容仅供研究参考,付费前请自行鉴别。
3、如文档内容存在违规,或者侵犯商业秘密、侵犯著作权等,请点击“违规举报”。

碎片内容

电气预防性试验方案电气

您可能关注的文档

确认删除?
VIP
微信客服
  • 扫码咨询
会员Q群
  • 会员专属群点击这里加入QQ群
客服邮箱
回到顶部