电脑桌面
添加小米粒文库到电脑桌面
安装后可以在桌面快捷访问

电缆保护管配制、安装方案

电缆保护管配制、安装方案_第1页
1/11
电缆保护管配制、安装方案_第2页
2/11
电缆保护管配制、安装方案_第3页
3/11
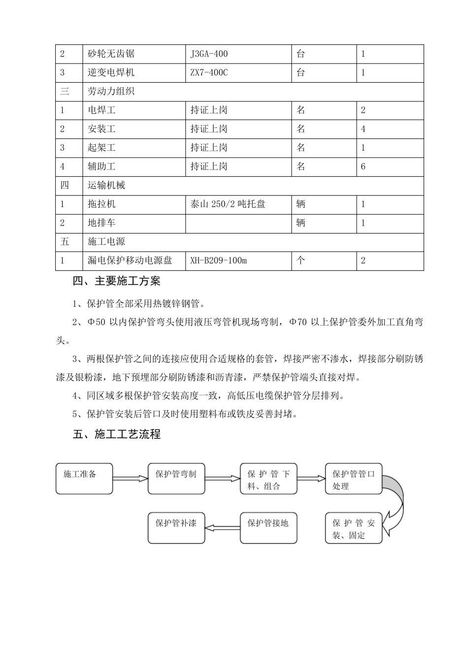
一、工程概述 华 电 顺 德 西 部 生 态 产 业 园 分 布 式 能 源 站 项 目 电 缆 保 护 管 的 安 装 设 计 有 预 埋 、 明 敷 两 种安 装 形 式 , 电 缆 保 护 管 为 热 镀 锌 钢 管 。 电 缆 保 护 管 规 格 如 下 : Ф 100、 Ф 50、 Ф 40、 Ф 32及 Ф 25 等 。 电 气 专 业 共 设 计 电 缆 保 护 管 约 1000 米 。 电 气 专 业 电 缆 保 护 管 敷 设 的 计 划 工 期 为 2017 年 12 月 -2018 年 03 月 。 二、编制依据 1、 广 东 省 电 力 设 计 研 究 院 施 工 图 纸 2、《 A 标 段 电 气 专 业 施 工 组 织 设 计 》 3、《 电 气 装 置 安 装 工 程 电 缆 线 路 施 工 及 验 收 规 范 》 GB50168-2006 4、《 电 气 装 置 安 装 工 程 接 地 装 置 施 工 及 验 收 规 范 》 GB50169-2016 5、《 电 气 装 置 安 装 工 程 质 量 检 验 及 评 定 规 程 》 DL/T 5161.1--5161.17-2002 6、《 电 力 建 设 安 全 工 作 规 程 》 ( 火 力 发 电 厂 部 分 ) DL5009.1-2014 7、 《 绿 色 施 工 导 则 》 建 质 [2007]233 号 三、施工准备 序 号 名 称 规 格 型 号 单 位 数 量 一 工 器 具 1 圆 头 木 柄 手 锤 2.5P/1.13kg 把 2 2 磁 力 线 坠 3m 个 1 3 半 圆 锉 L=300mm 把 2 4 直 角拐尺 1000×500mm 把 1 5 钢 卷尺 5m 把 1 6 活扳手 250×30mm 把 1 7 平口螺丝刀 3×150mm 把 1 8 钢 丝钳 8 吋 把 1 9 木 柄 镐头 570mm/P402 把 1 10 木 柄 铁尖锨 S518 把 1 二 施 工 机械 1 液压弯管 机 SWG-2A Φ21.3-60 台 1 2 砂轮无齿锯 J3GA-400 台 1 3 逆变电焊机 ZX7-400C 台 1 三 劳动力组织 1 电焊工 持证上岗 名 2 2 安装工 持证上岗 名 4 3 起架工 持证上岗 名 1 4 辅助工 持证上岗 名 6 四 运输机械 1 拖拉机 泰山250/2 吨托盘 辆 1 2 地排车 辆 1 五 施工电源 1 漏电保护移动电源盘 XH-B209-100m 个 2 四、主要施工方案 1、保护管全部采用热镀锌钢管。 2、Φ50 以内保护管弯头使用液压弯管机现场弯制,Φ70 以上...

1、当您付费下载文档后,您只拥有了使用权限,并不意味着购买了版权,文档只能用于自身使用,不得用于其他商业用途(如 [转卖]进行直接盈利或[编辑后售卖]进行间接盈利)。
2、本站所有内容均由合作方或网友上传,本站不对文档的完整性、权威性及其观点立场正确性做任何保证或承诺!文档内容仅供研究参考,付费前请自行鉴别。
3、如文档内容存在违规,或者侵犯商业秘密、侵犯著作权等,请点击“违规举报”。

碎片内容

电缆保护管配制、安装方案

确认删除?
VIP
微信客服
  • 扫码咨询
会员Q群
  • 会员专属群点击这里加入QQ群
客服邮箱
回到顶部