电脑桌面
添加小米粒文库到电脑桌面
安装后可以在桌面快捷访问

皮带更换安全技术措施方案

皮带更换安全技术措施方案_第1页
1/8
皮带更换安全技术措施方案_第2页
2/8
皮带更换安全技术措施方案_第3页
3/8
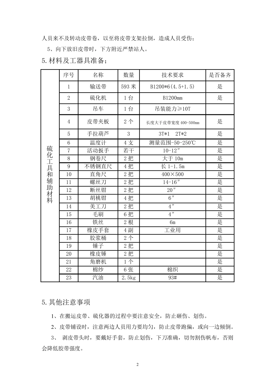
1 4#皮带更换安全技术措施方案 1.工作内容; 鉴于4 # 皮带磨损、脱胶横向裂纹严重,并经多次修补,现已到达更换周期极限,现准备对于4 # 皮带进行更换。且由于4 # 皮带较长,准备分两段铺设及硫化皮带。具体方案如下。 2.人员配备; 项目负责人:阎胜耀 技术负责人:任云 安全负责人:赵安东 安全负责人:申卫锋 组长: 申卫锋 组员(签名): 运送皮带到位:4 人; 剥皮带头 4 人; 打磨、刷浆 2 人; 对粘皮带2 人; 固定皮带2 人; 电工接线 1 人; 清理现场打扫卫生 2 人。 3.皮带参数及检修用时 本次更换的皮带具体参数为: B=1200mm;6 层(4.5mm+1.5mm);工作面胶层厚度 4.5mm;非工作面厚度为1.5mm;总长度为274m,重量约 11100.96公斤。 本次更换皮带预计用时36 小时。 4.安全注意事项; 1、运送皮带时候注意吊装安全; 2、起吊配重时候注意上下楼梯,必须穿戴安全带及放坠器; 3、起吊配重时切勿将双脚放在配重横梁以外的地方,防止皮带突然 窜 动 将人卷 入 皮带中 ; 4、使 用皮带带动 新 皮带时一 次带动 距 离 不 能 太 大 ,防止皮带尾 部 运送新 皮带人员分工 人员配备 2 人员来不及转动皮带卷,以至将皮带支架拉倒,造成人员受伤; 5、向下放旧皮带时,下方附近严禁站人。 5.材料及工器具准备; 硫化工具和辅助材料 序号 名称 数量 技术要求 是否备齐 1 输送带 593 米 B1200*6(4.5+1.5) 是 2 硫化机 1 台 B1200mm 是 3 吊车 1 台 吊装能力≥10T 4 皮带夹板 2 个 长度大于皮带宽度400-500mm 是 5 手拉葫芦 3 3T*1 2T*2 是 6 温度计 4 支 测量范围-50-250℃ 是 7 活动扳手 若干 10-12″ 是 8 钢卷尺 2 把 大于10m 是 9 不锈钢直尺 4 把 长1-1.5m 是 10 直角尺 2 把 400×500 是 11 螺丝刀 2 把 14-16″ 是 12 断丝钳 2 把 20″ 是 13 胡桃钳 4 把 6″ 是 14 美工刀 2 把 4″ 是 15 毛刷 6 把 4″ 是 16 铁丝 2 根 6m 是 17 橡皮手套 4 副 工业用 是 18 胶浆桶 2 个 是 19 锤子 2 把 是 20 橡皮锤 2 把 是 21 角磨机 1 个 是 22 棉纱 6 张 棉织 是 23 汽油 2.5kg 93# 是 5.其他注意事项 1 、在搬运皮带、硫化器的过程中要注意安全,防止砸伤、划伤。 2 、皮带铺设时,注意两边人员用力要均匀,防止皮带...

1、当您付费下载文档后,您只拥有了使用权限,并不意味着购买了版权,文档只能用于自身使用,不得用于其他商业用途(如 [转卖]进行直接盈利或[编辑后售卖]进行间接盈利)。
2、本站所有内容均由合作方或网友上传,本站不对文档的完整性、权威性及其观点立场正确性做任何保证或承诺!文档内容仅供研究参考,付费前请自行鉴别。
3、如文档内容存在违规,或者侵犯商业秘密、侵犯著作权等,请点击“违规举报”。

碎片内容

皮带更换安全技术措施方案

确认删除?
VIP
微信客服
  • 扫码咨询
会员Q群
  • 会员专属群点击这里加入QQ群
客服邮箱
回到顶部