电脑桌面
添加小米粒文库到电脑桌面
安装后可以在桌面快捷访问

皮带机变频控制系统方案

皮带机变频控制系统方案_第1页
1/10
皮带机变频控制系统方案_第2页
2/10
皮带机变频控制系统方案_第3页
3/10
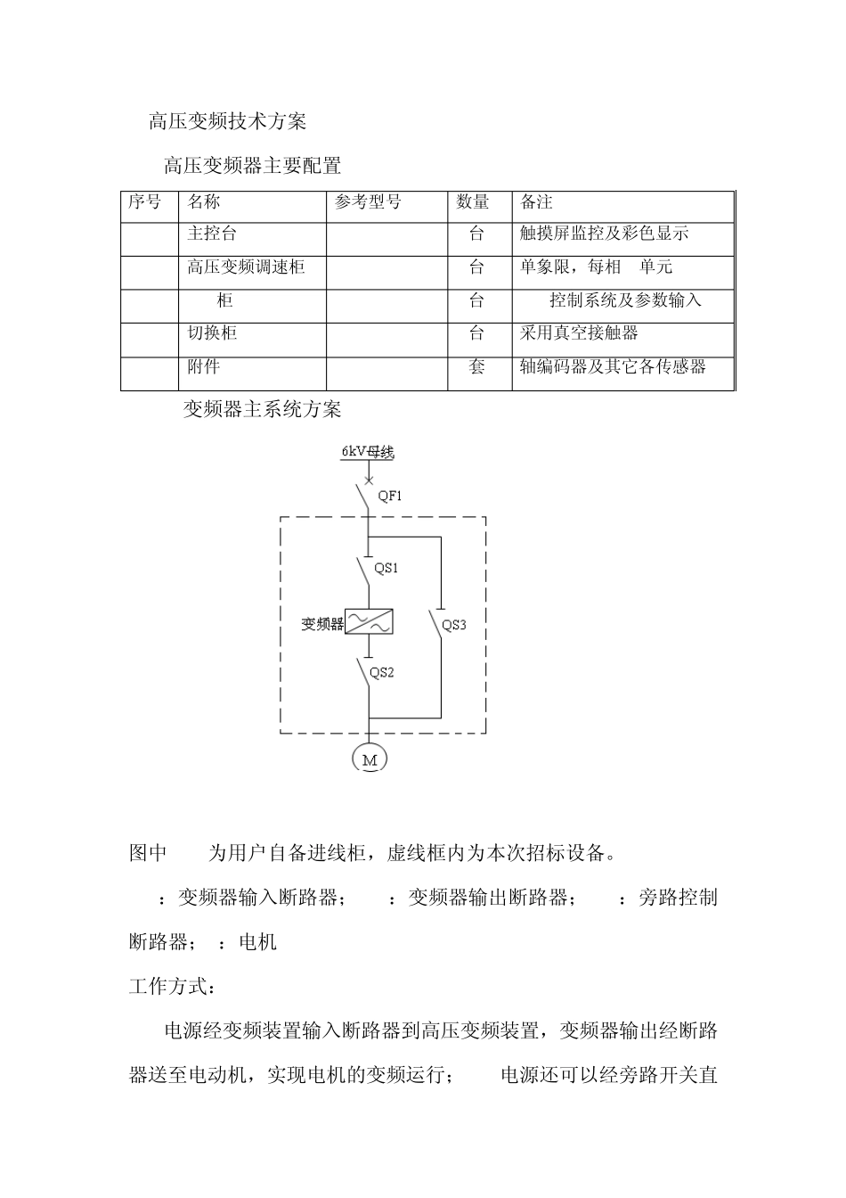
龙山煤业公司 主运输皮带机变频控制系统方案 1.皮带机的基本情况: 1.1皮带机参数 1)电机参数 型号:YKK4006-4 功率:450KW 电压:6KV 转速:1480转/分 数量:1台 2)减速机参数 型号:H35H16A-50 带逆止器 输入转速:1500r/min 输出转速:30.69 r/min 3)制动器: 型号:液压推杆制动器 电压:380V 功率:2KW 4)运输机参数: 型号:DSJ80/150/450 机长:900米 带宽:800毫米 带速:2米/秒 滚筒直径:1.25米 运行方式:上运 倾角:28度 5)使用环境:地面安装,非防爆型,单机运行方式。 1.2皮带机驱动系统基本结构 1.3启动停止方式 1)启动程序 制动器送电——松闸——电机送电——运行 2)停机顺序 电机停电——制动器停电——抱闸停机 2.高压变频技术方案 2.1高压变频器主要配置 序号 名称 参考型号 数量 备注 1 主控台 JPDK-ZN-ZKT 1台 触摸屏监控及彩色显示 2 高压变频调速柜 BPG-D-500 1台 单象限,每相6单元 3 PLC柜 JTKD-DYG 1台 PLC控制系统及参数输入 4 切换柜 1台 采用真空接触器 5 附件 1套 轴编码器及其它各传感器 2.2.1变频器主系统方案 图中QF1为用户自备进线柜,虚线框内为本次招标设备。 QS1:变频器输入断路器;QS2:变频器输出断路器;QS3:旁路控制断路器;M:电机 工作方式: 6KV电源经变频装置输入断路器到高压变频装置,变频器输出经断路器送至电动机,实现电机的变频运行;6KV电源还可以经旁路开关直接起动电动机。 进出线开关和旁路开关的作用: 1、在电机启动过程中,当电机达到全速运行时,可自动或手动合上旁路开关,切断 QS1和QS2,关闭变频器。 2、电机在高速时,一旦变频装置出现故障,变频装置应能马上断开进出线开关QS1和QS2,将变频装置隔离,自动合上旁路开关QS3,在工频电源下保证电机继续运行,并有报警指示。 3、旁路开关与输入开关、输出开关采应能实现电气闭锁,以及与进线电源开关的相互闭锁,防止误操作。 2.2.2变频装置设备布置 如设计合理,旁路柜和变频柜可以合并为一个柜子。 控制方式 系统具有自动、手动、现场编程三种工作方式 1、自动控制:由司机发出开车信号,系统根据输入好的程序松开制动闸,合上 QS1、QS2,控制变频器使电机转速由零平稳上升,达到全速运行后,自动投入旁路开关 QS3,切断变频器输出开关 QS2,电机在工频下运行。需要停车时,由司机发出停车信号,系统自动合上QS2,切断 QS3,变频...

1、当您付费下载文档后,您只拥有了使用权限,并不意味着购买了版权,文档只能用于自身使用,不得用于其他商业用途(如 [转卖]进行直接盈利或[编辑后售卖]进行间接盈利)。
2、本站所有内容均由合作方或网友上传,本站不对文档的完整性、权威性及其观点立场正确性做任何保证或承诺!文档内容仅供研究参考,付费前请自行鉴别。
3、如文档内容存在违规,或者侵犯商业秘密、侵犯著作权等,请点击“违规举报”。

碎片内容

皮带机变频控制系统方案

确认删除?
VIP
微信客服
  • 扫码咨询
会员Q群
  • 会员专属群点击这里加入QQ群
客服邮箱
回到顶部