电脑桌面
添加小米粒文库到电脑桌面
安装后可以在桌面快捷访问

直流电源割接方案

直流电源割接方案_第1页
1/8
直流电源割接方案_第2页
2/8
直流电源割接方案_第3页
3/8
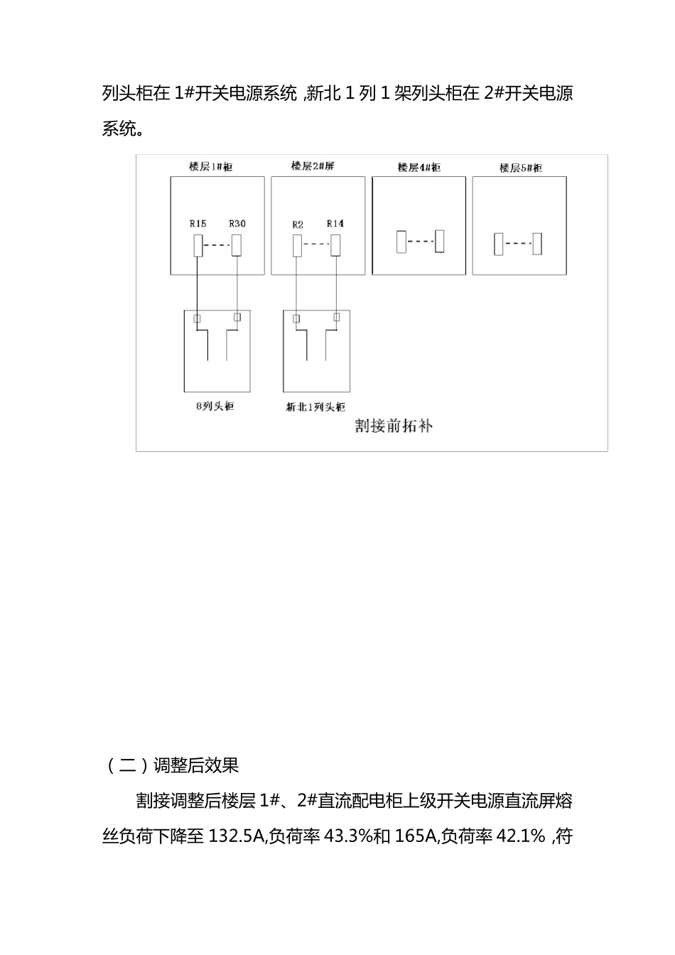
Xx 公 司 xx 路 传输楼层直流配电柜负载割接方案 一 、割接概况及原因 xx 路 4 楼传输机房楼层 1#直流配电柜上级开关电源直流屏熔丝负荷 170A,按照《xx 重要电源系统容量预警方案》, 负荷率 60%,达到红色范围;2#直流配电柜上级开关电源直流屏熔丝负荷 239A,按照《xx 重要电源系统容量预警方案》,负荷率68%,达到红色预警值。 为保证熔丝运行安全,根据《xx 重要电源系统容量预警方案》,需对楼层 1#、2#直流配电柜用电设备作割接调整,使楼层 1#、2#直流配电柜上级熔丝负荷下降至安全值。 割接调整后楼层 4#、5#直流配电柜符合率分别是 43%和21%均符合《xx 重要电源系统容量预警方案》要求。 二、本次割接调整内容: (一 )调整内容 1、把楼层 1#直流配电柜下的北 8 列 1 架列头柜,割到楼层 4#直流配电柜,北 8 列 1 架列头柜负载电流 75A(主、备用负荷各 37.5A); 2、把楼层 2#直流配电柜下的新北 1 列 1 架列头柜,割到楼层 5#直流配电柜,新北 1 列 1 架列头柜负载电流 148A(主、备用负荷各 74A)。 本次调整割接前后均在同一 套开关电源系统内,北 8 列 1 架列 头 柜 在 1#开 关 电 源 系 统 ,新 北 1 列 1 架 列 头 柜 在 2#开 关 电 源系 统 。 ( 二 ) 调 整 后 效 果 割 接 调 整 后 楼 层 1#、2#直流配电 柜 上级开 关 电 源 直流屏熔丝负荷下降至 132.5A,负荷率 43.3%和 165A,负荷率 42.1%,符合 《 xx 重 要 电 源 系 统 容 量 预 警 方 案 》 要 求 。 三 、割接影响范围 xx 路 4 楼传输机房北 8 列 1 架列头柜主要 负载为传输设备,其中涉及网元有:局间中继、城域波分,新北 1 列 1 架列头柜涉及网元有:城域波分、互联互通、本地网、DXC。 四、初步拟定割接时间 xx 年 xx 月 xx 日 00:30—04:00 五、割接地点 xx 路局 4 楼传输机房,楼层 1#直流配电 柜,楼层 2#直流配电 柜,楼层 4#直流配电 柜,楼层 5#直流配电 柜。 六、割接领导与组织分工 组织 姓名 职务 割接职责分工 联系 电 话 割接领导小组 xx xx 部经理 割接指挥 …... xx xx 部副经理 割接指挥 …… xx xx 管理 割接协调、监督 …… 传输组 xx xx 班班长 传输应急处理 …… xx xx 维护 …… xx xx 维护 …… 动力组 xx xx 班长 割 ...

1、当您付费下载文档后,您只拥有了使用权限,并不意味着购买了版权,文档只能用于自身使用,不得用于其他商业用途(如 [转卖]进行直接盈利或[编辑后售卖]进行间接盈利)。
2、本站所有内容均由合作方或网友上传,本站不对文档的完整性、权威性及其观点立场正确性做任何保证或承诺!文档内容仅供研究参考,付费前请自行鉴别。
3、如文档内容存在违规,或者侵犯商业秘密、侵犯著作权等,请点击“违规举报”。

碎片内容

直流电源割接方案

确认删除?
VIP
微信客服
  • 扫码咨询
会员Q群
  • 会员专属群点击这里加入QQ群
客服邮箱
回到顶部