电脑桌面
添加小米粒文库到电脑桌面
安装后可以在桌面快捷访问

盾构法隧道施工技术及应用

盾构法隧道施工技术及应用_第1页
1/14
盾构法隧道施工技术及应用_第2页
2/14
盾构法隧道施工技术及应用_第3页
3/14
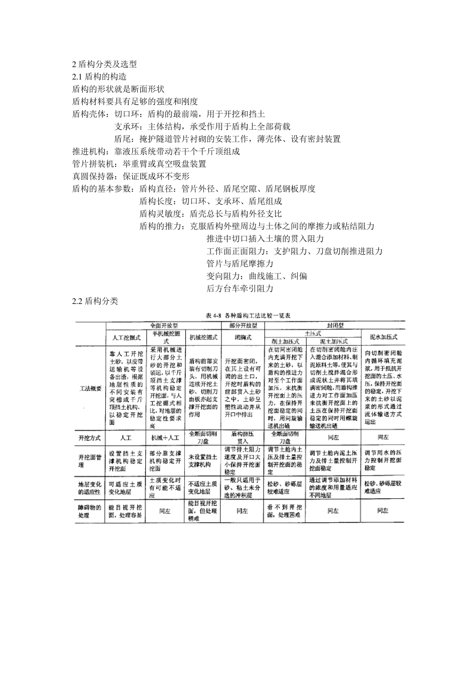
1 盾构法隧道概论 1.1 盾构法隧道的起源及发展史 1825-1911 早期 Mare Isambard Bru nel 构思注册了盾构专利,并在1825-1843 伦敦泰晤士河下隧道工程中首次应用 1866 首次使用shield 这一术语 1886Janes Heary Greathead 创建了压缩空气与盾构掘进相组合使用的格瑞海德盾构法 1876 第一个机械化盾构专利 1896Price 机械化盾构首次应用到具体工程 1959Elmer C Gardner 提出液体泥水支撑隧道工作面 1960Schneidereit 注册膨润土浆来稳定隧道工作面的专利 1963 日本Sato Kogy o 公司开发了土压平衡盾构方案 1964 英国申请了泥水加压平衡盾构掘进机原理专利 1966 中国第一条盾构隧道——打浦路隧道 1974 年第一台土压平衡盾构在东京被采用 1978 全自动化泥水加压盾构机Thix shield 在德国应用 1985 注册了混合盾构的组合盾构专利 1986 日本研制世界上第一台双圆泥水加压式盾构 1987-1994 英法海峡隧道工程 1992 日本研制第一台三圆泥水加压式盾构机 2001 年全球最大的隧道直径 14.87 米,荷兰绿心隧道 2003 年中国最大的隧道直径 11.36 米,上海翔殷路隧道 1.2 盾构法隧道基本原理及特点 盾构法隧道的基本原理是用一件有形的钢质组件沿隧道设计轴线开挖土体而向前推进。这个钢质组件被称为盾构。隧道拱内圈的空洞由盾构本体防护,同时还需要其他辅助措施对工作面进行支护,盾构法隧道主要有以下几种支护土体方法和与之相匹配的盾构类型及盾构掘进机的支护面板:自然支撑、机械支撑、压缩空气支撑、泥浆支撑、土压平衡支撑 2 盾构分类及选型 2 .1 盾构的构造 盾构的形状就是断面形状 盾构材料要具有足够的强度和刚度 盾构壳体:切口环:盾构的最前端,用于开挖和挡土 支承环:主体结构,承受作用于盾构上全部荷载 盾尾:掩护隧道管片衬砌的安装工作,薄壳体、设有密封装置 推进机构:靠液压系统带动若干个千斤顶组成 管片拼装机:举重臂或真空吸盘装置 真圆保持器:保证既成环不变形 盾构的基本参数:盾构直径:管片外径、盾尾空隙、盾尾钢板厚度 盾构长度:切口环、支承环、盾尾组成 盾构灵敏度:盾壳总长与盾构外径支比 盾构的推力:克服盾构外壁周边与土体之间的摩擦力或粘结阻力 推进中切口插入土壤的贯入阻力 工作面正面阻力:支护阻力、刀盘切削推进阻力 管片与盾尾摩擦力 变向阻力:曲线施工、纠偏 后方台车牵引阻力 2 .2 盾构分类 敞口式盾构/普通盾...

1、当您付费下载文档后,您只拥有了使用权限,并不意味着购买了版权,文档只能用于自身使用,不得用于其他商业用途(如 [转卖]进行直接盈利或[编辑后售卖]进行间接盈利)。
2、本站所有内容均由合作方或网友上传,本站不对文档的完整性、权威性及其观点立场正确性做任何保证或承诺!文档内容仅供研究参考,付费前请自行鉴别。
3、如文档内容存在违规,或者侵犯商业秘密、侵犯著作权等,请点击“违规举报”。

碎片内容

盾构法隧道施工技术及应用

您可能关注的文档

小辰2+ 关注
实名认证
内容提供者

出售各种资料和文档

确认删除?
VIP
微信客服
  • 扫码咨询
会员Q群
  • 会员专属群点击这里加入QQ群
客服邮箱
回到顶部