电脑桌面
添加小米粒文库到电脑桌面
安装后可以在桌面快捷访问

有砟轨道道床断面

有砟轨道道床断面_第1页
1/14
有砟轨道道床断面_第2页
2/14
有砟轨道道床断面_第3页
3/14
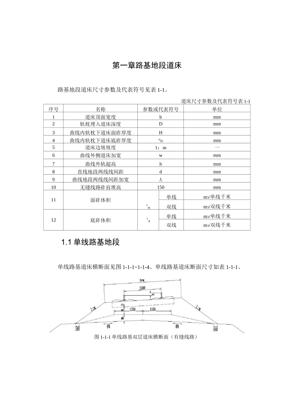
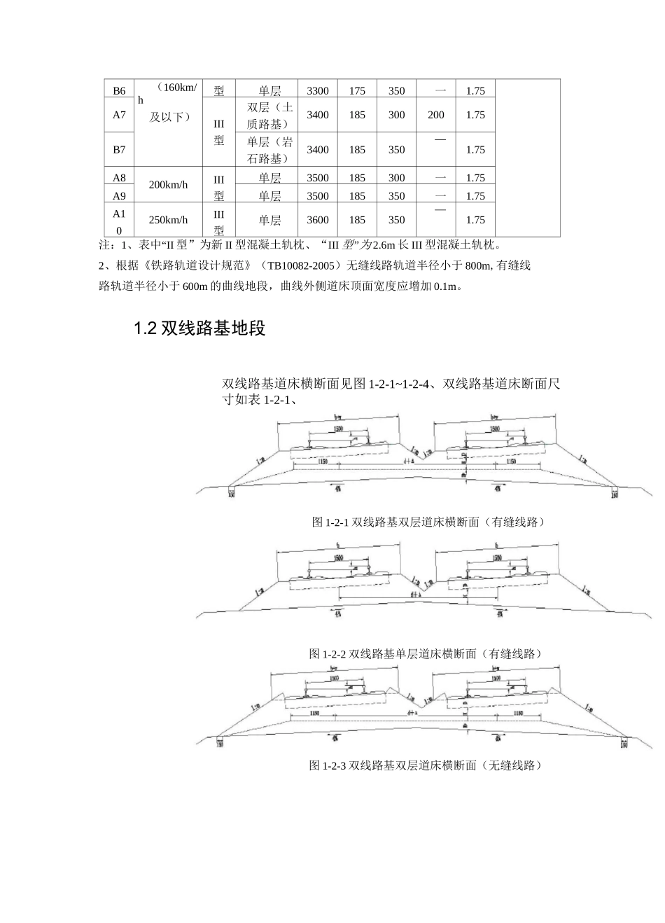
第一章路基地段道床路基地段道床尺寸参数及代表符号见表 1-1。道床尺寸参数及代表符号表 1-1序号名称参数或代表符号单位1道床顶面宽度bmm2轨枕埋入道床深度Dmm3曲线内轨枕下道床面砟厚度Hmm4曲线内轨枕下道床底砟厚度HDmm5道床边坡坡度1:m一6曲线外侧道床加宽wmm7曲线外轨超高hmm8直线地段两线线间距dmm9曲线地段两线线间距加宽Amm10无缝线路砟肩堆高150mm11面砟体积Vm单线m3/单线千米双线m3/双线千米12底砟体积Vd单线m3/单线千米双线m3/双线千米1.1 单线路基地段单线路基道床横断面见图 1-1-1~1-1-4、单线路基道床断面尺寸如表 1-1-1、图 1-1-1 单线路基双层道床横断面(有缝线路)单线路基道床断面尺寸表表 1-1-1项目道床尺寸(mm)备注编号轨道类型轨枕类型道床bDHHDmA1轻型II型双层29001752001501.5有缝线路B1单层2900175250一1.5A2中型II型双层30001752002001.75B2单层3000175300一1.75A3次重型II型双层31001752502001.75B3单层3100175300一1.75A4重型II型双层31001753002001.75B4单层3100175350一1.75A5次重型II型双层33001752502001.75无缝线路B5单层3300175300一1.75A6重型II双层33001753002001.75图 1-1-2 单线路基单层道床横断面(有缝线路)疔 一 __ 一一—_」图 1-1-3 单线路基双层道床横断面(无缝线路)图 1-1-4 单线路基单层道床横断面(无缝线路)B6(160km/h及以下)型单层3300175350一1.75A7III型双层(土质路基)34001853002001.75B7单层(岩石路基)3400185350—1.75A8200km/hIII型单层3500185300一1.75A9单层3500185350一1.75A10250km/hIII型单层3600185350—1.75注:1、表中“II 型”为新 II 型混凝土轨枕、“III 型”为 2.6m 长 III 型混凝土轨枕。2、根据《铁路轨道设计规范》(TB10082-2005)无缝线路轨道半径小于 800m,有缝线路轨道半径小于 600m 的曲线地段,曲线外侧道床顶面宽度应增加 0.1m。1.2 双线路基地段双线路基道床横断面见图 1-2-1~1-2-4、双线路基道床断面尺寸如表 1-2-1、图 1-2-1 双线路基双层道床横断面(有缝线路)图 1-2-2 双线路基单层道床横断面(有缝线路)图 1-2-3 双线路基双层道床横断面(无缝线路)图 1-2-4 双线路基单层道床横断面(无缝线路)双线路基道床断面尺寸表表 1-2-1项目道床尺寸(mm)备注编号轨道类型道床bDHHDmd轨枕类型C1次重型II 型双层31001752502001.754000D1单层3100175300一1.754000有缝C2重型II 型双层31001753002001.754000...

1、当您付费下载文档后,您只拥有了使用权限,并不意味着购买了版权,文档只能用于自身使用,不得用于其他商业用途(如 [转卖]进行直接盈利或[编辑后售卖]进行间接盈利)。
2、本站所有内容均由合作方或网友上传,本站不对文档的完整性、权威性及其观点立场正确性做任何保证或承诺!文档内容仅供研究参考,付费前请自行鉴别。
3、如文档内容存在违规,或者侵犯商业秘密、侵犯著作权等,请点击“违规举报”。

碎片内容

有砟轨道道床断面

确认删除?
VIP
微信客服
  • 扫码咨询
会员Q群
  • 会员专属群点击这里加入QQ群
客服邮箱
回到顶部