电脑桌面
添加小米粒文库到电脑桌面
安装后可以在桌面快捷访问

破碎机定期检查表

破碎机定期检查表_第1页
1/8
破碎机定期检查表_第2页
2/8
破碎机定期检查表_第3页
3/8
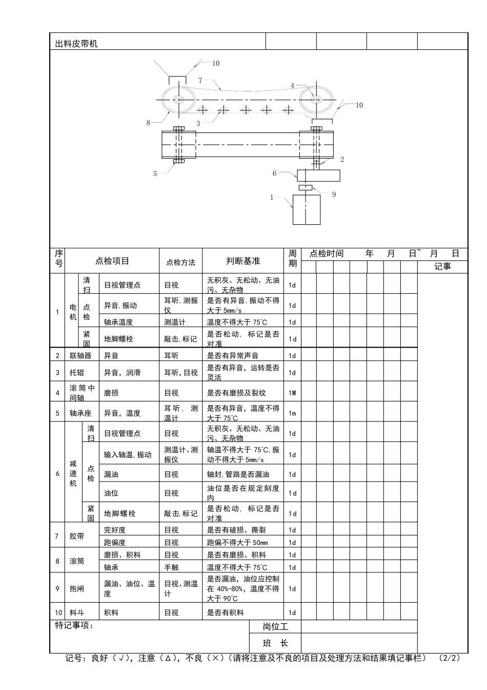
破 碎 系 统 定 期 检 查 表 编 号 : 破 碎 站 设 备 名 称 石 灰 石 破 碎 机 序号 点 检 项 目 点 检 方 法 判 断 基 准 周期 点 检 时 间 年 月 日 ~ 月 日 记 事 1 电机 清扫 目 视 管 理 点 目 视 无 积 灰 、 无 松 动 、 无 油污 、 无 杂 物 1d 点检 异 音 ,振 动 耳 听 ,测 振仪 是 否 有 异 音 ,振 动 不 得大 于 5mm/s 1d 轴 承 温 度 测 温 计 温 度 不 得 大 于 75℃ 1d 紧固 地 脚 螺 栓 敲 击 ,标 记 是 否 松 动 , 标 记 是 否对 准 1d 2 三 角 带 松 动 磨 损 偏 心 目 视 是 否 有 松 动 .磨 损 . 1d 3 主 轴 磨 损 . 开 裂 目 视 是 否 有 磨 损 .裂 纹 停 机 时 4 轴 承 温 度 . 振 动 .异 音 .缺 油 测振仪. 测 温 计 温 度 不 得 大 于75℃ ,是否 有 异 音 . 振 动 不 得大 于5mm/s.是 否 润 滑正 常 1d 5 衬 板 磨 损 .开 裂 .脱落 目 视 衬 板 螺 栓 是 否 磨 损 .裂纹 .脱 落 停 机 时 6 转子部分 锤头 磨 损 . 开 裂 目 视 磨 损 程 度 .是 否 有 裂 纹 停 机 时 篦条 磨 损 .开 裂 目 视 篦 条 是 否 磨 损 .开 裂 停 机 时 特 记 事 项 : 岗 位 工 班 长 记 号 : 良 好 ( √ ), 注 意 ( Δ ), 不 良 ( ×)( 请将注 意 及不 良 的项 目 及处理 方 法 和结果填记 事 栏) ( 1/1) 出 料 皮 带 机 6154387291010 序号 点 检 项 目 点 检 方 法 判 断 基 准 周期 点 检 时 间 年 月 日 ~ 月 日 记 事 1 电机 清扫 目 视 管 理 点 目 视 无 积 灰 、 无 松 动 、 无 油污 、 无 杂 物 1d 点检 异 音 ,振 动 耳 听 ,测 振仪 是 否 有 异 音 ,振 动 不 得大 于 5mm/s 1d 轴 承 温 度 测 温 计 温 度 不 得 大 于 75℃ 1d 紧固 地 脚 螺 栓 敲 击 ,标 记 是 否 松 动 , 标 记 是 否对 准 1d 2 联 轴 器 异 音 耳 听 是 否 有 异 常 声 音 1d 3 托 辊 异 音 , 润 滑 耳 听 ,目 视 是 否 有 异 音 , 运 转 是 ...

1、当您付费下载文档后,您只拥有了使用权限,并不意味着购买了版权,文档只能用于自身使用,不得用于其他商业用途(如 [转卖]进行直接盈利或[编辑后售卖]进行间接盈利)。
2、本站所有内容均由合作方或网友上传,本站不对文档的完整性、权威性及其观点立场正确性做任何保证或承诺!文档内容仅供研究参考,付费前请自行鉴别。
3、如文档内容存在违规,或者侵犯商业秘密、侵犯著作权等,请点击“违规举报”。

碎片内容

破碎机定期检查表

您可能关注的文档

确认删除?
VIP
微信客服
  • 扫码咨询
会员Q群
  • 会员专属群点击这里加入QQ群
客服邮箱
回到顶部