电脑桌面
添加小米粒文库到电脑桌面
安装后可以在桌面快捷访问

硬质合金牌号(国内及进口)性能用途

硬质合金牌号(国内及进口)性能用途_第1页
1/6
硬质合金牌号(国内及进口)性能用途_第2页
2/6
硬质合金牌号(国内及进口)性能用途_第3页
3/6
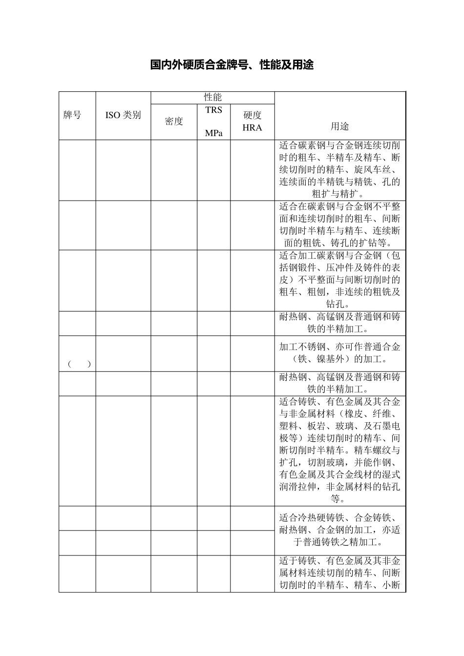
国 内 外 硬 质 合 金 牌 号 、性能及用途 牌号 ISO 类别 性能 用途 密度 TRS MPa 硬度HRA YT15 P10 11.15-11.35 >=1400 92.0-93.0 适合碳素钢与合金钢连续切削时的粗车、半精车及精车、断续切削时的精车、旋风车丝、连续面的半精铣与精铣、孔的粗扩与精扩。 YT14 P20 11.1-1.6 >=1180 >=91 适合在碳素钢与合金钢不平整面和连续切削时的粗车、间断切削时半精车与精车、连续断面的粗铣、铸孔的扩钻等。 YT5 P30 11.2-11.8 >=1270 >=90.5 适合加工碳素钢与合金钢(包括钢锻件、压冲件及铸件的表皮)不平整面与间断切削时的粗车、粗刨,非连续的粗铣及钻孔。 YW1 M10 12.5-13.5 >=1430 >=89.5 耐热钢、高锰钢及普通钢和铸铁的半精加工。 YW10 (YW4) M10 12-12.6 >=1180 >=91.5 加工不锈钢、亦可作普通合金(铁、镍基外)的加工。 YW2 M20 12.5-13.5 >=1230 >=91.5 耐热钢、高锰钢及普通钢和铸铁的半精加工。 YG3 K01 14.9-15.3 >=1350 >=90.5 适合铸铁、有色金属及其合金与非金属材料(橡皮、纤维、塑料、板岩、玻璃、及石墨电极等)连续切削时的精车、间断切削时半精车。精车螺纹与扩孔,切割玻璃,并能作钢、有色金属及其合金线材的湿式润滑拉伸,非金属材料的钻孔等。 YG6X K10 14.8-15.1 >=1180 >=90.5 适合冷热硬铸铁、合金铸铁、耐热钢、合金钢的加工,亦适于普通铸铁之精加工。 YG6A K10 14.7-15.1 >=1420 >=91 YG6 K20 14.7-15.1 >=1370 >=91.5 适于铸铁、有色金属及其非金属材料连续切削的精车、间断切削时的半精车、精车、小断 面精车、粗车螺纹,旋风车丝、连续断面的半精铣与精铣、孔的粗扩、也用于钢、有色金属及其合金线材的干式润滑拉伸、地质勘探、煤炭采掘用电钻及风钻钻头、制造机器与工具的易磨损零件。 YG8N K20-K30 14.5-14.9 >=1520 >=89.5 硬铸铁、球墨铸铁、白口铁及有色金属精加工。 YG8 K20-K30 14.6-14.9 >=1670 >=90.0 适于铸铁、有色金属合金与非金属材料加工中不平整断面的间断的切削的粗车、粗刨、精铣、一般孔和深孔的钻孔、扩孔。钢、有色金属及其合金的棒材与管材的拉伸、电钻钻头、切煤机齿、油井钻头、地质勘探钻头等,制作机器及工具的易磨损零件。如喷咀、顶尖、导向装置,顶段杆及穿孔工具、木工刀片等。 YG8C K30 14.5-14.9 >=1670 >=89.0 适于冲击回转凿岩机用的钎头、凿中硬及较坚硬岩石,亦适合于作...

1、当您付费下载文档后,您只拥有了使用权限,并不意味着购买了版权,文档只能用于自身使用,不得用于其他商业用途(如 [转卖]进行直接盈利或[编辑后售卖]进行间接盈利)。
2、本站所有内容均由合作方或网友上传,本站不对文档的完整性、权威性及其观点立场正确性做任何保证或承诺!文档内容仅供研究参考,付费前请自行鉴别。
3、如文档内容存在违规,或者侵犯商业秘密、侵犯著作权等,请点击“违规举报”。

碎片内容

硬质合金牌号(国内及进口)性能用途

确认删除?
VIP
微信客服
  • 扫码咨询
会员Q群
  • 会员专属群点击这里加入QQ群
客服邮箱
回到顶部