电脑桌面
添加小米粒文库到电脑桌面
安装后可以在桌面快捷访问

通风与空调系统试运行记录VIP专享

通风与空调系统试运行记录_第1页
1/11
通风与空调系统试运行记录_第2页
2/11
通风与空调系统试运行记录_第3页
3/11
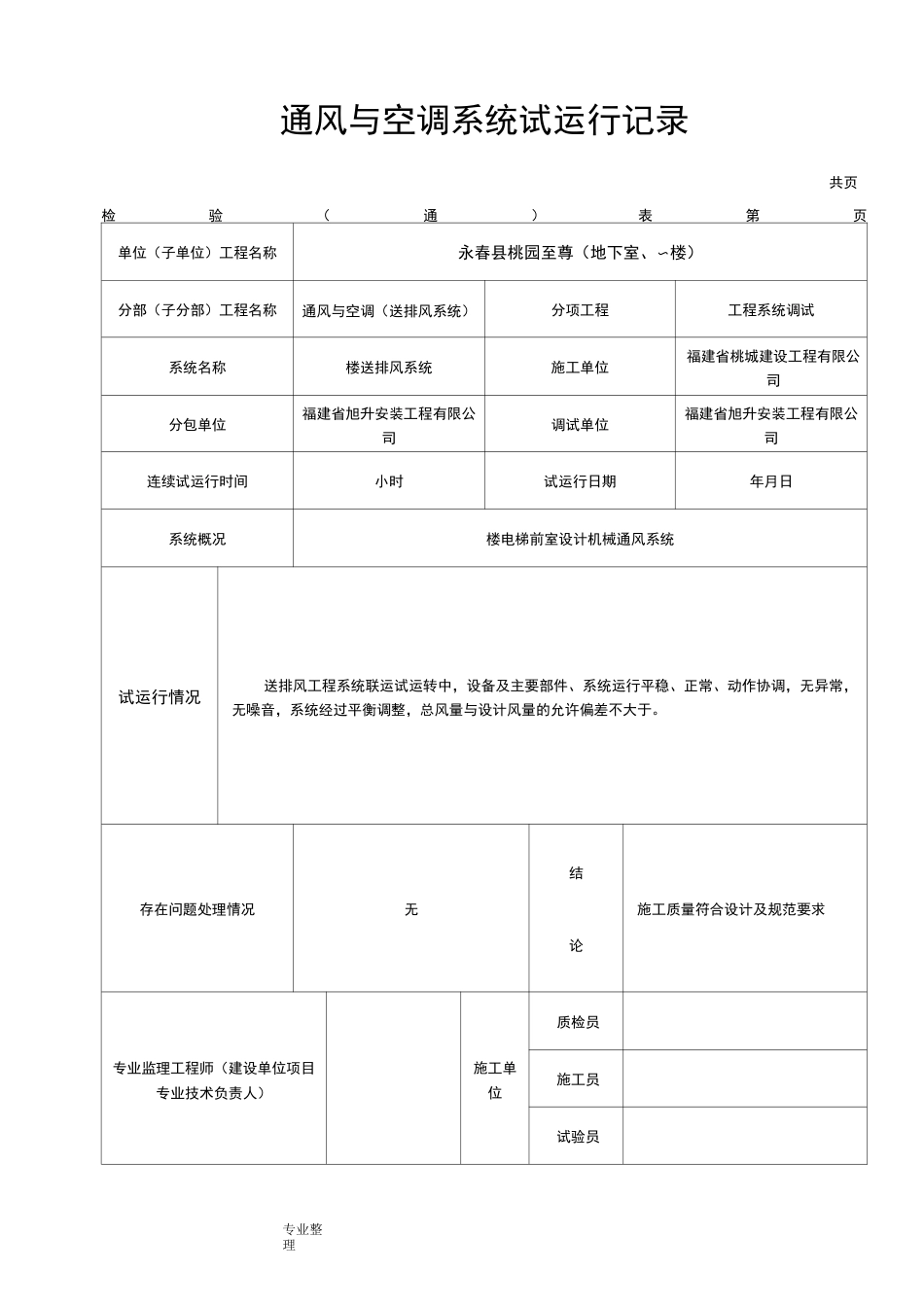
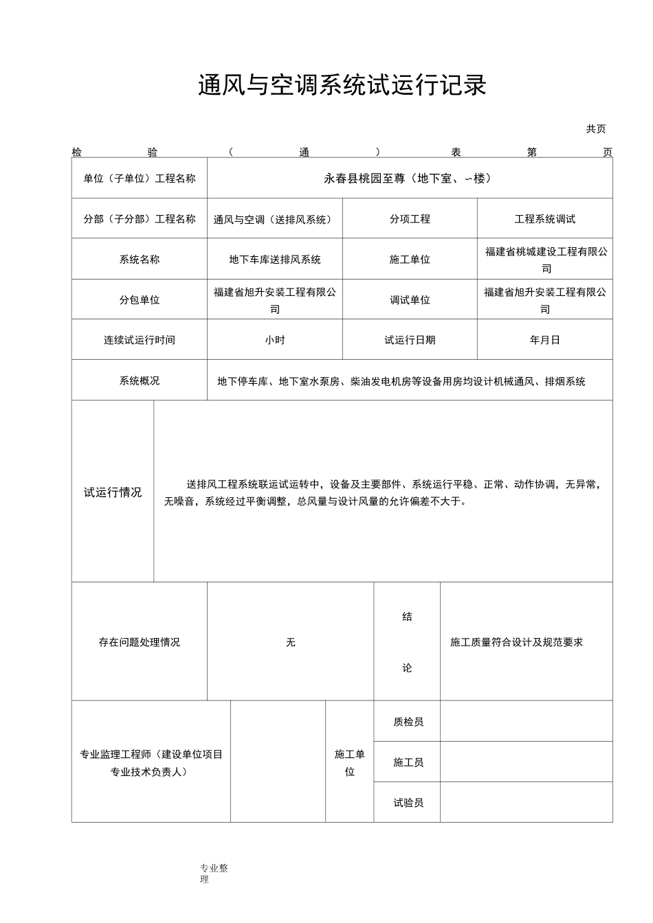
专业整理通风与空调系统试运行记录共页检验(通)表第页单位(子单位)工程名称永春县桃园至尊(地下室、〜楼)分部(子分部)工程名称通风与空调(防排烟系统)分项工程工程系统调试系统名称地下车库防排烟系统施工单位福建省桃城建设工程有限公司分包单位福建省旭升安装工程有限公司调试单位福建省旭升安装工程有限公司连续试运行时间小时试运行日期年月日系统概况地下停车库、地下室配电房等设备用房均设计机械通风、排烟系统试运行情况防排烟工程系统联运试运转中,设备及主要部件、系统运行平稳、正常、动作协调,无异常,无噪音,系统经过平衡调整,总风量与设计风量的允许偏差不大于。存在问题处理情况无结论施工质量符合设计及规范要求专业监理工程师(建设单位项目专业技术负责人)施工单位质检员施工员试验员专业整理通风与空调系统试运行记录共页检验(通)表第页单位(子单位)工程名称永春县桃园至尊(地下室、〜楼)分部(子分部)工程名称通风与空调(送排风系统)分项工程工程系统调试系统名称地下车库送排风系统施工单位福建省桃城建设工程有限公司分包单位福建省旭升安装工程有限公司调试单位福建省旭升安装工程有限公司连续试运行时间小时试运行日期年月日系统概况地下停车库、地下室水泵房、柴油发电机房等设备用房均设计机械通风、排烟系统试运行情况送排风工程系统联运试运转中,设备及主要部件、系统运行平稳、正常、动作协调,无异常,无噪音,系统经过平衡调整,总风量与设计风量的允许偏差不大于。存在问题处理情况无结论施工质量符合设计及规范要求专业监理工程师(建设单位项目专业技术负责人)施工单位质检员施工员试验员专业整理通风与空调系统试运行记录共页检验(通)表第页单位(子单位)工程名称永春县桃园至尊(地下室、〜楼)分部(子分部)工程名称通风与空调(送排风系统)分项工程工程系统调试系统名称楼送排风系统施工单位福建省桃城建设工程有限公司分包单位福建省旭升安装工程有限公司调试单位福建省旭升安装工程有限公司连续试运行时间小时试运行日期年月日系统概况楼电梯前室设计机械通风系统试运行情况送排风工程系统联运试运转中,设备及主要部件、系统运行平稳、正常、动作协调,无异常,无噪音,系统经过平衡调整,总风量与设计风量的允许偏差不大于。存在问题处理情况无结论施工质量符合设计及规范要求专业监理工程师(建设单位项目专业技术负责人)施工单位质检员施工员试验员专业整理通风与空...

1、当您付费下载文档后,您只拥有了使用权限,并不意味着购买了版权,文档只能用于自身使用,不得用于其他商业用途(如 [转卖]进行直接盈利或[编辑后售卖]进行间接盈利)。
2、本站所有内容均由合作方或网友上传,本站不对文档的完整性、权威性及其观点立场正确性做任何保证或承诺!文档内容仅供研究参考,付费前请自行鉴别。
3、如文档内容存在违规,或者侵犯商业秘密、侵犯著作权等,请点击“违规举报”。

碎片内容

通风与空调系统试运行记录

确认删除?
VIP
微信客服
  • 扫码咨询
会员Q群
  • 会员专属群点击这里加入QQ群
客服邮箱
回到顶部