电脑桌面
添加小米粒文库到电脑桌面
安装后可以在桌面快捷访问

工业企业土壤污染隐患排查及整改指南

工业企业土壤污染隐患排查及整改指南_第1页
1/13
工业企业土壤污染隐患排查及整改指南_第2页
2/13
工业企业土壤污染隐患排查及整改指南_第3页
3/13
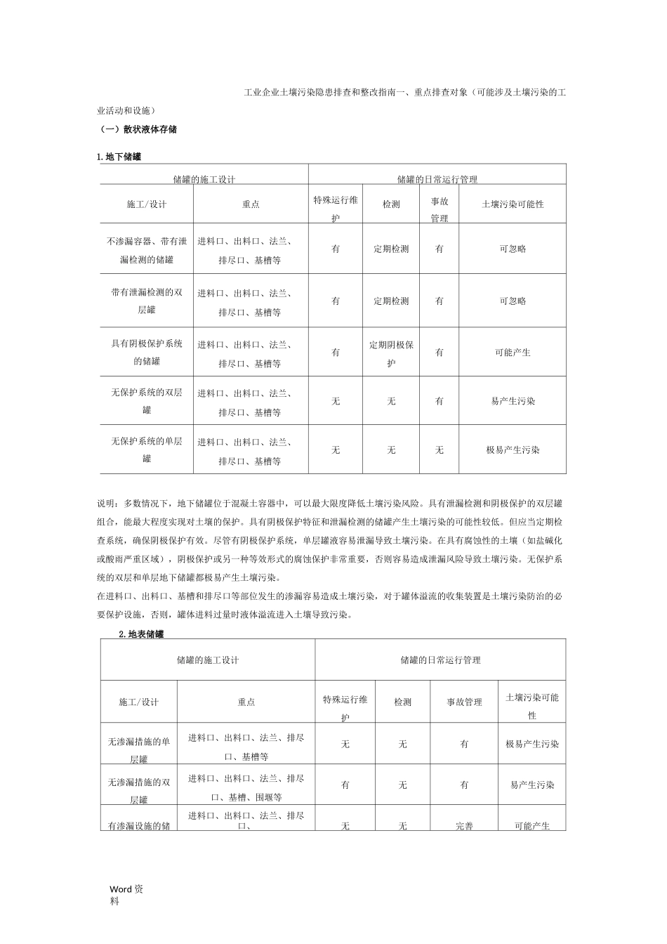
Word 资料工业企业土壤污染隐患排查和整改指南一、重点排查对象(可能涉及土壤污染的工业活动和设施)(一)散状液体存储1.地下储罐储罐的施工设计储罐的日常运行管理施工/设计重点特殊运行维护检测事故管理土壤污染可能性不渗漏容器、带有泄漏检测的储罐进料口、出料口、法兰、排尽口、基槽等有定期检测有可忽略带有泄漏检测的双层罐进料口、出料口、法兰、排尽口、基槽等有定期检测有可忽略具有阴极保护系统的储罐进料口、出料口、法兰、排尽口、基槽等有定期阴极保护有可能产生无保护系统的双层罐进料口、出料口、法兰、排尽口、基槽等无无有易产生污染无保护系统的单层罐进料口、出料口、法兰、排尽口、基槽等无无无极易产生污染说明:多数情况下,地下储罐位于混凝土容器中,可以最大限度降低土壤污染风险。具有泄漏检测和阴极保护的双层罐组合,能最大程度实现对土壤的保护。具有阴极保护特征和泄漏检测的储罐产生土壤污染的可能性较低。但应当定期检查系统,确保阴极保护有效。尽管有阴极保护系统,单层罐液容易泄漏导致土壤污染。在具有腐蚀性的土壤(如盐碱化或酸雨严重区域),阴极保护或另一种等效形式的腐蚀保护非常重要,否则容易造成泄漏风险导致土壤污染。无保护系统的双层和单层地下储罐都极易产生土壤污染。在进料口、出料口、基槽和排尽口等部位发生的渗漏容易造成土壤污染,对于罐体溢流的收集装置是土壤污染防治的必要保护设施,否则,罐体进料过量时液体溢流进入土壤导致污染。2.地表储罐储罐的施工设计储罐的日常运行管理施工/设计重点特殊运行维护检测事故管理土壤污染可能性无渗漏措施的单层罐进料口、出料口、法兰、排尽口、基槽等无无有极易产生污染无渗漏措施的双层罐进料口、出料口、法兰、排尽口、基槽、围堰等有无有易产生污染有渗漏设施的储进料口、出料口、法兰、排尽口、无无完善可能产生Word 资料罐基槽、围堰等有防渗和检测的储罐进料口、出料口、法兰、排尽口、基槽、围堰等专门的储存管理定期检测专业人员和设施可忽略不渗漏的密闭储罐进料口、出料口、法兰、排尽口、基槽、围堰等专门的储存管理定期检测专业人员和设施可忽略说明:多数情况下,地表储罐的泄漏容易识别和检查,地表储罐的泄漏预警系统对土壤污染防护起到更好的作用地表储罐预警系统主要检测罐体的泄露,检查侧重于罐体的下表面、进料口、出料口、法兰、排尽口、基槽和围堰等部位的泄漏情况。具有阴极保护特征和储罐预警系统的地表储罐产生...

1、当您付费下载文档后,您只拥有了使用权限,并不意味着购买了版权,文档只能用于自身使用,不得用于其他商业用途(如 [转卖]进行直接盈利或[编辑后售卖]进行间接盈利)。
2、本站所有内容均由合作方或网友上传,本站不对文档的完整性、权威性及其观点立场正确性做任何保证或承诺!文档内容仅供研究参考,付费前请自行鉴别。
3、如文档内容存在违规,或者侵犯商业秘密、侵犯著作权等,请点击“违规举报”。

碎片内容

工业企业土壤污染隐患排查及整改指南

确认删除?
VIP
微信客服
  • 扫码咨询
会员Q群
  • 会员专属群点击这里加入QQ群
客服邮箱
回到顶部