电脑桌面
添加小米粒文库到电脑桌面
安装后可以在桌面快捷访问

福州110kV铜盘输变电工程环评报告简本

福州110kV铜盘输变电工程环评报告简本_第1页
1/9
福州110kV铜盘输变电工程环评报告简本_第2页
2/9
福州110kV铜盘输变电工程环评报告简本_第3页
3/9
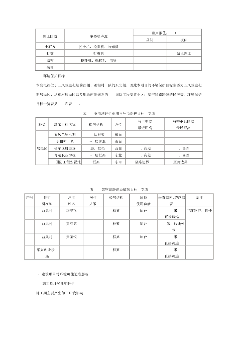
福 州 110kV铜 盘 输 变 电 工 程 环 评 报 告 简 本 随 着 福 州 市 铜 盘 路 一 带 区 域 及 软 件 园 等 相 应 地 块 的 开 发 , 该 区 域 2005 年 最 大 负 荷 约 2.04万 kW, 目 前 全 部由 屏 西 110kV供 电 , 屏 西 变 最 大 负 荷 为136.4MW,负 荷 高 达91% , 容 载 比 仅1.1, 供 电 可 靠 性 较 差 , 线 路 故障 时 无 法 转 移 负 荷 , 不 能 满 足 负 荷 增 长 的 需 求 。 为 满 足 铜 盘 区 域 用 地 需 求 , 缓 解 屏 西 110kV变 过 负 荷 问 题 ,保 证 区 域 正 常 生 产 、 生 活 用 电 , 提 高 供 电 可 靠 性 , 福 建 省 福 州 电 业 局 根 据 福 州 城 市 电 网 “ 十 一 五 ” 规 划 建设 铜 盘 110kV变 电 站 。 该 项 目 信 息 在 环 评 期 间 于 2006 年 7月 10日 在 项 目 周 边 的 社 区 内 予 以 公告 。 1、 建 设 项 目 概况 1.1工 程 名称、 地 点 工 程 名称:福 州 110kV铜 盘 输 变 电 工 程 建 设 单位:福 建 省 福 州 电 业 局 。 工 程 地 点:福 州 市 鼓楼区 铜 盘 五 凤兰庭七期 西 侧, 实际用 地 面积3348.91m2, 建 筑占地 面积1176.24m2。 项目 所在 地 辖属丞相 村。 线 路 概况:110kV进线 2 回, 总长 7.5km:其中架空6.92km, 电 缆580m。 利用 现有大 西 线 走廊进行改建 。 1.2工 程 规 模 本 期 建 设 2×50MVA 主变 压器, 采用 GIS全 封闭组合电 器, 户内 布置。 建 设 2 回110KV进线 , 采用 扩大 内 桥接线 方式。 10kV出线 26 回, 采用 单母线 4 分段 4 断路 器接线 。 无 功补偿为 4×4800kvar, 采用 带 真空断路器的 开 关柜控制;10KV开 关室通风设 备采用 民用 空调。 变 电 站 内 采用 图像监控系统。 该 变 电 站 远期 建 设 为 3×50MVA, 两回110KV进线 , 采用 扩大 内 桥接线 方式;39条馈线 , 6×4800kvar 无 功补偿装置。 110kV进线 从规 划 的 220kV 塔前 变 电 站 接入, 采用 架空和电 缆混合进线 , 塔前 变 出线6.92公里, 采用 截面400mm的 架空线...

1、当您付费下载文档后,您只拥有了使用权限,并不意味着购买了版权,文档只能用于自身使用,不得用于其他商业用途(如 [转卖]进行直接盈利或[编辑后售卖]进行间接盈利)。
2、本站所有内容均由合作方或网友上传,本站不对文档的完整性、权威性及其观点立场正确性做任何保证或承诺!文档内容仅供研究参考,付费前请自行鉴别。
3、如文档内容存在违规,或者侵犯商业秘密、侵犯著作权等,请点击“违规举报”。

碎片内容

福州110kV铜盘输变电工程环评报告简本

您可能关注的文档

小辰3+ 关注
实名认证
内容提供者

出售各种资料和文档

确认删除?
VIP
微信客服
  • 扫码咨询
会员Q群
  • 会员专属群点击这里加入QQ群
客服邮箱
回到顶部