电脑桌面
添加小米粒文库到电脑桌面
安装后可以在桌面快捷访问

穿越高速公路顶管专项施工方案

穿越高速公路顶管专项施工方案_第1页
1/15
穿越高速公路顶管专项施工方案_第2页
2/15
穿越高速公路顶管专项施工方案_第3页
3/15
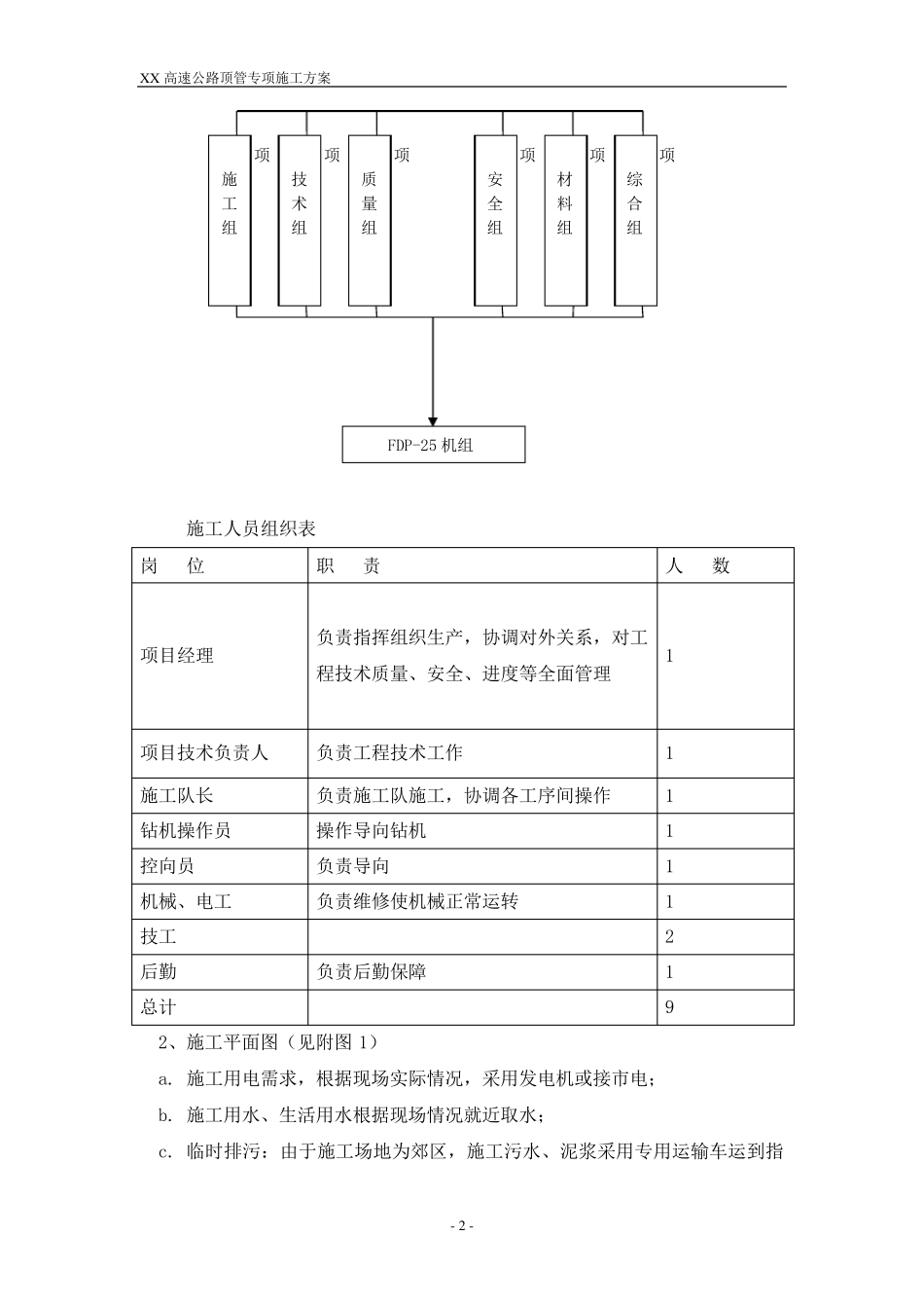
目 录 一、 编制依据 ........................................... 1 二、 工程概况 ........................................... 1 三、工作内容及范围 ...................................... 1 四、主要施工准备 ........................................ 1 五、施工步骤方法 ........................................ 4 六、技术措施 ............................................ 8 七、施工质量保证措施 .................................... 9 八、安全技术措施 ....................................... 10 九、环境保护措施及文明施工 ............................. 11 十、应急方案 ........................................... 12 十一、安全评估分析 ..................................... 14 附:顶管平面图及剖面图 X X 高 速 公 路 顶 管 专 项 施 工 方 案 - 1 - 一 、 编 制 依 据 1.XX( 电 缆 电 气 ) 设 计 图 纸 ; 2.XX( 电 缆 土 建 ) 设 计 图 纸 ; 3.国 家 现 行 有 关 电 力 法 律 法 规 ; 4.《 建 筑 施 工 安 全 检 查 标 准 》; 5. 顶 管 施 工 规 范 、 施 工 技 术 规 程 、 质 量 评 定 标 准 与 验 收 办 法 ; 6.国 家 电 网 公 司 有 关 文 明 施 工 安 全 标 准 化 现 场 管 理 规 定 ; 7.国 家 电 网 公 司 IS09002 质 量 手 册 、 程 序 控 制 文 件 及 作 业 指 导 书 ; 8.《 城 市 电 力 电 缆 线 路 设 计 技 术 规 定 》 DL/T5221-2005; 9.《 城 市 工 程 管 线 综 合 规 划 规 范 》 GB 50289-98。 二 、 工 程 概 况 本 工 程 为XX 线 路 工 程 , 建 设 单 位 是XX, 设 计 单 位 是XX, 监 理 单 位 是XX,施 工 单 位 是 XX。 其 施 工 路 径 由 XX 至 XX, 线 路 路 径 总 长 度 XX 米 , 路 径 坐 标 点 XX路 段 需 穿 过XX 高 速 公 路 XX 处 。 根 据 设 计 要 求 , 线 路 通 过XX 高 速 , 考 虑 安 全 因素 , 决 定 采 用 顶 管 穿 越 高 速 公 路 的 方 法 敷 设 电 缆 , 顶 管 采 用4*MPP-D200*15 管 、1*MP...

1、当您付费下载文档后,您只拥有了使用权限,并不意味着购买了版权,文档只能用于自身使用,不得用于其他商业用途(如 [转卖]进行直接盈利或[编辑后售卖]进行间接盈利)。
2、本站所有内容均由合作方或网友上传,本站不对文档的完整性、权威性及其观点立场正确性做任何保证或承诺!文档内容仅供研究参考,付费前请自行鉴别。
3、如文档内容存在违规,或者侵犯商业秘密、侵犯著作权等,请点击“违规举报”。

碎片内容

穿越高速公路顶管专项施工方案

您可能关注的文档

确认删除?
VIP
微信客服
  • 扫码咨询
会员Q群
  • 会员专属群点击这里加入QQ群
客服邮箱
回到顶部