电脑桌面
添加小米粒文库到电脑桌面
安装后可以在桌面快捷访问

立井提升绞车安装标准

立井提升绞车安装标准_第1页
1/7
立井提升绞车安装标准_第2页
2/7
立井提升绞车安装标准_第3页
3/7
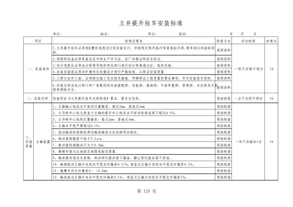
标 准 及 要 求检 查 方 法评 分 标 准标 准 分1.立 井 提 升 绞 车 必 须 有 完 整 的 选 型 设 计 及 安 装 设 计 , 并 按 规 定 程 序 执 行 审 查 报 批 手 续 ,要 有 相 应 的 验 收 资料 。查 阅 资 料2.选 购 的 设 备 必 须 有 鉴 定 证 书 和 生 产 许 可 证 。 出 厂 合 格 证 和 安 全 标 志 。查 阅 资 料3.设 计 选 型 后 必 须 由 分 管 领 导 组 织 有 关 部 门 进 行 设 计 审 查 通 过 后 , 组 织 实 施 。查 阅 资 料4.设 备 安 装 前 必 须 对 矿 建 项 目 依 据 设 计 进 行 严 格 验 收 , 以 保 证 安 装 质 量查 阅 资 料5.工 程 计 划 开 工 前 , 必 须 制 定 施 工 安 全 技 术 措 施 , 明 确 保 证 工 程 质 量 的 要 求 事 项 , 作 为 安 装 技 术 准 则 。查 阅 资 料6.安 装 应 有 由 设 计 部 门 和 厂 家 提 供 的 设 备 装 配 图 、 安 装 图 、 基 础 图 、 平 面 布 臵 图 、 原 理 图 、 关 系 图 及 方 框图 等 图 纸 齐 全 。查 阅 资 料设 备 符 合 《 立 井 提 升 绞 车 完 好标 准 》要 求 , 要 台台完 好。现场检 查一台不完 好不得分101、 主轴轴心线在水平 面 内位臵 偏差:塔式2mm, 落地式5mm。现场检 查2、 主导 轮中心线与垂直于主轴的 提 升 中心线在水平 面 内的 垂直度不超过 0.5‰。现场检 查3、 主导 轮中心线的 位臵 偏差:塔式2mm, 落地式5mm。现场检 查4、 主轴水平 度严 禁超过 0.1‰。现场检 查5、 滚动轴承的 游隙或滑动轴承轴肩与瓦间隙符 合 规 定 。现场检 查6、 制 动盘粗糙度不低于3.2μm。现场检 查7、 制 动盘的 端跳动不大于0.5mm。现场检 查8、 摩擦衬垫与压块固定 块筒壳贴实 紧靠。现场检 查9、 轴承箱内清洁无杂物, 转动部 位接合 面 不漏油, 静止部 位接合 面 不渗油。现场检 查10、 轴垫板沿主轴方 向的 水平 度允许 偏差0.15‰,垂直与主轴方 向的 水平 度允许 偏差0.3‰。现场检 查11、 绳槽半径允许 偏差0~ -0.2mm。现场检 查12、 轴承座沿主轴方 向水平 度允许 偏差0.1‰, 垂直...

1、当您付费下载文档后,您只拥有了使用权限,并不意味着购买了版权,文档只能用于自身使用,不得用于其他商业用途(如 [转卖]进行直接盈利或[编辑后售卖]进行间接盈利)。
2、本站所有内容均由合作方或网友上传,本站不对文档的完整性、权威性及其观点立场正确性做任何保证或承诺!文档内容仅供研究参考,付费前请自行鉴别。
3、如文档内容存在违规,或者侵犯商业秘密、侵犯著作权等,请点击“违规举报”。

碎片内容

立井提升绞车安装标准

您可能关注的文档

确认删除?
VIP
微信客服
  • 扫码咨询
会员Q群
  • 会员专属群点击这里加入QQ群
客服邮箱
回到顶部