电脑桌面
添加小米粒文库到电脑桌面
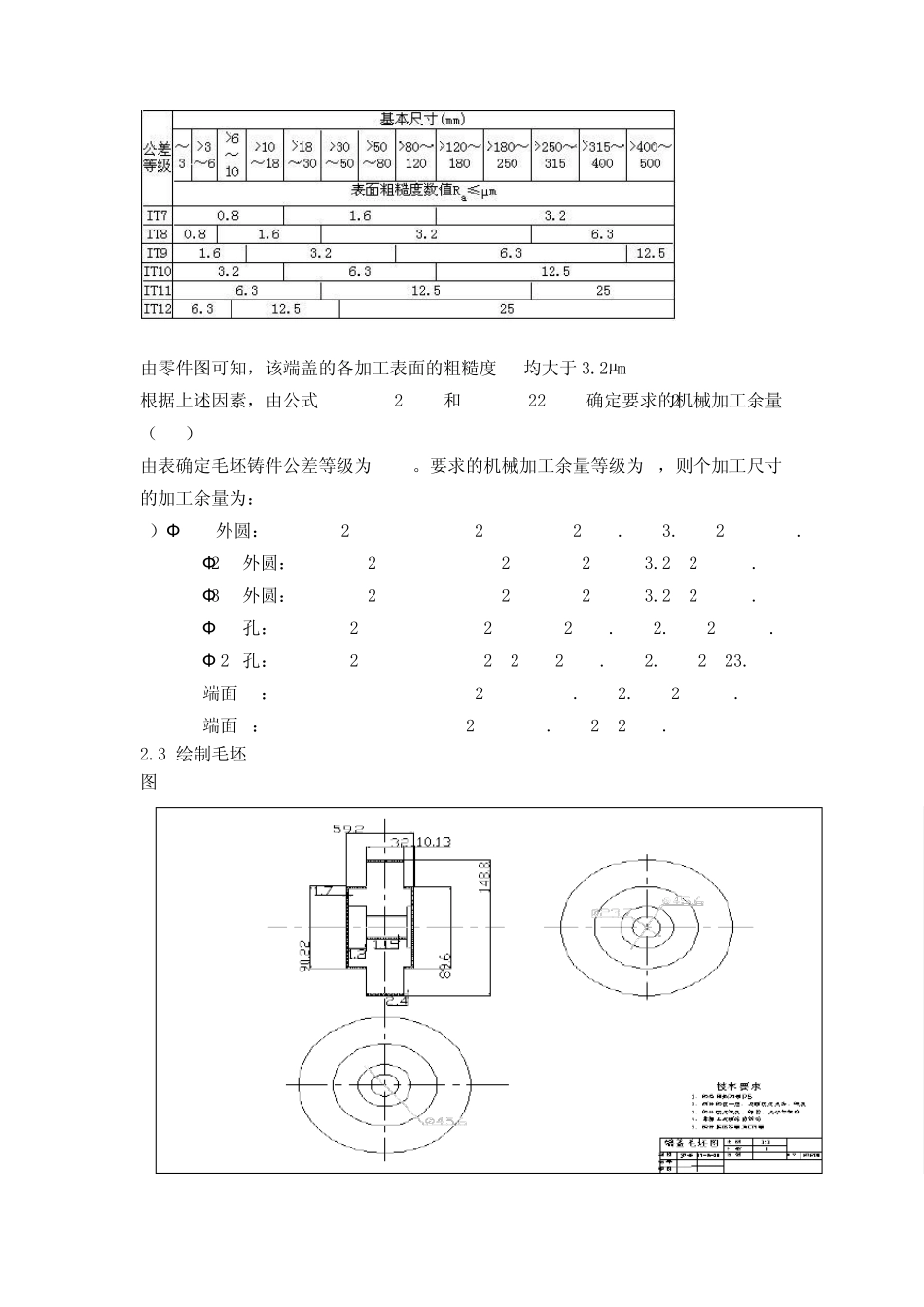
安装后可以在桌面快捷访问

端盖设计说明书

端盖设计说明书_第1页
1/13
端盖设计说明书_第2页
2/13
端盖设计说明书_第3页
3/13
端盖及其夹具设计 序言 机械制造技术基础课程设计是在大三学年下学期进行的,在进工厂实习之前对所学各课程的一次深入的综合性的总复习,也是一次理论联系实际的训练,因此,它在我们四年的大学生活中占有重要的地位。 就我个人而言,我希望能通过这次课程设计对自己未来将从事的工作进行一次适应性训练,从中锻炼自己分析问题、解决问题的能力,为今后参加祖国的“四化”建设打下一个良好的基础。 由于能力所限,设计尚有许多不足之处,恳请老师给予指导。 1.零件图分析 1.1零件的功用 本零件为轴承端盖,是用来调整轴承相关装配位置的一种零件。用来定位,固定轴类件,防止轴向运动 1.2零件工艺分析 1.2.1端盖的技术要求:(表1-1) 加工表面 尺寸及偏差 (mm) 公差及精度要求 表面粗糙度 Ra(µm) 行位公差 (mm) 端盖左 端面 56 12.5 端盖右 端面 56 12.5 Ф 84外 圆 84 IT10 12.5 Ф 86外 圆 86-0.012 -0.034 IT6 3.2 Ф 144外 圆 144 IT10 12.5 Ф 26内 孔 26+0.021 0 IT7 3.2 Ф 48内 孔 48+0.062 0 IT9 3.2 3*M8普 通螺 纹 M8 12.5 6*Ф 9沉 孔 9 12.5 Ф 16孔 16 12.5 1:16管 螺 纹 1:16(深度18) 12.5 表1-1 端盖的技术要求 该 端盖形 状 为盘 类,结 构 简 单 属 一般 的轮 盘 类零件。为实现 支 撑 轴向定位作用。必须 满 足端盖的位置度要求,即 垂 直 度和 同 轴度的要求,因此加工精度要求较 高 。端盖在工作中需承受载荷,为增加其耐磨性,则对端盖要求时效处理;Ф 86外援端面的尺寸为86-0.0.12 -0.034,且它的中心线与孔Ф 26的中心线的同轴度要求为0.04mm,Ф 26孔的尺寸为26+0.021 0;为保证端盖右侧面受力均匀,要求端盖右侧面对Ф 26+0.021 0孔的垂直度为0.006mm。 综上所述,该端盖的各县技术要求制定的较合理,符合该零件在实际中的功用。 1.2.2审查端盖的工艺性: 分析零件图可知,端盖的两端面和Ф 86、Ф 84、Ф 144外园均要求车销加工;Ф 26孔和Ф 48孔的端面均为平面,可以防止加工过程中铸件偏斜,以保证孔的加工精度;另外,该零件除主要表面(孔Ф Ф 26+0.021 0、Ф 48+0.062 0孔和外圆Ф 86-0.0.12 -0.034)外,其余表面加工精度均较低,不需要高精度机床加工,通过车削,钻床的粗加工就可以在正常的生产条件下,采用较经济的方法保质保量地加工出来。由此可见,该零件的...

1、当您付费下载文档后,您只拥有了使用权限,并不意味着购买了版权,文档只能用于自身使用,不得用于其他商业用途(如 [转卖]进行直接盈利或[编辑后售卖]进行间接盈利)。
2、本站所有内容均由合作方或网友上传,本站不对文档的完整性、权威性及其观点立场正确性做任何保证或承诺!文档内容仅供研究参考,付费前请自行鉴别。
3、如文档内容存在违规,或者侵犯商业秘密、侵犯著作权等,请点击“违规举报”。

碎片内容

端盖设计说明书

确认删除?
VIP
微信客服
  • 扫码咨询
会员Q群
  • 会员专属群点击这里加入QQ群
客服邮箱
回到顶部