电脑桌面
添加小米粒文库到电脑桌面
安装后可以在桌面快捷访问

第07章通风空调系统的施工方法、程序说明和附图

第07章通风空调系统的施工方法、程序说明和附图_第1页
1/22
第07章通风空调系统的施工方法、程序说明和附图_第2页
2/22
第07章通风空调系统的施工方法、程序说明和附图_第3页
3/22
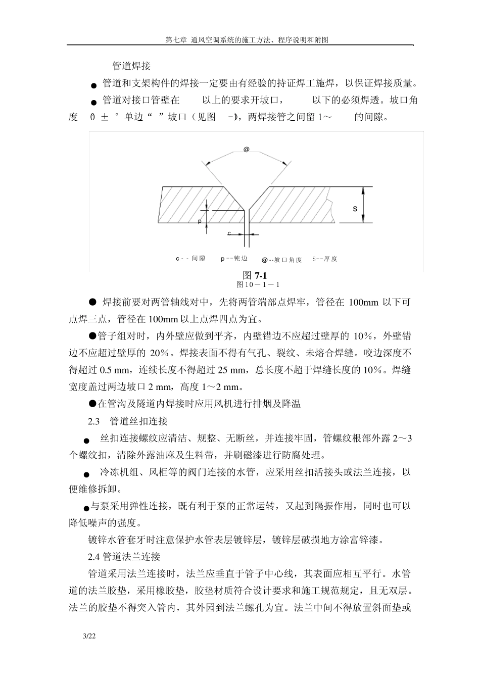
第七章 通风空调系统的施工方法、程序说明和附图 1 /2 2 第七章 通风空调系统的施工方法、程序说明和附图 第一节 系统概况 1 、水系统 本站制冷系统设于制冷机房,设置 2 台螺杆式冷水机组和相应的冷冻水泵和冷却塔及冷却水泵,冷却塔置于活塞风亭的绿化带内。冷冻水泵采用管道式水泵,冷冻水管经设备层,送至各大小系统的组合式空调机组、柜式空调器及风机盘管,冷冻水系统末端设备回水管装有电动比例二通阀,通过回风温度(新风空调器则通过送风温度)调节水量的变化,冷水机组主机进出水总管间设有压差旁通阀,风柜及风机盘管的冷凝水管接入就近地漏。 2 、车站轨道排风系统 本系统轨顶排风管与站台下排风管均采用土建风道,通过集中风室把轨顶和站台下的排风道连起来,利用分设在两端环控机房内的风机进行排风。 3 、车站公共区通风空调系统 本系统采用双风机全空气系统,组合式空调器分设于车站两端设备用房内,各自负责一定区域的负荷。空调运行工况根据室外,新风 值与送风 值,回风焓值的对比采用小新风、全新风、全通风三种运行工况。 6 、车站设备管理区通风空调系统 本系统共分多个小系统,各小系统分别供设备管理用房的通风空调服务。 第二节 空调水系统 一、施工准备 1 、空调水施工主管必须熟悉空调水系统管网布置图和技术要求,有关规范、 规程、了解管网工艺流程及施工工艺,按《技术交底制度》对施工班组长进行技术交底。 2 、根据施工进度,空调水施工主管作出管材、管件计划,由有材设门进行采购。 3 、管材、管件到工地后,材料员应按材料进场规定报驻地监理进行验收,核第七章 通风空调系统的施工方法、程序说明和附图 2/22 对其规格、数量、镀锌质量等,并作记录,然后入库标识。并把验收结果向空调水施工主管汇报。确认合格才能使用。阀门进场时要进行抽查试压试验,对于工作压力大于1.0MP 及在主干管上起切断作用阀门,逐个进行强度和严密性检验,对需要送检材料,进行见证抽检及通知质检站进行监督抽检。。 4、质安员对施工机具按《施工机具管理制度》进行全面检查,合格后方可使用。 5、对工人进行技术、安全考核,合格者才能进入工地施工。 二、管材选用 管径 DN≤80 的水管采用热镀锌钢管,丝扣连接;管径DN>80 采用无缝钢管焊接。 三、管网安装 1.1空调冷冻、冷却水管道的施工流程 2、管道的连接方式 2.1 管径D≥100采用焊接,;管径<100丝扣连接水管采用丝扣连...

1、当您付费下载文档后,您只拥有了使用权限,并不意味着购买了版权,文档只能用于自身使用,不得用于其他商业用途(如 [转卖]进行直接盈利或[编辑后售卖]进行间接盈利)。
2、本站所有内容均由合作方或网友上传,本站不对文档的完整性、权威性及其观点立场正确性做任何保证或承诺!文档内容仅供研究参考,付费前请自行鉴别。
3、如文档内容存在违规,或者侵犯商业秘密、侵犯著作权等,请点击“违规举报”。

碎片内容

第07章通风空调系统的施工方法、程序说明和附图

小辰4+ 关注
实名认证
内容提供者

出售各种资料和文档

相关文档

确认删除?
VIP
微信客服
  • 扫码咨询
会员Q群
  • 会员专属群点击这里加入QQ群
客服邮箱
回到顶部