电脑桌面
添加小米粒文库到电脑桌面
安装后可以在桌面快捷访问

简支梁桥设计

简支梁桥设计_第1页
1/27
简支梁桥设计_第2页
2/27
简支梁桥设计_第3页
3/27
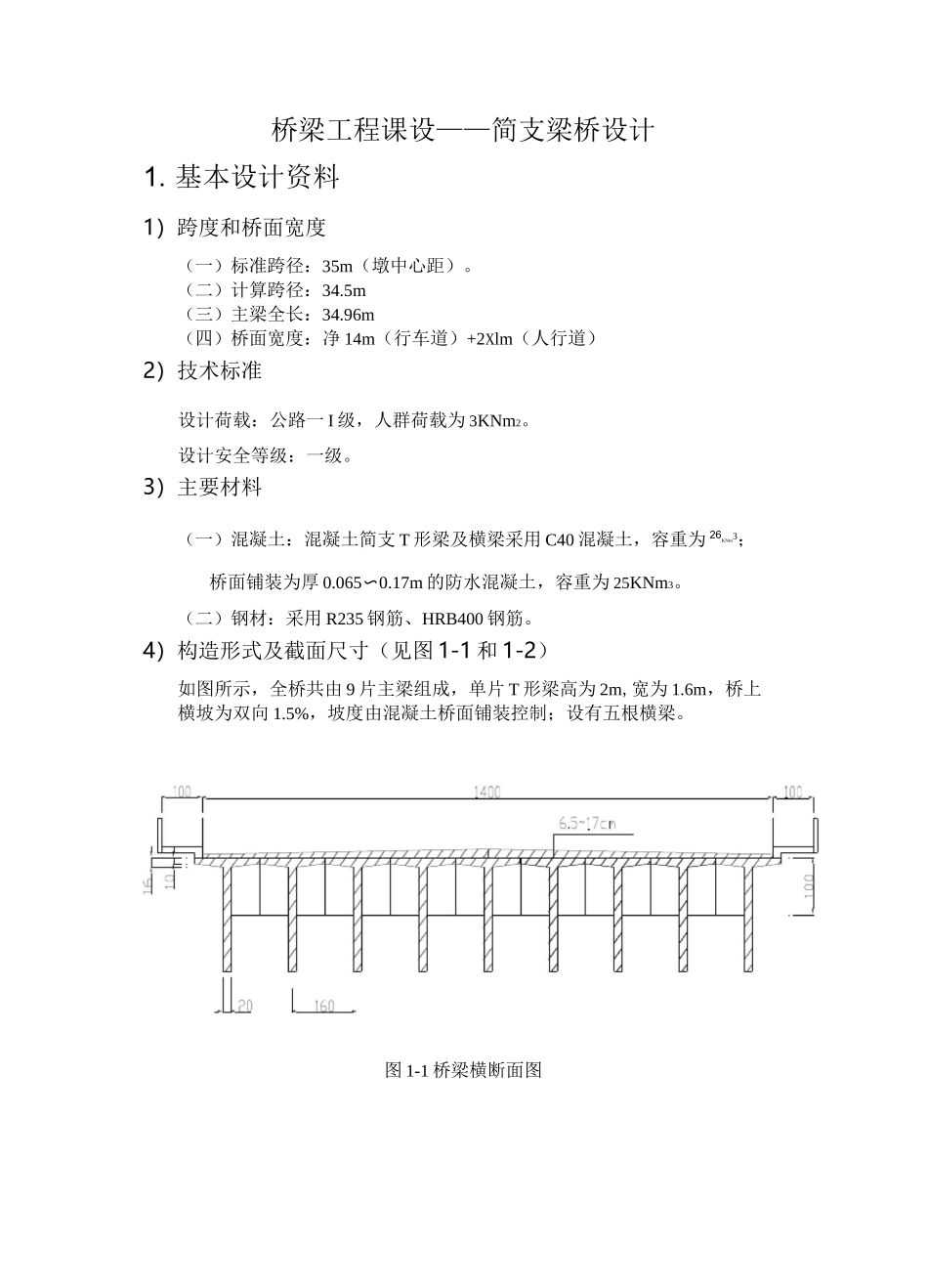
桥梁工程课设——简支梁桥设计1. 基本设计资料1)跨度和桥面宽度(一)标准跨径:35m(墩中心距)。(二)计算跨径:34.5m(三)主梁全长:34.96m(四)桥面宽度:净 14m(行车道)+2Xlm(人行道)2)技术标准设计荷载:公路一 I 级,人群荷载为 3KNm2。设计安全等级:一级。3)主要材料(一)混凝土:混凝土简支 T 形梁及横梁采用 C40 混凝土,容重为 26KNm3;桥面铺装为厚 0.065〜0.17m 的防水混凝土,容重为 25KNm3。(二)钢材:采用 R235 钢筋、HRB400 钢筋。4)构造形式及截面尺寸(见图 1-1 和 1-2)如图所示,全桥共由 9 片主梁组成,单片 T 形梁高为 2m,宽为 1.6m,桥上横坡为双向 1.5%,坡度由混凝土桥面铺装控制;设有五根横梁。图 1-1 桥梁横断面图图 1-2 主梁纵断面图2. 主梁的荷载横向分布系数计算1)跨中荷载横向分布系数计算如前所述,本例桥跨内设有 5 道横隔梁,具有可靠横向连接,且承重结构的宽跨比为:Bl=16.34.5=0.464<0.5,故可以按照修正的刚性横梁法来绘制横向影响线和计算横向分布系数 m。c(一)计算主梁的抗弯和抗扭惯性矩 1 和 I翼缘板厚按平均厚度计算,其平均板厚为则,h=2x(10+16)=13cm(160-20)x13x13+200x20x100x=2=70.8cm(160-20)x13+200x20主梁抗弯惯性矩 I 为1131I=—x(160-20)x133+(160-20)x13x(70.8-一)2+一 x20x2003+20x200x(100-70.8)2_12212=24294296.8cm4对于 T 形梁截面,抗扭惯性矩可近似按下式计算:I=XcbtTiiii=1式中 b,t——单个矩形截面的宽度和高度;iib/t1.01.51.752.02.53.04.06.08.010.0ooc0.1410.1960.2140.229 0.2490.263 0.2810.2990.3070.3130.333c——矩形截面抗扭刚度系数,由表 2-1 可以查的i表 2-1 矩形截面抗扭刚度系数表m——梁截面划分成单个矩形截面的个数。I 的计算过程及结果见表 2-2分块名称b/cmit/cmib」t.1IciI/m4Ti'翼缘板1601312.30.33330.001172腹板187209.350.3110.004653E0.005825表 2-2T 形梁抗扭惯性矩既得 I=5.825x10-3m4T(二)计算抗扭修正系数 P对于本例,主梁间距相同,将主梁近似看成等截面,则得B===0.9682-nl2GI,9x34.52x0.425Ex5.825x10-31+—1+12EI乙 a2i12Ex0.243x153.6(三)按修正偏心压力法计算横向影响线竖坐标值n1ae=+卩 i—ny厶 a2ii=1式中n=9,ya2=2x(6.42+4.82+3.22+1.62)=153・6m2;n 表/示单彳刁荷奉戈iiji=1P=1 作用于 j 号梁轴时,i 号梁轴上所受的作用,计算所得 nj列于...

1、当您付费下载文档后,您只拥有了使用权限,并不意味着购买了版权,文档只能用于自身使用,不得用于其他商业用途(如 [转卖]进行直接盈利或[编辑后售卖]进行间接盈利)。
2、本站所有内容均由合作方或网友上传,本站不对文档的完整性、权威性及其观点立场正确性做任何保证或承诺!文档内容仅供研究参考,付费前请自行鉴别。
3、如文档内容存在违规,或者侵犯商业秘密、侵犯著作权等,请点击“违规举报”。

碎片内容

简支梁桥设计

确认删除?
VIP
微信客服
  • 扫码咨询
会员Q群
  • 会员专属群点击这里加入QQ群
客服邮箱
回到顶部