电脑桌面
添加小米粒文库到电脑桌面
安装后可以在桌面快捷访问

职业安全健康管理方案

职业安全健康管理方案_第1页
1/6
职业安全健康管理方案_第2页
2/6
职业安全健康管理方案_第3页
3/6
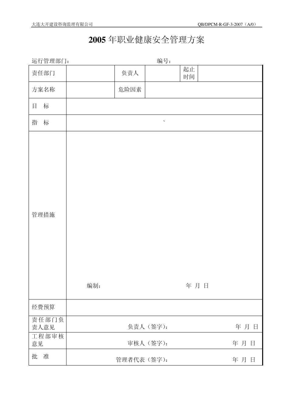
大连大开建设咨询监理有限公司 QB/DPCM-R-GF-3-2007(A/0) 2 0 0 5 年职业健康安全管理方案 运行管理部门: 编号: 责任部门 负责人 起止时间 方案名称 危险因素 目 标 指 标 ` 管理措施 编制: 年 月 日 经费预算 责任部门负责人意见 负责人(签字): 年 月 日 工程部审核意见 审核人(签字): 年 月 日 批 准 管理者代表(签字): 年 月 日 大连大开建设咨询监理有限公司 QB/DPCM-R-GF-3-2007(A/0) 2 0 0 5 年职业健康安全管理方案 运行管理部门:经营管理部 编号:(经)-2007-01 责任部门 经营管理部 负责人 起止时间 2006.3.10-2006.12.31 方案名称 防火安全的管理 危险因素 可燃物失火 目 标 防火安全 指 标 本部全年无火灾事故` 管理措施 针对本公司办公楼防火安全,我们采取的管理措施是: 1、成立防火安全领导小组; 2、按现有办公室布局划分防火责任区,明确防火责任人:1)董事长室、总经理室、副经理室、杨昆负责;2)财务室,郝秀丽负责;3)打字室、资料室,李敬波负责;4)招标代理部,朱作勇负责;5)一层大厅、二层大厅、大小会议室及其他,杨昆负责; 3、定期进行检查,及时发现情况,杜绝火灾隐患; 4、配合必要的消防器具,并要求在消防管理部门指定处购买,定期对消防器具进行检查; 5、公司本部严禁明火,严禁吸烟; 6、对员工进行相关培训,教育员工牢固树立安全意识; 7、牢记火警报警电话:119。 编制:裴岐峻 2007 年3 月 20 日 经费预算 责任部门负责人意见 负责人(签字): 年 月 日 工程部审核意见 审核人(签字): 年 月 日 批 准 管理者代表(签字): 年 月 日 大连大开建设咨询监理有限公司 QB/DPCM-R-GF-3-2007(A/0) 2 0 0 5 年职业健康安全管理方案 运行管理部门:经营管理部 编号:(经)-2007-02 责任部门 经营管理部 负责人 起止时间 2006.3.10-2006.12.31 方案名称 对汽车驾驶员的管理 危险因素 车辆事故 目 标 特种设备运行和特种工作人员持证上岗符合国家要求 指 标 `汽车驾驶员必须持证上岗;全年无伤亡事故 管理措施 针对本公司特种设备运行和特种人员持证上岗、全年无伤亡事故的指标,我们采取的措施是: 1、要求专、兼职汽车驾驶员在驾驶车辆时,必须携带驾驶证、行车执照; 2 、严禁无驾驶证人员驾驶车辆,严禁专、兼职汽车驾驶员将车辆交由无驾驶证人员...

1、当您付费下载文档后,您只拥有了使用权限,并不意味着购买了版权,文档只能用于自身使用,不得用于其他商业用途(如 [转卖]进行直接盈利或[编辑后售卖]进行间接盈利)。
2、本站所有内容均由合作方或网友上传,本站不对文档的完整性、权威性及其观点立场正确性做任何保证或承诺!文档内容仅供研究参考,付费前请自行鉴别。
3、如文档内容存在违规,或者侵犯商业秘密、侵犯著作权等,请点击“违规举报”。

碎片内容

职业安全健康管理方案

确认删除?
VIP
微信客服
  • 扫码咨询
会员Q群
  • 会员专属群点击这里加入QQ群
客服邮箱
回到顶部