电脑桌面
添加小米粒文库到电脑桌面
安装后可以在桌面快捷访问

聚苯板施工方案

聚苯板施工方案_第1页
1/9
聚苯板施工方案_第2页
2/9
聚苯板施工方案_第3页
3/9
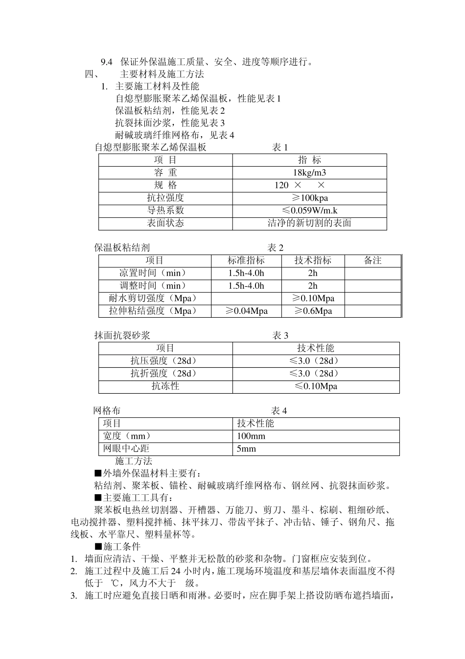
EPS 保温板外墙外保温施工方案 一、 编制依据 1. 工程设计图纸 2. 外墙外保温应用技术规范 3. 外墙外保温应用技术规程J11135-2008 4. 居住建筑保温构造详图节能65%L06J113 5. 外墙外保温构造详图(三)(FPS 板薄抹灰保温系统)L07J110 二、 工程概况 1.工程名称: 2.工程地点: 3.承包单位: 4.结构形式: 5.保温形式:建筑物外墙,贴18kg/m 3 容重、6cm 厚聚苯板做法保温层,其内铺设耐碱玻璃纤维网格布、钢丝网。 三、 施工部署 1.工程量:外墙保温面积约 m 3 2.施工顺序与进度计划: 材料/工具准备→基础墙面处理→弹线找平→粘贴保温板→打磨找平→安装锚拴→抹第一遍砂浆/铺设网格布、钢丝网→抹第二遍砂浆→细部处理→验收 6. 进度计划: 外保温施工进度计划根据甲方总体施工计划进行部署,建筑物主体封顶并结构验收以及门、窗框、落水管固定件等安装到位后,即可进行外保温施工。 7. 劳动力计划: 项目经理 1 技术人员 2 安全负责人员 1 班长 1 技术工人 20 辅助工人 5 材料员 1 8. 主要施工工具包括: 抹刀、专用锯齿抹刀、角抹刀、打磨抹子、保温板支架、电动搅拌机、靠尺、多用刀、托灰板、拉线、弹线墨盒、线坠、刷子等一般施工工具及施工人员必备的劳保用品。 9. 组织协调 9.1 在甲方及总包方组织的生产协调会上,将本工程近期的施工进度、质量、安全等方面的工作做详细的汇报。 9.2 对本工程在日常施工中存在的需总包方协调的问题,请总包方及时解决。 9.3 对甲方及总包方在施工方面提出的要求,根据现场情况和工程特点及时作出调整。 9.4 保证外保温施工质量、安全、进度等顺序进行。 四、 主要材料及施工方法 1. 主要施工材料及性能 自熄型膨胀聚苯乙烯保温板,性能见表1 保温板粘结剂,性能见表2 抗裂抹面沙浆,性能见表3 耐碱玻璃纤维网格布,见表4 自熄型膨胀聚苯乙烯保温板 表1 项 目 指 标 容 重 18kg/m3 规 格 1200×600×60mm 抗拉强度 ≥100kpa 导热系数 ≤0.059W/m.k 表面状态 洁净的新切割的表面 保温板粘结剂 表2 项目 标准指标 技术指标 备注 凉置时间(min) 1.5h-4.0h 2h 调整时间(min) 1.5h-4.0h 2h 耐水剪切强度(Mpa) ≥0.10Mpa 拉伸粘结强度(Mpa) ≥0.04Mpa ≥0.6Mpa 抹面抗裂砂浆 表3 项目 技术性能 抗压强度(28d) ≤3.0(28d) 抗折强度(28d) ≤3.0(28d) 抗冻性 ≤0.10Mpa...

1、当您付费下载文档后,您只拥有了使用权限,并不意味着购买了版权,文档只能用于自身使用,不得用于其他商业用途(如 [转卖]进行直接盈利或[编辑后售卖]进行间接盈利)。
2、本站所有内容均由合作方或网友上传,本站不对文档的完整性、权威性及其观点立场正确性做任何保证或承诺!文档内容仅供研究参考,付费前请自行鉴别。
3、如文档内容存在违规,或者侵犯商业秘密、侵犯著作权等,请点击“违规举报”。

碎片内容

聚苯板施工方案

确认删除?
VIP
微信客服
  • 扫码咨询
会员Q群
  • 会员专属群点击这里加入QQ群
客服邮箱
回到顶部