电脑桌面
添加小米粒文库到电脑桌面
安装后可以在桌面快捷访问

升降机基础施工方案VIP免费

升降机基础施工方案_第1页
1/17
升降机基础施工方案_第2页
2/17
升降机基础施工方案_第3页
3/17
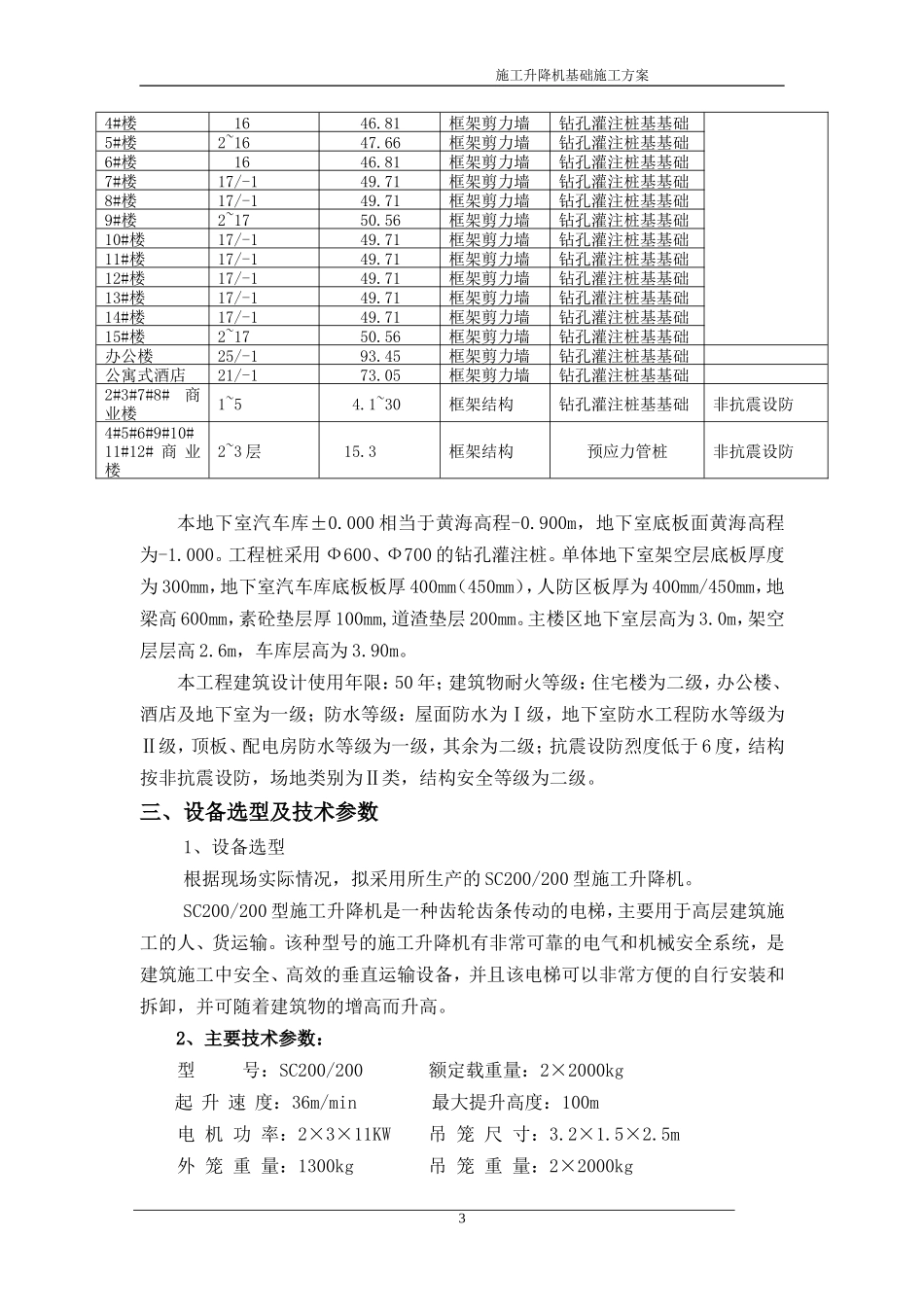
1施工升降机基础施工方案目录1、编制依据................................................................................................................22、工程概况..................................................................................................................33、设备选型及安装....................................................................................................43.1设备选型及技术参数.........................................................................................53.2施工升降机的现场布置.....................................................................................54、基础技术要求及设计............................................................................................54.1基础设置.............................................................................................................64.2基础底板、支撑柱设计与验算.........................................................................65、地下室顶板钢筋砼支撑柱设计............................................................................76、施工技术措施........................................................................................................77、安全措施................................................................................................................88、附图..........................................................................................................................99、施工升降机天然地基基础计算书..........................................................................910、施工升降机顶板下部钢筋砼支撑柱计算书......................................................1411、施工升降机顶板下部钢格构柱支撑柱计算书........................17施工升降机基础施工方案一、编制依据1、设计文件;2、《建筑结构荷载规范》GB50009;3、《建筑地基基础设计规范》GB50007;2施工升降机基础施工方案4、《建筑地基基础工程施工质量验收规范》GB50202;5、《混凝土结构设计规范》GB50010;6、《混凝土结构工程施工规范》GB50666;7、《混凝土结构工程施工质量验收规范》GB50204;8、《吊笼有垂直导向的人货两用施工升降机》GB26557;9、《施工现场机械设备检查技术规程》JGJ160;10、《建筑机械使用安全技术规程》JGJ33;11、《建筑施工安全检查标准》JGJ59;12、《施工现场临时用电安全技术规范》JGJ46;13、《高处作业安全技术规范》JGJ80;14、《建筑施工扣件式钢管脚手架安全技术规范》JGJ130;15、中联重科股份有限公司《SC200/200型施工升降机产品说明书(使用手册)》。16、本工程施工组织设计;二、工程概况1、工程名称:“君临城邦”三期(1#~15#住宅楼、2#~12#商业楼、地下室)2、工程地点:三门县海润街道滨海新城中心区域3、建设单位:浙江省三门新城投资开发有限公司4、设计单位:浙江华洲国际设计有限公司5、勘察单位:浙江省浙中地质工程勘察院6、监理单位:台州建浩工程管理有限公司7、施工单位:华亿生态建设有限公司8、建筑设计概况拟建工程位于三门县海润街道滨海新城中心区域,距离三门旧城约9公里,交通较方便。场地东至永福路,南至泰和路,西至旗海路,北至三门湾大道,总占地面积为106749m2,总建筑面积239034.02m2,其中地上建筑面积为195989.64m2,地下建筑面积为43044.38m2(包括人防区域面积10603m2),拟建物包括高层住宅建筑及裙楼共15幢,层数为16-25层,地下1层;多层商业建筑共12幢,层数为2-5层。本工程子单位情况如下:子单位地上/地下F建筑高度(m)结构体系桩基础形式备注地下室-14.0框架核心筒钻孔灌注桩基基础非抗震设防1#楼1646.81框架剪力墙钻孔灌注桩基基础2#楼17/-149.71框架剪力墙钻孔灌注桩基基础3#楼17/-149.71框架剪力墙钻孔灌注桩基基础3施工升降机基...

1、当您付费下载文档后,您只拥有了使用权限,并不意味着购买了版权,文档只能用于自身使用,不得用于其他商业用途(如 [转卖]进行直接盈利或[编辑后售卖]进行间接盈利)。
2、本站所有内容均由合作方或网友上传,本站不对文档的完整性、权威性及其观点立场正确性做任何保证或承诺!文档内容仅供研究参考,付费前请自行鉴别。
3、如文档内容存在违规,或者侵犯商业秘密、侵犯著作权等,请点击“违规举报”。

碎片内容

升降机基础施工方案

确认删除?
VIP
微信客服
  • 扫码咨询
会员Q群
  • 会员专属群点击这里加入QQ群
客服邮箱
回到顶部