电脑桌面
添加小米粒文库到电脑桌面
安装后可以在桌面快捷访问

管道支架制作安装技术交底VIP专享

管道支架制作安装技术交底_第1页
1/16
管道支架制作安装技术交底_第2页
2/16
管道支架制作安装技术交底_第3页
3/16
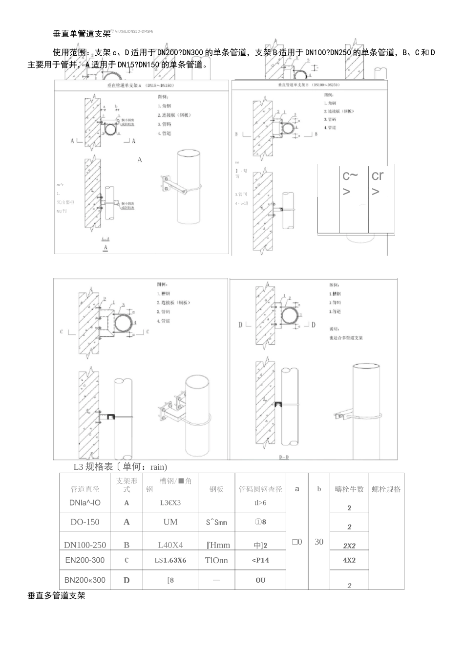
技术、安全交底工程名称唯品会琶洲总部大厦施工单位广州斯派劳务分包分项工程名称室内管道支架制作安装(消防水)交底时间2018 年 7 月 6 日为了贯彻“安全第一,预防为主”的方针,提高施工人员的安全意识及自我防护能力,加强安全管理,规范现场施工人员安全操作程序,消除和控制劳动生产过程中的不安全行为,预防伤亡事故,确保作业人员的安全健康特制订本交底,交底内容如下:—■基本要素1 施工内容:给排水、消防水管道支架制作及安装;2•分部分项工程名称:室内管道支架制作安装;3•交底执行标准名称及编号:《建筑给水排水及采暖工程施工质量验收规范》GB50242-2002;《建筑给水排水及采暖工程施工技术标准》ZJQ08-SGJB242-2003;《室内管道支架及吊架》03S402;《机电安装工程施工工艺标准-给排水》Q/ZJSYAZJ101-2014。4•基本情况介绍:本工程管道支架采用角钢、槽钢制,金属膨胀螺栓固定的安装方法;地下室管线密集的走廊及车道采用联合支架,其余部位采用普通支吊架。二■施工准备1. 技术准备:专业施工人员组织作业人员熟悉图纸及相关图集、施工验收规范。联合支架部位预先在图纸上标出安装位置及支架形式。2. 现场准备与作业条件:人员及机具:安排好所需要的施工机具设备、材料、人员等进场;预加工:根据图纸及项目部要求进行支架制作;作业条件土建主体结构已验收,现场清理干净;支架安装所需的基准线应测定并标明,如吊顶标高、地面标高、装修 50 线等;根据施工方案安排好适当的现场工作场地、工作棚、料具库,在地下室操作时,要接通低压照明灯。3. 资源准备:材料:镀锌角钢、镀锌槽钢、镀锌通丝螺杆、膨胀螺丝。主要机具机械:切割机、台钻、手电钻、电焊机等;其他:水平尺、线坠、钢卷尺、小线、安全带、脚手架等。三■施工工艺1.施工工艺流程2.结合图纸选择支架形式支架倒角原则管道支架连接板mttii]!::讷1 用战7Mrtftill:d:曲 SJItH(准旻力圍取 L1删2.饵扳3.*脹岂 tt!ABLHO・n.5020m143*ITSSilI2D>.1Id3&[123UliJJ)tD 连撰扳 X、龍队 E 观料MlffiA.BEIJW:mL 娥 LKkL75aa加<6□...

1、当您付费下载文档后,您只拥有了使用权限,并不意味着购买了版权,文档只能用于自身使用,不得用于其他商业用途(如 [转卖]进行直接盈利或[编辑后售卖]进行间接盈利)。
2、本站所有内容均由合作方或网友上传,本站不对文档的完整性、权威性及其观点立场正确性做任何保证或承诺!文档内容仅供研究参考,付费前请自行鉴别。
3、如文档内容存在违规,或者侵犯商业秘密、侵犯著作权等,请点击“违规举报”。

碎片内容

管道支架制作安装技术交底

确认删除?
VIP
微信客服
  • 扫码咨询
会员Q群
  • 会员专属群点击这里加入QQ群
客服邮箱
回到顶部