电脑桌面
添加小米粒文库到电脑桌面
安装后可以在桌面快捷访问

《电力系统继电保护》实验报告

《电力系统继电保护》实验报告_第1页
1/13
《电力系统继电保护》实验报告_第2页
2/13
《电力系统继电保护》实验报告_第3页
3/13
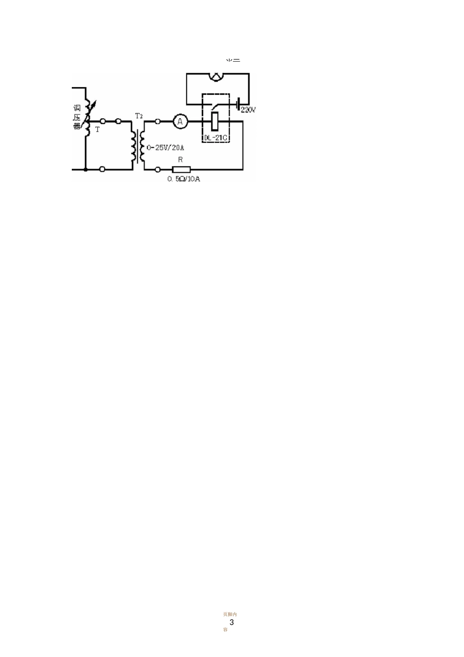
页脚内容 1层专年学网络咼等教育《电力系统继电保护》实验报告学习中心:天津武清奥鹏学习中心[4]次:专升本业:电气工程及其自动化级:2014 年秋季 学生姓名:页眉内容页脚内容 21.过流继电器实验接线图页脚内容 3光示页眉内容页脚内容 4三、预习题1. DL-20C 系列电流继电器铭牌刻度值,为线圈—并联__时的额定值;DY-20C 系列电压继电器铭牌刻度值,为线圈—串联—时的额定值。(串联,并联)2. 动作电流(压),返回电流(压)和返回系数的定义是什么?答 : 在电压继电器或中间继电器的线圈上 , 从 0 逐步升压 , 到继电器动作 , 这个电 压是动作电压 ; 继电器动作后再逐步降低电压 , 到继电器动作返回 , 这个电压是返回 电压 . ; 继电器动作后再逐步降低电压 , 到继电器动作返回 , 这个电压是返回电压 . 返回电流与启动电流的比值称为继电器的返回系数。四、实验内容1.电流继电器的动作电流和返回电流测试表一过流继电器实验结果记录表2.低压继电器的动作电压和返回电压测试表二低压继电器实验结果记录表页眉内容5页脚内容44.中间继电器动作时间测量实验接线页眉内容页脚内容 6实验二电磁型时间继电器和中间继电器实验一、实验目的1. 熟悉时间继电器和中间继电器的实际结构、工作原理和基本特性;2. 学习时间继电器和中间继电器的的测试和调整方法;二、实验电路1.时间继电器动作电压、返回电压实验接线图—ARPeooo22W页眉内容页脚内容7三、预习题影响起动电压、返回电压的因素是什么?答:是相关电阻的大小。四、实验内容1.时间继电器的动作电流和返回电流测试表一时间继电器动作电压、返回电压测试2. 时间继电器的动作时间测定表二时间继电器动作时间测定3. 中间继电器测试表三中间继电器动作时间实验记录表页眉内容8页脚内容页眉内容9页脚内容三、预习题(填写表格)表页眉内容页脚内容10五、实验仪器设备页眉内容页脚内容11页眉内容页脚内容12四、实验内容表序号名称实验整定值正方向功率反方向功率0.8A1.0A0.8A1.0A1电流继电器2AXXXX2功率方向继电器0.93AXVVV3时间继电器0.5sVXXX4信号继电器0.75sXXXV5中间继电器0.8AVVVV6光示牌无VVXV7电流表0.9AXXVX8电压表89.2VXXXX9相位仪45VVVX注 继 电 器 动 作 打 “ V” , 未 动 作 打 “ X” ; 仪 表 要 填 写 读 数 。五、实验仪器设备设备名称使用仪器名称控制屏EPL-13光示牌EPL-17三相交流电源EPL-05继电器(二)...

1、当您付费下载文档后,您只拥有了使用权限,并不意味着购买了版权,文档只能用于自身使用,不得用于其他商业用途(如 [转卖]进行直接盈利或[编辑后售卖]进行间接盈利)。
2、本站所有内容均由合作方或网友上传,本站不对文档的完整性、权威性及其观点立场正确性做任何保证或承诺!文档内容仅供研究参考,付费前请自行鉴别。
3、如文档内容存在违规,或者侵犯商业秘密、侵犯著作权等,请点击“违规举报”。

碎片内容

《电力系统继电保护》实验报告

您可能关注的文档

确认删除?
VIP
微信客服
  • 扫码咨询
会员Q群
  • 会员专属群点击这里加入QQ群
客服邮箱
回到顶部