电脑桌面
添加小米粒文库到电脑桌面
安装后可以在桌面快捷访问

2批准的检测检验业务范围

2批准的检测检验业务范围_第1页
1/58
2批准的检测检验业务范围_第2页
2/58
2批准的检测检验业务范围_第3页
3/58
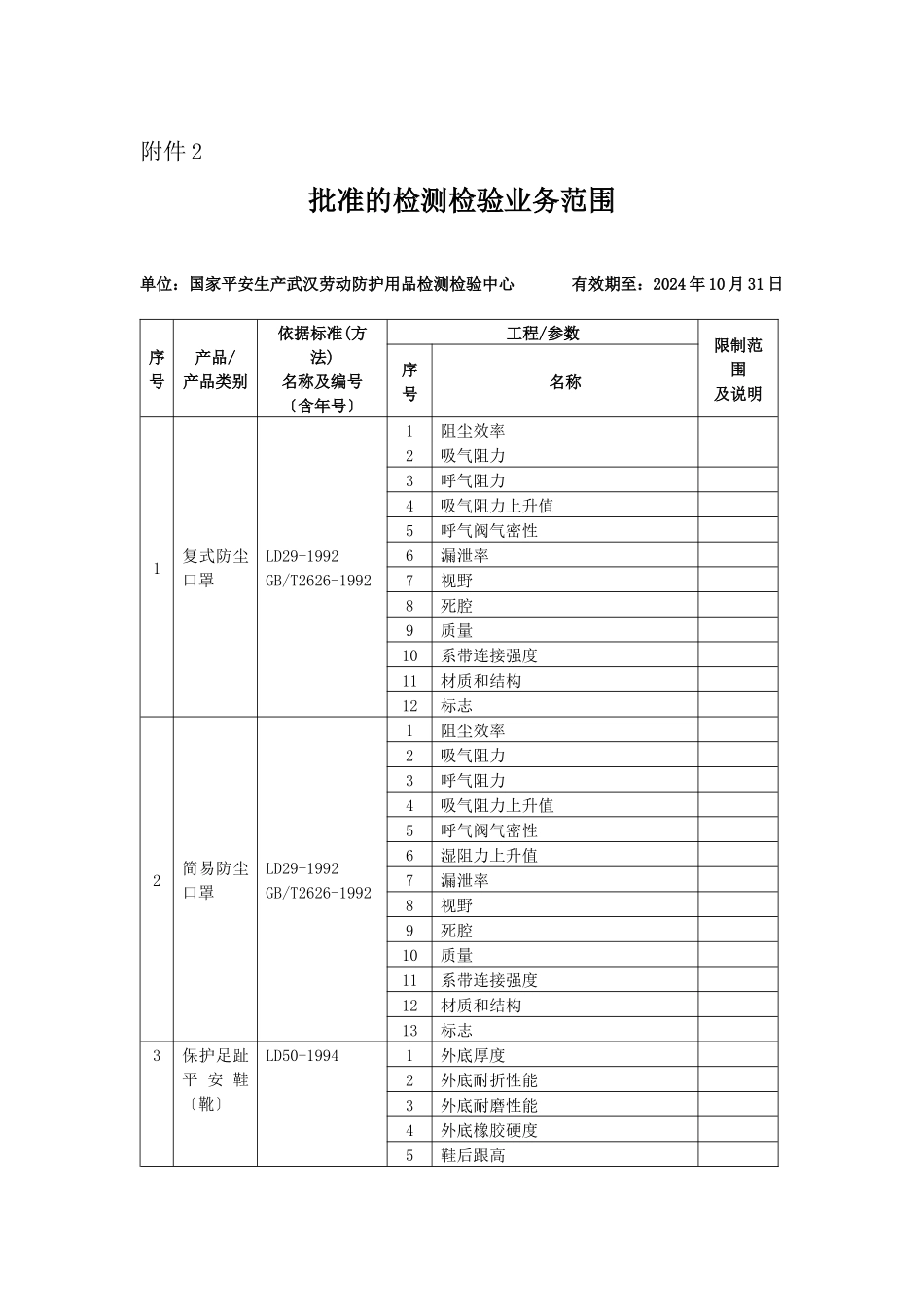
附件 2批准的检测检验业务范围单位:国家平安生产武汉劳动防护用品检测检验中心 有效期至:2024 年 10 月 31 日序号产品/产品类别依据标准(方法)名称及编号〔含年号〕工程/参数限制范围及说明序号名称1复式防尘口罩LD29-1992GB/T2626-19921阻尘效率2吸气阻力3呼气阻力4吸气阻力上升值5呼气阀气密性6漏泄率7视野8死腔9质量10系带连接强度11材质和结构12标志2简易防尘口罩LD29-1992GB/T2626-19921阻尘效率2吸气阻力3呼气阻力4吸气阻力上升值5呼气阀气密性6湿阻力上升值7漏泄率8视野9死腔10质量11系带连接强度12材质和结构13标志3保护足趾平 安 鞋〔靴〕LD50-19941外底厚度2外底耐折性能3外底耐磨性能4外底橡胶硬度5鞋后跟高6鞋后跟缓冲性能7鞋帮透湿性8成鞋外观质量9成鞋剥离强度10耐压力性11抗冲击性12钢包头耐腐蚀性13标志4防 静 电鞋、导电鞋GB4385-19951电气性能2外底耐折3外底耐磨4成鞋剥离强度5外底橡胶硬度6围条与帮面粘附强度7外底橡胶拉伸强度8外底橡胶扯断伸长率9外底磨耗试验10标志5电绝缘皮鞋GB12024-20001结构2鞋号3鞋帮尺寸4鞋面厚度5革类撕裂强度6革类抗张强度7外底花纹8外底厚度9外底耐磨性能10外底耐折性能11成鞋外观12成鞋剥离强度13电性能14标志6电绝缘布面胶鞋GB12024-20001鞋帮尺寸2鞋面厚度3织物断裂强力4鞋帮与围条粘附强度5外底花纹6外底厚度7外底耐磨性能8外底耐折性能9成鞋外观10电性能11标志7电绝缘胶面胶鞋GB12024-20001鞋帮尺寸2鞋面厚度3鞋帮拉伸特性4鞋帮与织物粘附强度5外底花纹6外底厚度7外底耐磨性能8外底耐折性能9成鞋外观10渗水性11电性能12标志8防刺穿鞋GB12024-19891抗刺穿力2外底耐磨性能3成鞋外观质量4成鞋剥离强度5外底扯断伸长率6外底扯断强度7外底磨耗量8标志9耐酸碱皮鞋GB12024-19891外观2结构3成鞋质量4成鞋透水性能5成鞋耐磨性能6成鞋剥离强度7面革扯断强度8面革扯断伸长率9面革撕裂强度10面革耐折牢度11大底硬度12大底硬度增加13大底重量变化14大底扯断强度15大底扯断强度降低16大底扯断伸长率17大底扯断伸长率变化18标志10耐酸碱胶靴GB12024-19891结构2成鞋质量3透水性4胶面粘着力5胶面扯断强度6胶面扯断伸长率7胶面扯断强度降低8胶面扯断伸长率变化9胶面硬度10胶面硬度增加11胶面重量变化12大底磨耗减量13大底重量变化14大底扯断强度15大底扯断伸长率16大底扯断强度降低17大底扯断伸长率变化18大底硬度19大底硬度增加20标志11耐酸碱塑料模压靴GB12024-19891结构2成鞋重量3塑料面扯断强...

1、当您付费下载文档后,您只拥有了使用权限,并不意味着购买了版权,文档只能用于自身使用,不得用于其他商业用途(如 [转卖]进行直接盈利或[编辑后售卖]进行间接盈利)。
2、本站所有内容均由合作方或网友上传,本站不对文档的完整性、权威性及其观点立场正确性做任何保证或承诺!文档内容仅供研究参考,付费前请自行鉴别。
3、如文档内容存在违规,或者侵犯商业秘密、侵犯著作权等,请点击“违规举报”。

碎片内容

2批准的检测检验业务范围

一帆文传+ 关注
实名认证
内容提供者

欢迎光临店铺,各类公文供您挑选。

相关文档

确认删除?
VIP
微信客服
  • 扫码咨询
会员Q群
  • 会员专属群点击这里加入QQ群
客服邮箱
回到顶部