电脑桌面
添加小米粒文库到电脑桌面
安装后可以在桌面快捷访问

住宅分户验收表格

住宅分户验收表格_第1页
1/6
住宅分户验收表格_第2页
2/6
住宅分户验收表格_第3页
3/6
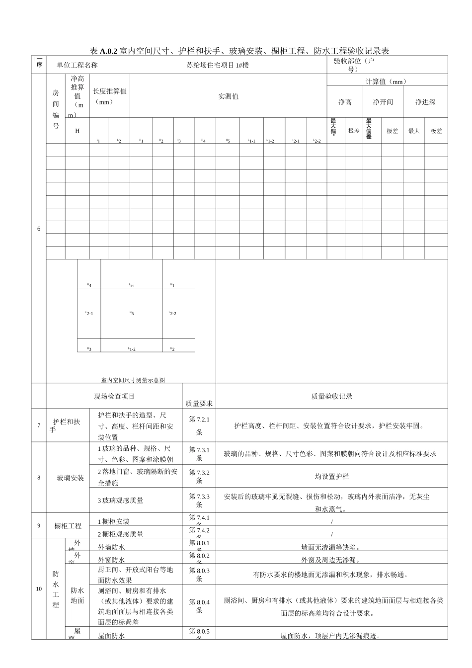
住宅工程质量分户验收记录表表 A.0.1 室内地面、室内楼梯、室内墙面、室内顶棚抹灰、门窗验收记录表序号单位工程名称验收部位(户号)现场检查项目质量要求质量验收记录1室内地面变通水泥楼地面1 水泥楼地面面层粘结质量第 4.1.1 条2 观感质量第 4.1.2 条板块楼地面面层1 板块楼地面面层与基层粘结质量第 4.2.1 条2 观感质量第 4.2.2 条木、竹楼地面面层1 木、竹楼地面面层铺设第 4.3.1 条2 观感质量第 4.3.2 条2室内楼梯1 楼梯尺寸第 4.4.1 条2 楼梯面层质量第 4.4.2 条3室内墙面1 室内墙面面层粘结质量第 5.1.1 条2 室内墙面观感质量第 5.1.2 条3 室内墙面涂饰面层粘结质量第 5.1.3 条4 室内墙面涂饰面层观感质量第 5.1.4 条5 室内墙面裱糊及软包面层粘结、安装质量第 5.1.5 条6 室内墙面裱糊及软包面层观感质量第 5.1.6 条7 室内墙面饰面板(砖)面层粘结质量第 5.1.7 条8 室内墙面饰面板(砖)面层观感质量第 5.1.8 条4室内顶棚抹灰室内顶棚粘结质量第 5.2.1 条室内顶棚观感质量第 5.2.2 条室内顶棚涂饰面层的质量第 5.2.3 条室内顶棚裱糊面层的质量第 5.2.4 条5门窗1 门窗开启性能第 7.1.1 条2 门窗配件第 7.1.2 条3 门窗密封第 7.1.3 条4 门窗的排水第 7.1.4 条5 进户门质量第 7.1.5 条6 户内门质量第 7.1.6 条7 窗帘盒、门窗套及台面第 7.1.7 条表 A.0.2 室内空间尺寸、护栏和扶手、玻璃安装、橱柜工程、防水工程验收记录表一序口”单位工程名称苏纶场住宅项目 1#楼验收部位(户号)6房间编号净高推算值(mm)长度推算值(mm)实测值计算值(mm)净高净开间净进深HLiL2H1H2H3H4H5L1-1L1-212-1L2-2最大偏*极差最大偏差极差最大极差H4Li-iH1L2-1H5L2-2H3L1-2H2室内空间尺寸测量示意图现场检查项目质量要求质量验收记录7护栏和扶手护栏和扶手的造型、尺寸、高度、栏杆间距和安装位置第 7.2.1条护栏高度、栏杆间距、安装位置符合设计要求,护栏安装牢固。8玻璃安装1 玻璃的品种、规格、尺寸、色彩、图案和涂膜朝向第 7.3.1条玻璃的品种、规格、尺寸色彩、图案和膜朝向符合设计及相应标准要求2 落地门窗、玻璃隔断的安全措施第 7.3.2条均设置护栏3 玻璃观感质量第 7.3.3条安装后的玻璃牢虱无裂缝、损伤和松动,玻璃内外表面洁净,无灰尘和水蒸气。9橱柜工程1 橱柜安装第 7.4.1条/2 橱柜观感质量第 7.4.2条/10防水工程外墙外墙防水第 8.0.1条墙面...

1、当您付费下载文档后,您只拥有了使用权限,并不意味着购买了版权,文档只能用于自身使用,不得用于其他商业用途(如 [转卖]进行直接盈利或[编辑后售卖]进行间接盈利)。
2、本站所有内容均由合作方或网友上传,本站不对文档的完整性、权威性及其观点立场正确性做任何保证或承诺!文档内容仅供研究参考,付费前请自行鉴别。
3、如文档内容存在违规,或者侵犯商业秘密、侵犯著作权等,请点击“违规举报”。

碎片内容

住宅分户验收表格

wxg+ 关注
实名认证
内容提供者

该用户很懒,什么也没介绍

确认删除?
VIP
微信客服
  • 扫码咨询
会员Q群
  • 会员专属群点击这里加入QQ群
客服邮箱
回到顶部