电脑桌面
添加小米粒文库到电脑桌面
安装后可以在桌面快捷访问

脚手架及支撑搭设方案

脚手架及支撑搭设方案_第1页
1/32
脚手架及支撑搭设方案_第2页
2/32
脚手架及支撑搭设方案_第3页
3/32
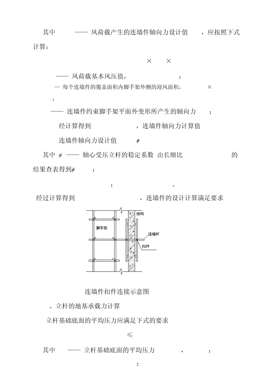
1 脚手架及支撑搭设方案 一、 编制依据 1、 主要依据成都美厦建筑设计的施工图纸、施工组织设计、建筑规范和规程。 2、 根据现行规范及施工现场的实际情况。 二、 工程概况 本工程为成都汇祥置业有限责任公司开发汇祥华楠半岛工程,建设地点位于新津县花源镇柳河村,建筑总面积为 84000 ㎡。该建筑为框剪结构,地下 1 层,地上 6+1 层,高度 23.9m 。根据成都市政府相关文件的要求,该工程在主体及装饰施工期间,必须在建筑物外围设置封闭式密目防尘网。依据规范<<建筑施工扣件式钢管脚手架安全技术规范(JGJ 130-2001)>>和“建设部建质(2004)213号”文件精神编制本方案。 三、搭设技术措施 本工程为高层,总高 23.9米,分2次卸荷搭设,第一段采用双排落地脚手架;二段采用悬挑脚手架,均在2层时悬挑。 第一段封闭式双排落地脚手架的设计计算 1、根据《JGJ130-2001》的规定,50m以下的常用敞开式单、双排架,当采用规范规定的构造尺寸和构造规定时,其相应杆件可不再进行设计计算,只需根据实际荷载对连墙件和立杆地基承载力进行验算。立杆支承在地下室顶板C35砼结构上,采用的钢管类型为 48×3.5。 2、连墙件的计算: 连墙件的轴向力计算值应按照下式计算: Nl = Nlw + No 2 其中 Nlw —— 风荷载产生的连墙件轴向力设计值(kN),应按照下式计算: Nlw = 1.5 × wk × Aw wk —— 风荷载基本风压值,wk = 0.176kN/m2; Aw —-每个连墙件的覆盖面积内脚手架外侧的迎风面积,Aw = 3.0×4.50 = 13.50m2; No —— 连墙件约束脚手架平面外变形所产生的轴向力(kN);No = 5.000 经计算得到 Nlw = 3.564kN,连墙件轴向力计算值 Nl = 8.564kN 连墙件轴向力设计值 Nf = A[f] 其中 —— 轴心受压立杆的稳定系数,由长细比 l/i=30.00/1.58的结果查表得到 =0.95; A = 4.89cm2;[f] = 205.00N/mm2。 经过计算得到 Nf = 95.466kN,Nf>Nl,连墙件的设计计算满足要求! 连墙件扣件连接示意图 3、立杆的地基承载力计算: 立杆基础底面的平均压力应满足下式的要求 p ≤ fg 其中 p —— 立杆基础底面的平均压力 (N/mm2),p = N/A;p = 43.72 3 N —— 上部结构传至基础顶面的轴向力设计值 (kN);N = 10.93 A —— 基础底面面积 (m2);A = 0.25 fg —— 地基承载力设计值为人防地下室顶板的荷载值(N/mm2); fg = 65.00 地基承载力设计值应按...

1、当您付费下载文档后,您只拥有了使用权限,并不意味着购买了版权,文档只能用于自身使用,不得用于其他商业用途(如 [转卖]进行直接盈利或[编辑后售卖]进行间接盈利)。
2、本站所有内容均由合作方或网友上传,本站不对文档的完整性、权威性及其观点立场正确性做任何保证或承诺!文档内容仅供研究参考,付费前请自行鉴别。
3、如文档内容存在违规,或者侵犯商业秘密、侵犯著作权等,请点击“违规举报”。

碎片内容

脚手架及支撑搭设方案

您可能关注的文档

确认删除?
VIP
微信客服
  • 扫码咨询
会员Q群
  • 会员专属群点击这里加入QQ群
客服邮箱
回到顶部